|
Номер на схеме |
Каталожный номер |
Название |
Количество |
Детали |
|
|
|
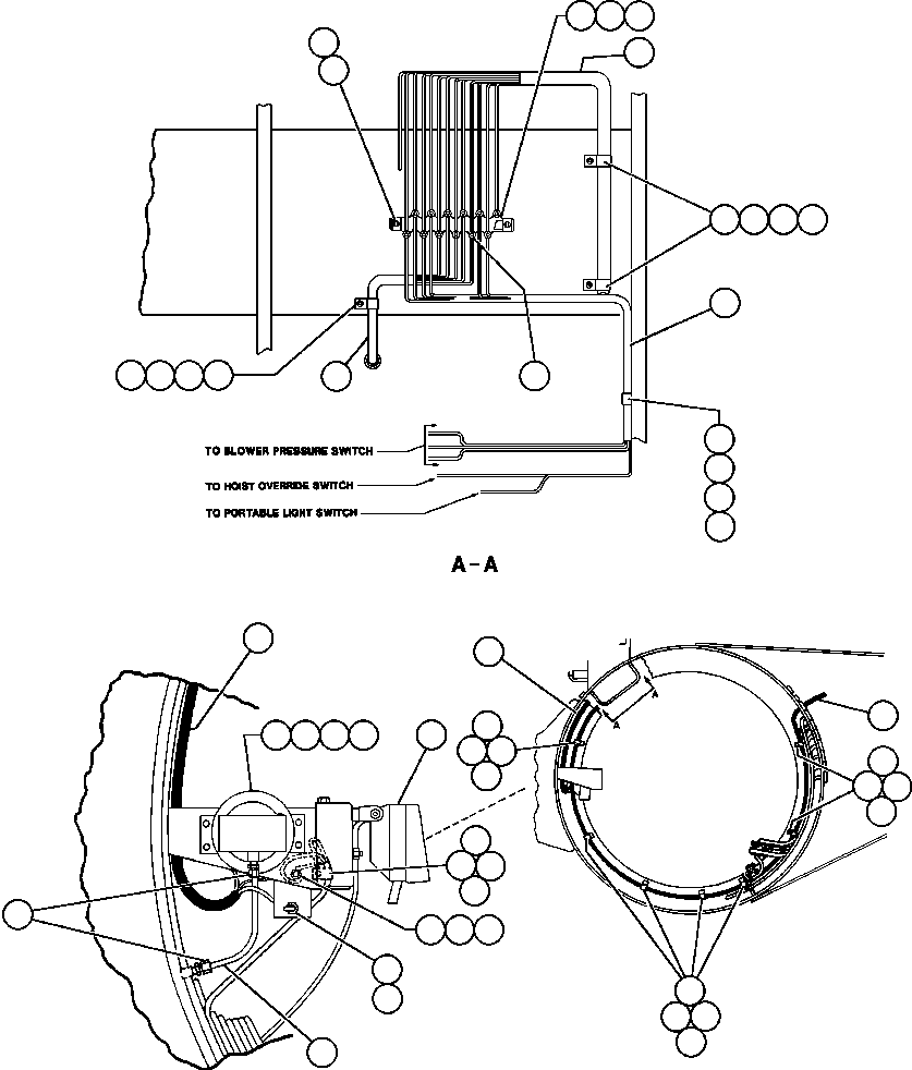
? |
TZ0883 |
HARNESS |
1 |
|
|
|
|
? |
VN9908 |
CLAMP |
4 |
|
|
|
|
? |
VH9969 |
WELD STUD - 3/8" - 16NC X 3/4" |
12 |
|
|
|
|
? |
C0312 |
LOCKWASHER - 3/8" |
12 |
|
|
|
|
? |
C1521 |
NUT - 3/8" - 16NC |
12 |
|
|
|
|
? |
VN9908 |
CLAMP |
4 |
|
|
|
|
? |
TF6924 |
CLAMP |
2 |
|
|
|
|
? |
EF4234 |
HARNESS - RIGHT FRAME RAIL |
1 |
|
|
|
|
? |
YA2388 |
HARNESS - REAR LIGHTS & BACK-UP HORN |
1 |
|
|
|
|
? |
VF2231 |
MACHINE SCREW - #10 - 24NC X 3/8" |
2 |
|
|
|
|
? |
DC3101 |
LOCKWASHER - #10 |
2 |
|
|
|
|
? |
VS8192 |
BOARD, TERMINAL |
1 |
|
|
|
|
? |
WA6678 |
STRIP, CIRCUIT IDENTIFICATION |
1 |
|
|
|
|
? |
VM2951 |
SET SCREW - #6 - 32NC X 5/16" |
2 |
|
|
|
|
? |
TA0603 |
FITTING, NYLON |
2 |
|
|
|
|
? |
PB4673 |
SWITCH, BLOWER PRESSURE |
1 |
|
|
|
|
? |
C3145 |
CAPSCREW - 1/4" - 20NC X 5/8" |
4 |
|
|
|
|
? |
C5774 |
LOCKWASHER - 1/4" |
4 |
|
|
|
|
? |
C5780 |
NUT - 1/4" - 20NC |
4 |
|
|
|
|
? |
TY1408 |
PORTABLE LIGHT ASSM (SEE INDEX) |
1 |
|
40052 |
|
|
? |
720462 |
CLAMP |
1 |
|
|
|
|
? |
SR8325 |
SWITCH, TOGGLE (PORTABLE LIGHT) |
1 |
|
|
|
|
? |
PB3324 |
BOOT, TOGGLE SWITCH |
1 |
|
|
|
|
? |
SP6153 |
LOCKWASHER - 3/8" (EXTERNAL/INTERNAL TOOTH) |
1 |
|
|
|
|
? |
TG8745 |
SWITCH, TOGGLE (HOIST OVERRIDE) |
1 |
|
|
|
|
? |
TZ2373 |
BRACKET |
1 |
|
|
|
|
? |
TK7603 |
TUBE, NYLON |
1 |
|
|
|
|
? |
TG2562 |
CLAMP |
1 |
|
|
|
|
? |
WA3367 |
NUT ASSM |
12 |
|
|
|