| Номер на схеме | Каталожный номер | Название | Количество | Детали | |||
|---|---|---|---|---|---|---|---|
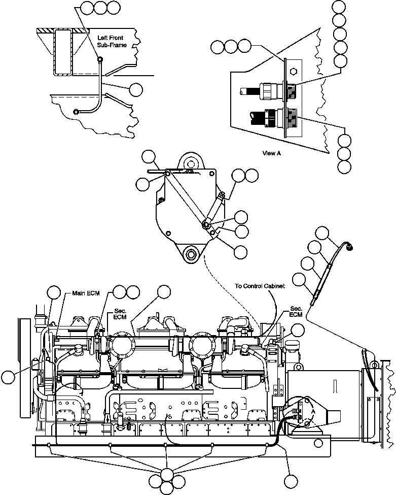
| ? | VE3715 | ENGINE JACKET COOLANT THERMO SENSOR (180 - 190 DEG) | 1 | ||||
| ? | PB6417 | SENSOR, TEMPERATURE | 1 | ||||
| ? | VE3714 | ENGINE INTERCOOLER THERMO SENSOR (120 - 130 DEG) | 1 | ||||
| ? | SF4094 | BUSHING, PIPE | 1 | ||||
| ? | HARNESS, DDEC INTERFACE (SUPPLIED ENGINE MANUFACTOR) | 1 | |||||
| ? | TS0296 | PICKUP, MAGNETIC | 1 | ||||
| ? | LW00351 | LOOM - 63" | 1 | ||||
| ? | LW30651 | TAPE #33 - 18" | 1 | ||||
| ? | LW00551 | LOOM - 2" | 1 | ||||
| ? | VH9969 | WELD STUD - 3/8" - 16NC | 7 | ||||
| ? | TR4436 | FLAT WASHER - 3/8" | 5 | ||||
| ? | TC1231 | LOCKWASHER - 3/8" | 5 | ||||
| ? | TC1233 | NUT - 3/8" - 16NC | 5 | ||||
| ? | EF0358 | HARNESS , ENGINE MODULE | 1 | ||||
| ? | PB5373 | LOCKWASHER | 1 | ||||
| ? | PB5371 | NUT | 1 | ||||
| ? | TY8239 | CONNECTOR | 1 | ||||
| ? | TC4830 | MACHINE SCREW - #6 - 32NC X 5/8" | 2 | ||||
| ? | DF4944 | LOCKWASHER - #6 | 2 | ||||
| ? | DD2468 | NUT - #6 | 2 | ||||
| ? | LW42651 | SLEEVE, SHRINK - 2 1/4" EACH | 3 | ||||
| ? | EC4866 | BRACKET | 1 | ||||
| ? | TC1234 | CAPSCREW - 3/8" - 16NC X 3/4" | 2 | ||||
| ? | C0312 | LOCKWASHER - 3/8" | 4 | ||||
| ? | VN5153 | WIRE, GROUND | 1 | ||||
| ? | C1521 | NUT - 3/8" - 16NC | 2 | ||||
| ? | DA5420 | CAPSCREW - SOCKET HEAD | 2 | ||||
| ? | ED0928 | BAR, BUS | 1 | ||||
| ? | ED0931 | SLEEVE, SHRINK | 1 | ||||
| ? | ED0929 | BRACKET | 1 | ||||
| ? | TA7409 | INSULATOR, STAND-OFF | 1 | ||||
| ? | TZ7387 | WIRE | 1 | ||||
| ? | NS = NOT SHOWN | ||||||
| ? | ED4404 | CABLE, BATT. ALTERNATOR BT. TO JUNCTION BOX - CONT. CAB. | 1 | ||||
| ? | ED5232 | HARNESS, FAN CLUTCH | 1 | ||||
| ? | EF4776 | WIRE, CLUTCH FAN | 1 | ||||
| ? | HC9043 | DISCONNECT, KNIFE | 1 |