| Номер на схеме | Каталожный номер | Название | Количество | Детали | |||
|---|---|---|---|---|---|---|---|
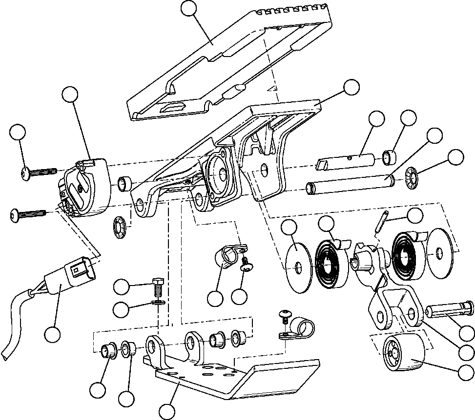
| ? | PEDAL (4) | 1 | |||||
| ? | VJ4023 | RING, RETAINER (1)(2)(4) | 3 | ||||
| ? | ROLLER (2)(4) | 1 | |||||
| ? | LEVER, TREADLE (4) | 1 | |||||
| ? | HARNESS, WIRE (3)(4) | 1 | |||||
| ? | CLAMP, WIRE (4) | 2 | |||||
| ? | VE4213 | SCREW - PAN HEAD (3)(4) | 2 | ||||
| ? | VC9049 | CAPSCREW - 5/16" - 18NC X 5/8" | 4 | ||||
| ? | BF1495 | COVER | 1 | ||||
| ? | PIN, TREADLE (1)(4) | 1 | |||||
| ? | BUSHING (1)(4) | 2 | |||||
| ? | BUSHING (1)(4) | 2 | |||||
| ? | SENSOR (4) | 1 | |||||
| ? | PIN (4) | 1 | |||||
| ? | SC4174 | LOCKWASHER - 5/16" | 4 | ||||
| ? | SPRING (4) | 2 | |||||
| ? | DRIVE SHAFT, POTENTIOMETER (4) | 1 | |||||
| ? | BUSHING (4) | 2 | |||||
| ? | BF1355 | PLATE, BASE | 1 | ||||
| ? | PIN, ROLLER (2)(4) | 1 | |||||
| ? | THRUST WASHER - OUTER (4) | 2 | |||||
| ? | VS2504 | MACHINE SCREW - (4) | 2 | ||||
| ? | VE7549 | NOTE: (1) INCLUDED IN VE7549 TREADLE PIN KIT. | |||||
| ? | VE7561 | (2) INCLUDED IN VE7561 ROLLER KIT. | |||||
| ? | BF1497 | (3) INCLUDED IN BF1497 SENSOR KIT. | |||||
| ? | BF1498 | (4) INCLUDED IN BF1498 UPPER SERVICE ASSM KIT. |