| Номер на схеме | Каталожный номер | Название | Количество | Детали | |||
|---|---|---|---|---|---|---|---|
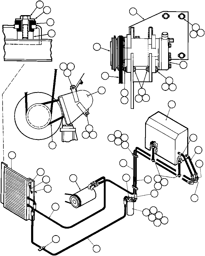
| ? | TY9665 | • CONDENSER MOUNTING ASSM (SEE FIG. 14507) | 1 | ||||
| ? | VJ8908 | • • SWITCH, HI-PRESSURE (SUPPLIED W/ CONDENSER) | 1 | ||||
| ? | TZ8522 | • • HARNESS | 1 | ||||
| ? | VN7967 | • • GROMMET | 1 | ||||
| ? | HA6630 | • • HOSE | 1 | ||||
| ? | HA6214 | • • HOSE | 1 | ||||
| ? | PB7618 | • • RECEIVER/DRIER | 1 | ||||
| ? | PB2216 | • • BRACKET | 1 | ||||
| ? | WA0192 | • • WELD STUD - 1/4" - 20NC X 3/4" | 2 | ||||
| ? | C5774 | • • LOCKWASHER - 1/4" | 2 | ||||
| ? | C5780 | • • NUT - 1/4" - 20NC | 2 | ||||
| ? | PB7620 | • • SWITCH, LOW-PRESSURE | 1 | ||||
| ? | WA1731 | • • O-RING | 2 | ||||
| ? | 424243 | • • CLAMP | 7 | ||||
| ? | PB7619 | • • ADAPTOR | 1 | ||||
| ? | TN9748 | • • HOSE, DRAIN | 2 | ||||
| ? | CD9705 | • • CLAMP | 2 | ||||
| ? | VP4693 | • • GROMMET | 2 | ||||
| ? | HA6213 | • • HOSE | 1 | ||||
| ? | HA6631 | • • HOSE | 1 | ||||
| ? | VN9907 | • • CLAMP | 11 | ||||
| ? | TG2568 | • • CLAMP | 10 | ||||
| ? | VH9969 | • • WELD STUD - 3/8" - 16NC X 3/4" | 13 | ||||
| ? | C0312 | • • LOCKWASHER - 3/8" | 25 | ||||
| ? | C1521 | • • NUT - 3/8" - 16NC | 20 | ||||
| ? | VP3642 | • • FITTING, BULKHEAD | 1 | ||||
| ? | WA2563 | • • FITTING, BULKHEAD | 1 | ||||
| ? | HA6215 | • • HOSE | 1 | ||||
| ? | HA6216 | • • HOSE | 1 | ||||
| ? | PB4082 | • • AIR CONDITIONER | 1 | ||||
| ? | C1609 | • • CAPSCREW - 7/16" - 14NC X 1 1/4" | 4 | ||||
| ? | C5775 | • • LOCKWASHER - 7/16" | 4 | ||||
| ? | WA4727 | • • FLAT WASHER - 7/16" | 4 | ||||
| ? | PB6474 | • • AIR COMPRESSOR | 1 | ||||
| ? | VE5502 | • • CLUTCH | 1 | ||||
| ? | VE5503 | • • COIL, FIELD | 1 | ||||
| ? | C1605 | • • CAPSCREW - 3/8" - 16NC X 1 3/4" | 4 | ||||
| ? | WA4726 | • • FLAT WASHER - 3/8" | 4 | ||||
| ? | PB8002 | • • V-BELT, AIR CONDITIONER | 1 | ||||
| ? | EB4908 | • • BRACKET | 1 | ||||
| ? | EB5294 | • • SHIELD | 1 | ||||
| ? | C1612 | • • CAPSCREW - 1/2" - 13NC X 1" | 2 | ||||
| ? | WA0360 | • • FLAT WASHER - 1/2" | 2 | ||||
| ? | C1540 | • • LOCKWASHER - 1/2" | 2 | ||||
| ? | C1615 | • • CAPSCREW - 1/2" - 13NC X 1 3/4" | 4 | ||||
| ? | DA0557 | • • WASHER | 4 | ||||
| ? | VY9850 | • • MOUNT, RUBBER | 4 | ||||
| ? | TY5095 | • • LUG | 4 |