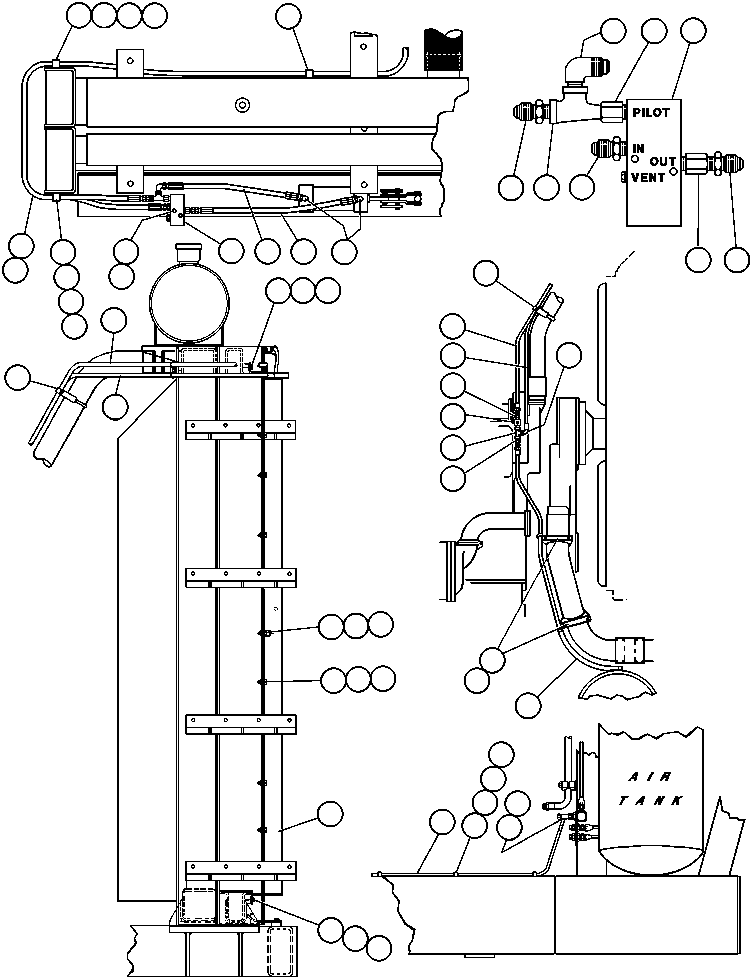
|
Номер на схеме |
Каталожный номер |
Название |
Количество |
Детали |
|
|
|
? |
C1603 |
• CAPSCREW - 3/8" - 16NC X 1 1/4" |
18 |
|
|
|
|
? |
C0312 |
• • LOCKWASHER - 3/8" |
14 |
|
|
|
|
? |
WA0720 |
• • FLAT WASHER - 3/8" |
18 |
|
|
|
|
? |
C1521 |
• • NUT - 3/8" - 16NC |
6 |
|
|
|
|
? |
PB8181 |
• • SHUTTER ASSM (SEE INDEX) |
1 |
|
|
|
|
? |
WA4649 |
• • CLAMP |
10 |
|
|
|
|
? |
VC2195 |
• • WELD STUD - 3/8" - 16NC X 1" |
6 |
|
|
|
|
? |
HA3408 |
• • HOSE |
1 |
|
|
|
|
? |
HA0690 |
• • HOSE |
1 |
|
|
|
|
? |
TD9718 |
• • ADAPTOR |
4 |
|
|
|
|
? |
DD4242 |
• • TEE |
2 |
|
|
|
|
? |
HA2989 |
• • HOSE |
1 |
|
|
|
|
? |
TF6925 |
• • CLAMP |
6 |
|
|
|
|
? |
VN5634 |
• • TEE |
1 |
|
|
|
|
? |
WA4612 |
• • FITTING |
1 |
|
|
|
|
? |
TV7032 |
• • FITTING, RESTRICTOR |
2 |
|
|
|
|
? |
PB5827 |
• • THERMOSTAT |
1 |
|
|
|
|
? |
TG3397 |
• • ADAPTOR |
1 |
|
|
|
|
? |
VC7403 |
• • CLAMP |
2 |
|
|
|
|
? |
C1602 |
• • CAPSCREW - 3/8" - 16NC X 1" |
8 |
|
|
|
|
? |
TD9746 |
• • FITTING, ELBOW - 90 DEG |
2 |
|
|
|
|
? |
HE5611 |
• • LOCKNUT - 3/8" - 16NC |
18 |
|
|
|
|
? |
TC0124 |
• • FLAT WASHER - 3/8" |
8 |
|
|
|
|
? |
VY4902 |
• • ELBOW - 90 DEG |
2 |
|
|
|
|
? |
VW0926 |
• • HOSE |
1 |
|
|
|
|
? |
HA0652 |
• • HOSE |
1 |
|
|
|
|
? |
VN7159 |
• • MACHINE SCREW - #6 - 24NC X 1 1/4" |
2 |
|
|
|
|
? |
SC0711 |
• • LOCKWASHER - #6 |
2 |
|
|
|
|
? |
PB6757 |
• • VALVE, REACTIONARY CONTROL |
1 |
|
|
|