| Номер на схеме | Каталожный номер | Название | Количество | Детали | |||
|---|---|---|---|---|---|---|---|
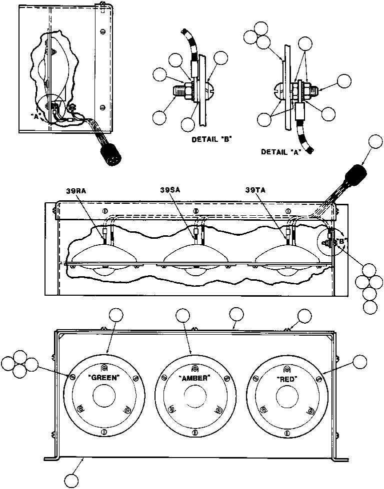
| ? | EB2846 | • LIGHT ASSM, GREEN | 1 | ||||
| ? | EB2847 | • • LIGHT ASSM, AMBER | 1 | ||||
| ? | EB2848 | • • LIGHT ASSM, RED | 1 | ||||
| ? | EB3791 | • • HARNESS, INDICATOR LIGHT | 1 | ||||
| ? | EB4080 | • • HOUSING, INDICATOR LIGHT | 1 | ||||
| ? | HD6007 | • • MACHINE SCREW - #10 - 24NC X 3/4" | 10 | ||||
| ? | DF0017 | • • NUT - #10 - 24NC | 13 | ||||
| ? | DC3101 | • • LOCKWASHER - #10 | 13 | ||||
| ? | VC5344 | • • FLAT WASHER - #10 | 1 | ||||
| ? | EB4084 | • • HOUSING, COVER | 1 | ||||
| ? | WA2853 | • • SCREW, SHEET METAL - #12 - 24NC X 5/8" | 7 | ||||
| ? | SD4245 | • • LOCKWASHER - #10 (EXTERNAL TOOTH) | 4 | ||||
| ? | SR6747 | • • BULB - 24V (REPLACEMENT FOR REF. #1, 2, 3) | 1 | ||||
| ? | • • (QUANTITIES SHOWN ARE FOR ONE ASSM ONLY) | 65535 |