| Наименование | Страница | Код страницы |
|---|---|---|
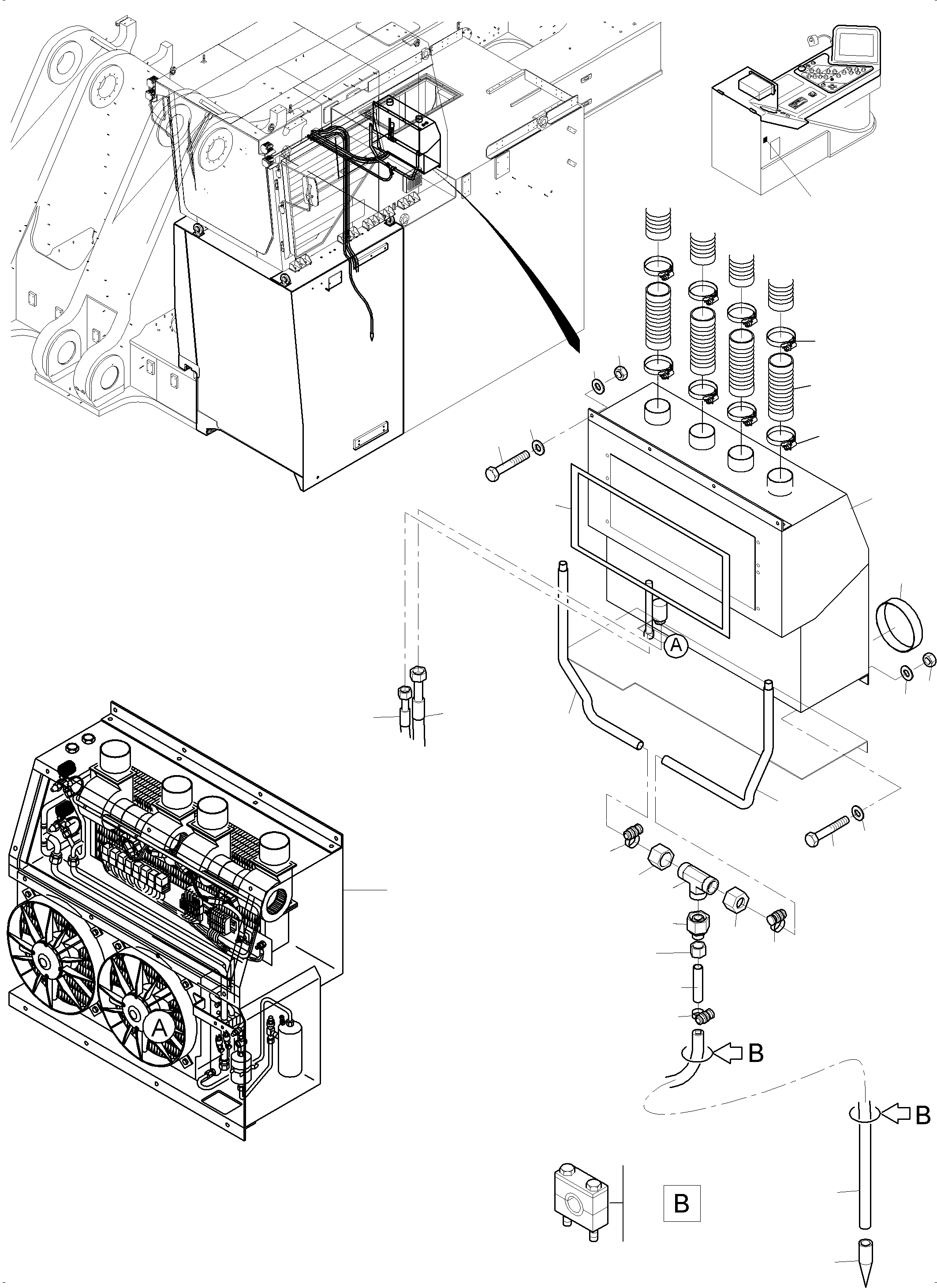
| Air Conditioning Unit | 991-1362a | 991-1362a |
| Номер на схеме | Каталожный номер | Название | Количество | Детали | |||
|---|---|---|---|---|---|---|---|
| ? | Sensor | 1 | EnglischBem: DeutschBem: DeutschDesc: Temperaturfьhler InternBDB: InternKon: SerienBem: Zwhead_Deu: Zwhead_Eng: |
||||
| ? | 513 745 98 | Bolt | 3 | EnglischBem: DeutschBem: DeutschDesc: Schraube InternBDB: InternKon: SerienBem: Zwhead_Deu: Zwhead_Eng: |
|||
| ? | 500 853 98 | Bolt | 4 | EnglischBem: DeutschBem: DeutschDesc: Schraube InternBDB: InternKon: SerienBem: Zwhead_Deu: Zwhead_Eng: |
|||
| ? | 510 682 98 | Washer | 7 | EnglischBem: DeutschBem: DeutschDesc: Scheibe InternBDB: InternKon: SerienBem: Zwhead_Deu: Zwhead_Eng: |
|||
| ? | 506 890 98 | Washer | 7 | EnglischBem: DeutschBem: DeutschDesc: Scheibe InternBDB: InternKon: SerienBem: Zwhead_Deu: Zwhead_Eng: |
|||
| ? | 512 543 98 | Nut | 7 | EnglischBem: DeutschBem: DeutschDesc: Mutter InternBDB: InternKon: SerienBem: Zwhead_Deu: Zwhead_Eng: |
|||
| ? | 799 519 73 | Seal | 1 | EnglischBem: DeutschBem: DeutschDesc: Dichtung InternBDB: InternKon: SerienBem: Zwhead_Deu: Zwhead_Eng: |
|||
| ? | Seal | 2 | EnglischBem: DeutschBem: DeutschDesc: Dichtung InternBDB: InternKon: SerienBem: Zwhead_Deu: Zwhead_Eng: |
||||
| ? | 374 933 99 | Clamp | 8 | EnglischBem: DeutschBem: DeutschDesc: Schelle InternBDB: InternKon: SerienBem: Zwhead_Deu: Zwhead_Eng: |
|||
| ? | 798 988 73 | Hose DN 100x1000 | 4 | EnglischBem: DeutschBem: DeutschDesc: Schlauch DN 100x1000 InternBDB: InternKon: SerienBem: Zwhead_Deu: Zwhead_Eng: |
|||
| ? | 655 730 40 | Hose | A/R | EnglischBem: DeutschBem: DeutschDesc: Schlauch InternBDB: InternKon: SerienBem: Zwhead_Deu: Zwhead_Eng: |
|||
| ? | 000 420 98 | Clamp | 2 | EnglischBem: DeutschBem: DeutschDesc: Schelle InternBDB: InternKon: SerienBem: Zwhead_Deu: Zwhead_Eng: |
|||
| ? | 951 139 40 | Hose assy. DN 12x9100 | 1 | EnglischBem: DeutschBem: DeutschDesc: Schlauchleitung kpl. DN 12x9100 InternBDB: InternKon: SerienBem: Zwhead_Deu: Zwhead_Eng: |
|||
| ? | 951 140 40 | Hose assy. DN 16x9200 | 1 | EnglischBem: DeutschBem: DeutschDesc: Schlauchleitung kpl. DN 16x9200 InternBDB: InternKon: SerienBem: Zwhead_Deu: Zwhead_Eng: |
|||
| ? | 516 635 98 | Socket | 1 | EnglischBem: DeutschBem: DeutschDesc: Stutzen InternBDB: InternKon: SerienBem: Zwhead_Deu: Zwhead_Eng: |
|||
| ? | 634 479 40 | Union | 1 | EnglischBem: DeutschBem: DeutschDesc: Verschraubung InternBDB: InternKon: SerienBem: Zwhead_Deu: Zwhead_Eng: |
|||
| ? | 215 813 99 | Pipe Ш20 | A/R | EnglischBem: DeutschBem: DeutschDesc: Rohr Ш20 InternBDB: InternKon: SerienBem: Zwhead_Deu: Zwhead_Eng: |
|||
| ? | 215 424 99 | Pipe Ш12 | A/R | EnglischBem: DeutschBem: DeutschDesc: Rohr Ш12 InternBDB: InternKon: SerienBem: Zwhead_Deu: Zwhead_Eng: |
|||
| ? | 932 910 40 | Drain water | 1 | EnglischBem: DeutschBem: DeutschDesc: Kondenswasserablauf InternBDB: InternKon: SerienBem: Zwhead_Deu: Zwhead_Eng: |
|||
| ? | 906 351 40 | Olive | 2 | EnglischBem: DeutschBem: DeutschDesc: Schneidring InternBDB: InternKon: SerienBem: Zwhead_Deu: Zwhead_Eng: |
|||
| ? | 906 347 40 | Olive | 1 | EnglischBem: DeutschBem: DeutschDesc: Schneidring InternBDB: InternKon: SerienBem: Zwhead_Deu: Zwhead_Eng: |
|||
| ? | 371 259 99 | Union nut | 1 | EnglischBem: DeutschBem: DeutschDesc: Ьberwurfmutter InternBDB: InternKon: SerienBem: Zwhead_Deu: Zwhead_Eng: |
|||
| ? | 371 260 99 | Union nut | 2 | EnglischBem: DeutschBem: DeutschDesc: Ьberwurfmutter InternBDB: InternKon: SerienBem: Zwhead_Deu: Zwhead_Eng: |
|||
| ? | 005 936 98 | Hose clip | 1 | EnglischBem: DeutschBem: DeutschDesc: Schlauchschelle InternBDB: InternKon: SerienBem: Zwhead_Deu: Zwhead_Eng: |
|||
| ? | 950 650 40 | Quick coupling | 2 | EnglischBem: DeutschBem: DeutschDesc: Schnellkupplung InternBDB: InternKon: SerienBem: Zwhead_Deu: Zwhead_Eng: |
|||
| ? | 517 120 98 | Lock washer | 14 | EnglischBem: DeutschBem: DeutschDesc: Sicherungsscheibe InternBDB: InternKon: SerienBem: Zwhead_Deu: Zwhead_Eng: |
|||
| ? | 509 057 98 | Clamp set | 7 | EnglischBem: DeutschBem: DeutschDesc: Klemmpaar InternBDB: InternKon: SerienBem: Zwhead_Deu: Zwhead_Eng: |
|||
| ? | 511 856 98 | Cover plate | 7 | EnglischBem: DeutschBem: DeutschDesc: Deckplatte InternBDB: InternKon: SerienBem: Zwhead_Deu: Zwhead_Eng: |
|||
| ? | 308 536 99 | Bolt | 14 | EnglischBem: DeutschBem: DeutschDesc: Schraube InternBDB: InternKon: SerienBem: Zwhead_Deu: Zwhead_Eng: |
|||
| ? | 941 868 40 | Clamp set | 7 | EnglischBem: DeutschBem: DeutschDesc: Klemmpaar InternBDB: InternKon: SerienBem: Zwhead_Deu: Zwhead_Eng: |
|||
| ? | 504 985 98 | Locking plate | 7 | EnglischBem: DeutschBem: DeutschDesc: Verdrehsicherung InternBDB: InternKon: SerienBem: Zwhead_Deu: Zwhead_Eng: |
|||
| ? | 504 986 98 | Screw | 14 | EnglischBem: DeutschBem: DeutschDesc: Aufbauschraube InternBDB: InternKon: SerienBem: Zwhead_Deu: Zwhead_Eng: |
|||
| ? | 951 113 40 | Hose assy. DN 12x2850 | 1 | EnglischBem: DeutschBem: DeutschDesc: Schlauchleitung kpl. DN 12x2850 InternBDB: InternKon: SerienBem: Zwhead_Deu: Zwhead_Eng: |
|||
| ? | 951 114 40 | Hose assy. DN 16x2850 | 1 | EnglischBem: DeutschBem: DeutschDesc: Schlauchleitung kpl. DN 16x2850 InternBDB: InternKon: SerienBem: Zwhead_Deu: Zwhead_Eng: |
|||
| ? | 518 547 98 | Lock washer | 34 | EnglischBem: DeutschBem: DeutschDesc: Sicherungsscheibe InternBDB: InternKon: SerienBem: Zwhead_Deu: Zwhead_Eng: |
|||
| ? | 332 113 99 | Nut | 8 | EnglischBem: DeutschBem: DeutschDesc: Mutter InternBDB: InternKon: SerienBem: Zwhead_Deu: Zwhead_Eng: |
|||
| ? | 307 777 99 | Bolt | 8 | EnglischBem: DeutschBem: DeutschDesc: Schraube InternBDB: InternKon: SerienBem: Zwhead_Deu: Zwhead_Eng: |
|||
| ? | 0443451910 | Clamp Ш 19 | 1 | EnglischBem: DeutschBem: DeutschDesc: Schelle Ш 19 InternBDB: InternKon: SerienBem: Zwhead_Deu: Zwhead_Eng: |
|||
| ? | 0443452511 | Clamp Ш 25,5 | 1 | EnglischBem: DeutschBem: DeutschDesc: Schelle Ш 25,5 InternBDB: InternKon: SerienBem: Zwhead_Deu: Zwhead_Eng: |