k-part
Номер на схеме Каталожный номер Название Количество Детали
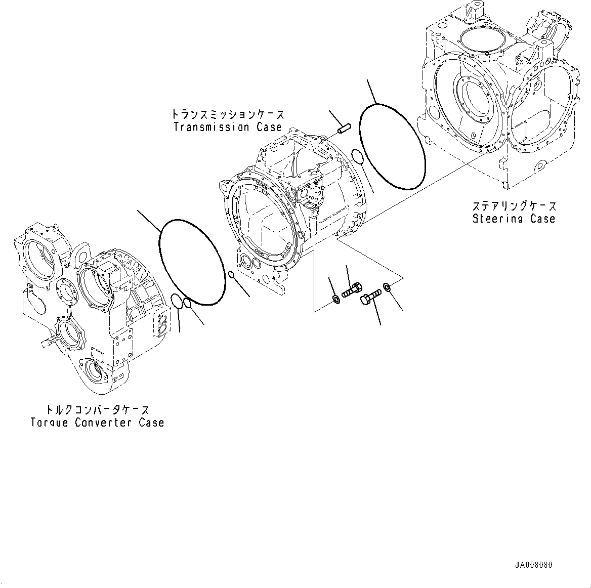
? 17A-22-40201 Power Train Assembly 1
SN: 100148-100209
KIT-FLAG: _-
SCC:
SERIALNO: 100148-100209
? 17M-15-45980 • O-ring 1
SN: 100148-100209
KIT-FLAG: _-
SCC:
SERIALNO: 100148-100209
? 07000-72085 • O-ring 1
SN: 100148-100209
KIT-FLAG: _-
SCC:
SERIALNO: 100148-100209
? 07000-72055 • O-ring 1
SN: 100148-100209
KIT-FLAG: _-
SCC:
SERIALNO: 100148-100209
? 01010-81240 • Bolt 18
SN: 100148-100209
KIT-FLAG: _-
SCC:
SERIALNO: 100148-100209
? 01643-31232 • Washer 18
SN: 100148-100209
KIT-FLAG: _-
SCC:
SERIALNO: 100148-100209
? 17M-15-45980 • O-ring 1
SN: 100148-100209
KIT-FLAG: _-
SCC:
SERIALNO: 100148-100209
? 07000-72085 • O-ring 1
SN: 100148-100209
KIT-FLAG: _-
SCC:
SERIALNO: 100148-100209
? 07000-73038 • O-ring 1
SN: 100148-100209
KIT-FLAG: _-
SCC:
SERIALNO: 100148-100209
? 01010-81235 • Bolt 19
SN: 100148-100209
KIT-FLAG: _-
SCC:
SERIALNO: 100148-100209
? 01643-31232 • Washer 19
SN: 100148-100209
KIT-FLAG: _-
SCC:
SERIALNO: 100148-100209
? 04020-01228 • Pin, Dowel 1
SN: 100148-100209
KIT-FLAG: _-
SCC:
SERIALNO: 100148-100209

Bulldozers Komatsu / D155AX-8 S/N 100001-UP (For Mosaic)(1001563C) / Power Train, Accessory (#100148-100209)(F002024 : F2300-002024)
?
?
?
?
?
?
?
?
?
?
?