| Номер на схеме | Каталожный номер | Название | Количество | Детали | |||
|---|---|---|---|---|---|---|---|
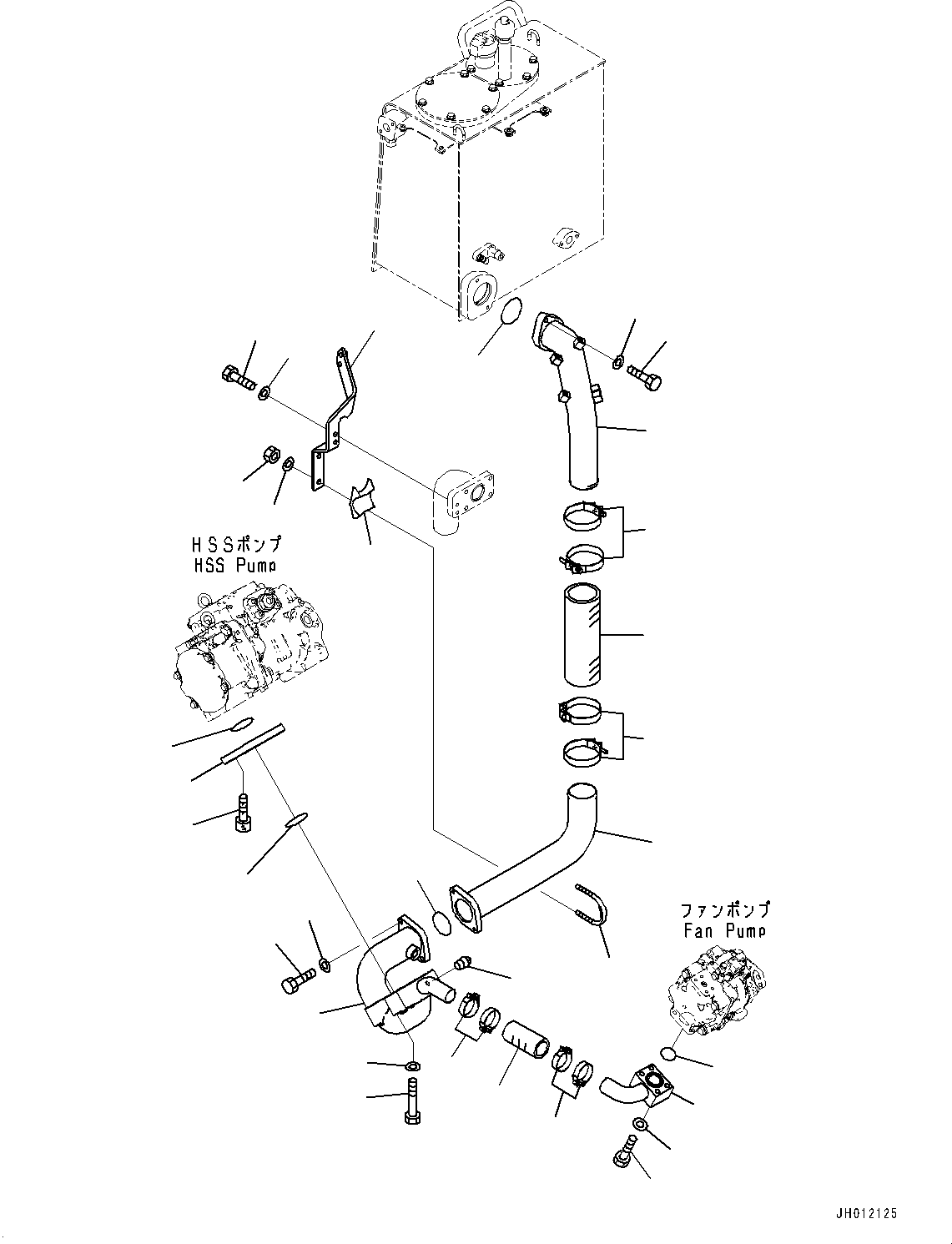
| ? | 17A-49-41251 | Flange | 1 | SN: 100001- KIT-FLAG: _- SCC: SERIALNO: 100001- |
|||
| ? | 07000-12080 | O-ring | 1 | SN: 100001- KIT-FLAG: _- SCC: SERIALNO: 100001- |
|||
| ? | 01252-61230 | Bolt, Hexagon Socket Head | 4 | SN: 100001- KIT-FLAG: _- SCC: SERIALNO: 100001- |
|||
| ? | 17A-49-51151 | Tube | 1 | SN: 100001- KIT-FLAG: _- SCC: SERIALNO: 100001- |
|||
| ? | 07042-70108 | Plug | 1 | SN: 100001- KIT-FLAG: _- SCC: SERIALNO: 100001- |
|||
| ? | 07000-12085 | O-ring | 1 | SN: 100001- KIT-FLAG: _- SCC: SERIALNO: 100001- |
|||
| ? | 01010-81285 | Bolt | 4 | SN: 100001- KIT-FLAG: _- SCC: SERIALNO: 100001- |
|||
| ? | 01643-31232 | Washer | 4 | SN: 100001- KIT-FLAG: _- SCC: SERIALNO: 100001- |
|||
| ? | 17A-49-41381 | Tube | 1 | SN: 100001- KIT-FLAG: _- SCC: SERIALNO: 100001- |
|||
| ? | 07000-12080 | O-ring | 1 | SN: 100001- KIT-FLAG: _- SCC: SERIALNO: 100001- |
|||
| ? | 01010-81250 | Bolt | 2 | SN: 100001- KIT-FLAG: _- SCC: SERIALNO: 100001- |
|||
| ? | 01643-31232 | Washer | 2 | SN: 100001- KIT-FLAG: _- SCC: SERIALNO: 100001- |
|||
| ? | 17A-49-41372 | Bracket | 1 | SN: 100001- KIT-FLAG: _- SCC: SERIALNO: 100001- |
|||
| ? | 07283-38981 | Clip, Pipe | 1 | SN: 100001- KIT-FLAG: _- SCC: SERIALNO: 100001- |
|||
| ? | 17A-49-41931 | Seat | 1 | SN: 100001- KIT-FLAG: _- SCC: SERIALNO: 100001- |
|||
| ? | 01597-01211 | Nut | 2 | SN: 100001- KIT-FLAG: _- SCC: SERIALNO: 100001- |
|||
| ? | 01643-31232 | Washer | 2 | SN: 100001- KIT-FLAG: _- SCC: SERIALNO: 100001- |
|||
| ? | 01010-81230 | Bolt | 2 | SN: 100001- KIT-FLAG: _- SCC: SERIALNO: 100001- |
|||
| ? | 01643-31232 | Washer | 2 | SN: 100001- KIT-FLAG: _- SCC: SERIALNO: 100001- |
|||
| ? | 17A-49-51161 | Tube | 1 | SN: 100001- KIT-FLAG: _- SCC: SERIALNO: 100001- |
|||
| ? | 07000-13048 | O-ring | 1 | SN: 100001- KIT-FLAG: _- SCC: SERIALNO: 100001- |
|||
| ? | 01010-81285 | Bolt | 4 | SN: 100001- KIT-FLAG: _- SCC: SERIALNO: 100001- |
|||
| ? | 01643-31232 | Washer | 4 | SN: 100001- KIT-FLAG: _- SCC: SERIALNO: 100001- |
|||
| ? | 07260-04714 | Hose | 1 | SN: 100001- KIT-FLAG: _- SCC: SERIALNO: 100001- |
|||
| ? | 21M-62-21550 | Clamp | 4 | SN: 100001- KIT-FLAG: _- SCC: SERIALNO: 100001- |
|||
| ? | 17A-60-51142 | Tube | 1 | SN: 100001- KIT-FLAG: _- SCC: SERIALNO: 100001- |
|||
| ? | 07000-12090 | O-ring | 1 | SN: 100001- KIT-FLAG: _- SCC: SERIALNO: 100001- |
|||
| ? | 01010-81245 | Bolt | 2 | SN: 100001- KIT-FLAG: _- SCC: SERIALNO: 100001- |
|||
| ? | 01643-31232 | Washer | 2 | SN: 100001- KIT-FLAG: _- SCC: SERIALNO: 100001- |
|||
| ? | 07260-08732 | Hose | 1 | SN: 100001- KIT-FLAG: _- SCC: SERIALNO: 100001- |
|||
| ? | 20Y-62-51671 | Clamp | 4 | SN: 100001- KIT-FLAG: _- SCC: SERIALNO: 100001- |