| Номер на схеме | Каталожный номер | Название | Количество | Детали | |||
|---|---|---|---|---|---|---|---|
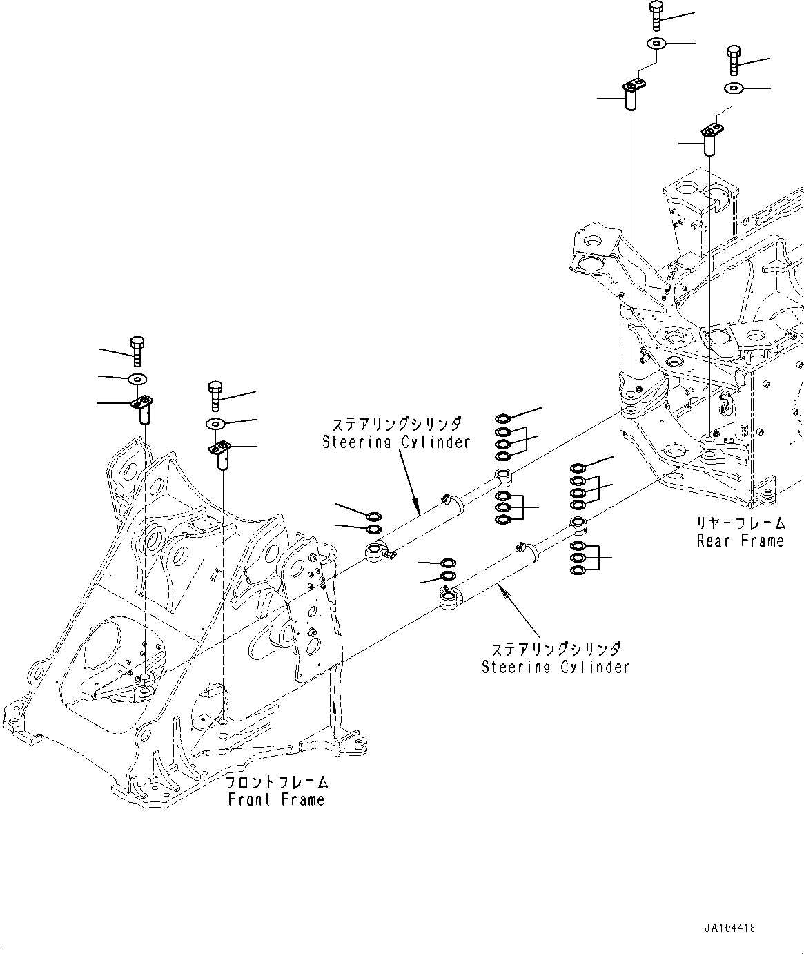
| ? | 421-46-21760 | PIN | 2 | SN: 1200001- SCC: SERIALNO: 1200001- |
|||
| ? | 01010-81220 | BOLT | 2 | SN: 1200001- SCC: SERIALNO: 1200001- |
|||
| ? | 175-54-34170 | WASHER | 2 | SN: 1200001- SCC: SERIALNO: 1200001- |
|||
| ? | 421-46-21760 | PIN | 2 | SN: 1200001- SCC: SERIALNO: 1200001- |
|||
| ? | 01010-81220 | BOLT | 2 | SN: 1200001- SCC: SERIALNO: 1200001- |
|||
| ? | 175-54-34170 | WASHER | 2 | SN: 1200001- SCC: SERIALNO: 1200001- |
|||
| ? | 421-46-11771 | SHIM, 1.000 MM | 14 | SN: 1200001- SCC: SERIALNO: 1200001- |
|||
| ? | 421-46-11781 | SHIM, 0.500 mm | 6 | SN: 1200001- SCC: SERIALNO: 1200001- |