k-part
Номер на схеме Каталожный номер Название Количество Детали
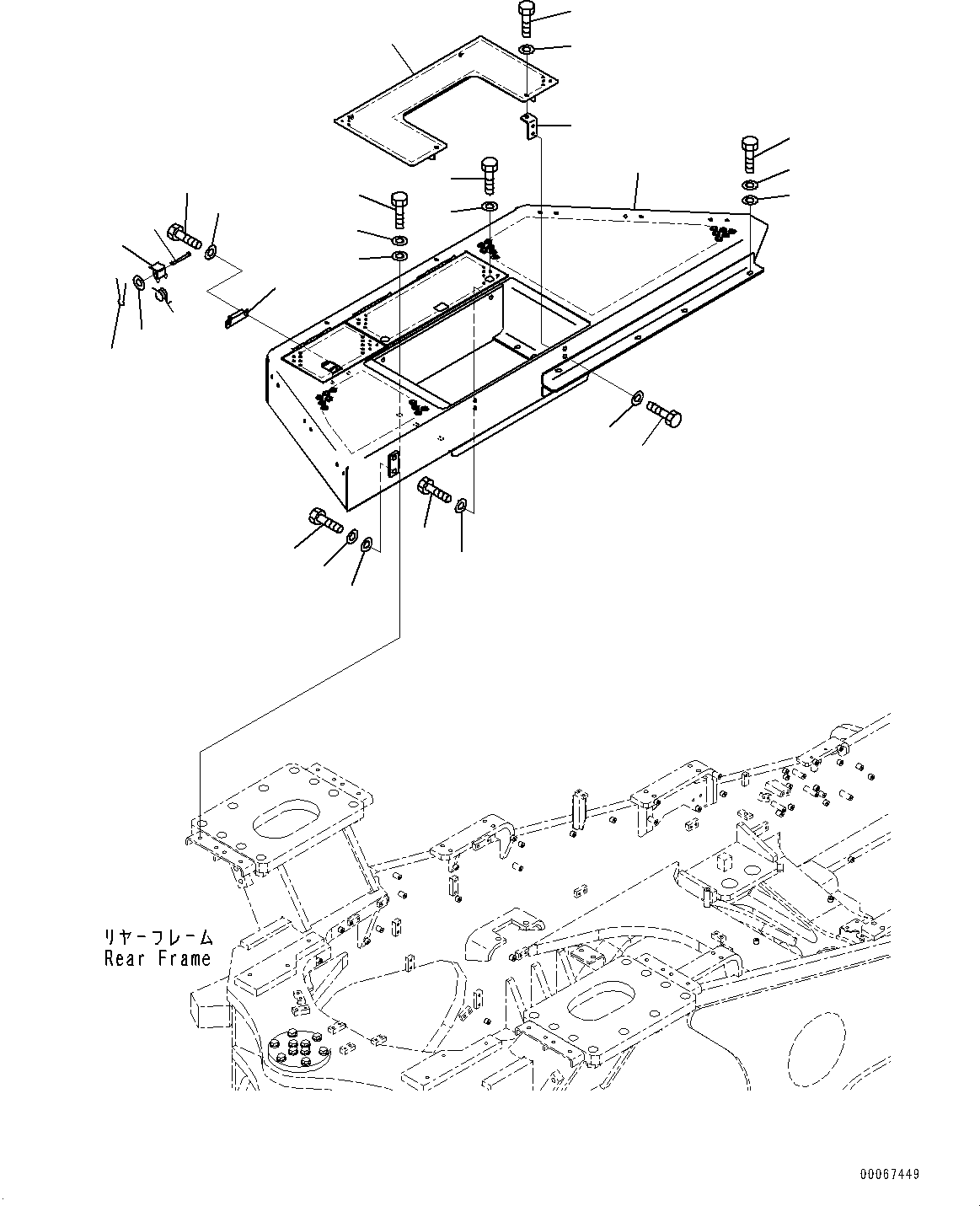
? 427-S05-5432 Frame, Floor 1
SN: 60078-
KIT-FLAG: _-
SCC:
SERIALNO: 60078-
? 427-S05-5431 Frame, Floor,R.H. 1
SN: 60078-60109
KIT-FLAG: _-
SCC: B1
SERIALNO: (60078-60109)
? 426-54-42271 Band 1
SN: 60078-
KIT-FLAG: _-
SCC:
SERIALNO: 60078-
? 01010-81025 Bolt 1
SN: 60078-
KIT-FLAG: _-
SCC:
SERIALNO: 60078-
? 01643-31032 Washer 1
SN: 60078-
KIT-FLAG: _-
SCC:
SERIALNO: 60078-
? 424-09-12650 Washer 1
SN: 60078-
KIT-FLAG: _-
SCC:
SERIALNO: 60078-
? 103-54-21160 Collar 1
SN: 60078-
KIT-FLAG: _-
SCC:
SERIALNO: 60078-
? 415-54-11610 Latch 1
SN: 60078-
KIT-FLAG: _-
SCC:
SERIALNO: 60078-
? 415-54-11620 Spring 1
SN: 60078-
KIT-FLAG: _-
SCC:
SERIALNO: 60078-
? 415-54-11630 Pin 1
SN: 60078-
KIT-FLAG: _-
SCC:
SERIALNO: 60078-
? 01643-30623 Washer 1
SN: 60078-
KIT-FLAG: _-
SCC:
SERIALNO: 60078-
? 04050-12015 Pin, Cotter 1
SN: 60078-
KIT-FLAG: _-
SCC:
SERIALNO: 60078-
? 415-54-11640 Plate 1
SN: 60078-
KIT-FLAG: _-
SCC:
SERIALNO: 60078-
? 427-54-25951 Cover 1
SN: 60078-
KIT-FLAG: _-
SCC:
SERIALNO: 60078-
? 01010-D1230 Bolt 4
SN: 60078-
KIT-FLAG: _-
SCC:
SERIALNO: 60078-
? 01643-71232 Washer 4
SN: 60078-
KIT-FLAG: _-
SCC:
SERIALNO: 60078-
? 427-54-26840 Plate 2
SN: 60078-
KIT-FLAG: _-
SCC:
SERIALNO: 60078-
? 01010-D1230 Bolt 4
SN: 60078-
KIT-FLAG: _-
SCC:
SERIALNO: 60078-
? 01643-71232 Washer 4
SN: 60078-
KIT-FLAG: _-
SCC:
SERIALNO: 60078-
? 41F-S05-1640 Bracket 1
SN: 60078-
KIT-FLAG: _-
SCC:
SERIALNO: 60078-
? 01010-81245 Bolt 4
SN: 60078-
KIT-FLAG: _-
SCC:
SERIALNO: 60078-
? 01643-31232 Washer 4
SN: 60078-
KIT-FLAG: _-
SCC:
SERIALNO: 60078-
? 01010-81230 Bolt 2
SN: 60078-
KIT-FLAG: _-
SCC:
SERIALNO: 60078-
? 01643-31232 Washer 2
SN: 60078-
KIT-FLAG: _-
SCC:
SERIALNO: 60078-
? 01010-81435 Bolt 6
SN: 60078-
KIT-FLAG: _-
SCC:
SERIALNO: 60078-
? 01643-31445 Washer, Flat 6
SN: 60078-
KIT-FLAG: _-
SCC:
SERIALNO: 60078-
? 01010-D1225 Bolt 2
SN: 60078-
KIT-FLAG: _-
SCC:
SERIALNO: 60078-
? 01643-71232 Washer 2
SN: 60078-
KIT-FLAG: _-
SCC:
SERIALNO: 60078-
? 01010-81240 Bolt 6
SN: 60078-
KIT-FLAG: _-
SCC:
SERIALNO: 60078-
? 01643-31232 Washer 6
SN: 60078-
KIT-FLAG: _-
SCC:
SERIALNO: 60078-
? 01010-81240 Bolt 3
SN: 60078-
KIT-FLAG: _-
SCC:
SERIALNO: 60078-
? 01643-31232 Washer 3
SN: 60078-
KIT-FLAG: _-
SCC:
SERIALNO: 60078-
? 124-54-26540 Washer 11
SN: 60078-
KIT-FLAG: _-
SCC:
SERIALNO: 60078-
? 01010-D1225 Bolt 2
SN: 60078-
KIT-FLAG: _-
SCC:
SERIALNO: 60078-
? 01643-71232 Washer 2
SN: 60078-
KIT-FLAG: _-
SCC:
SERIALNO: 60078-
? 01010-D1225 Bolt 2
SN: 60078-
KIT-FLAG: _-
SCC:
SERIALNO: 60078-
? 01643-71232 Washer 2
SN: 60078-
KIT-FLAG: _-
SCC:
SERIALNO: 60078-

Wheel Loaders Komatsu / WA900-3E0 S/N 60078-UP(0000557C) / Rear Fender and Ladder, Floor Frame, R.H. (#60078-)(M020002 : M4310-007002)
?
?
?
?
?
?
?
?
?
?
?
?
?
?
?
?
?
?
?
?
?
?
?
?
?
?
?
?
?
?
?
?
?
?
?
?
?
?
?
?