k-part
Номер на схеме Каталожный номер Название Количество Детали
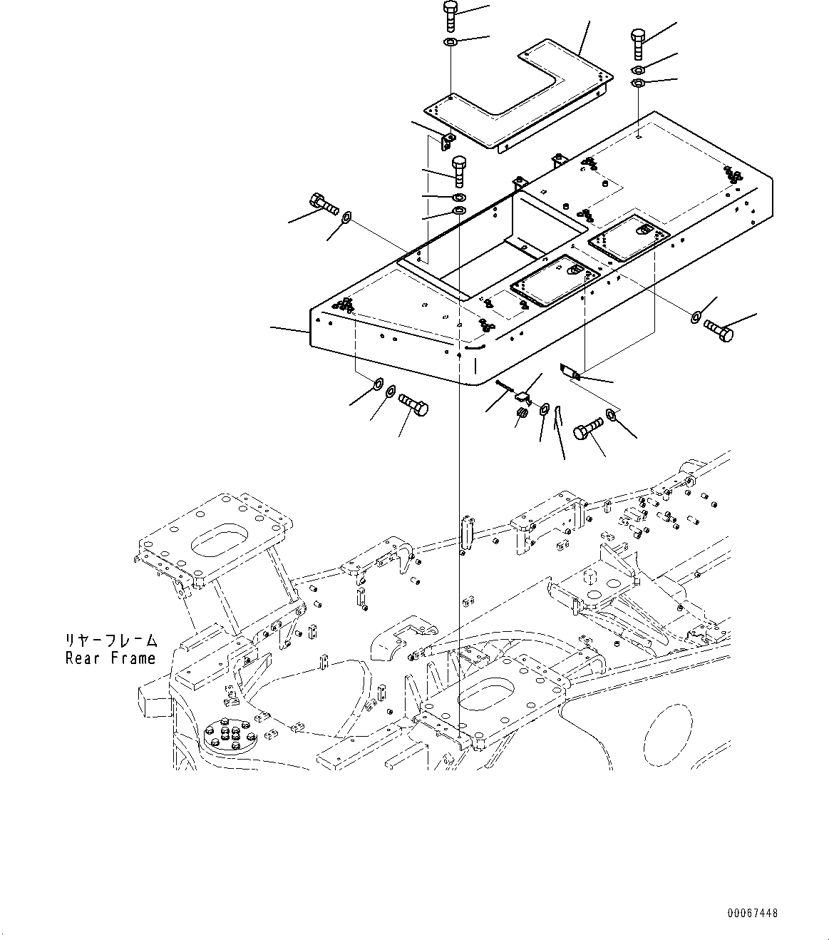
? 427-S05-6470 Frame, Floor,L.H. 1
SN: 60078-
KIT-FLAG: _-
SCC:
SERIALNO: 60078-
? 415-54-11610 Latch 2
SN: 60078-
KIT-FLAG: _-
SCC:
SERIALNO: 60078-
? 415-54-11620 Spring 2
SN: 60078-
KIT-FLAG: _-
SCC:
SERIALNO: 60078-
? 415-54-11630 Pin 2
SN: 60078-
KIT-FLAG: _-
SCC:
SERIALNO: 60078-
? 01643-30623 Washer 2
SN: 60078-
KIT-FLAG: _-
SCC:
SERIALNO: 60078-
? 04050-12015 Pin, Cotter 2
SN: 60078-
KIT-FLAG: _-
SCC:
SERIALNO: 60078-
? 415-54-11640 Plate 2
SN: 60078-
KIT-FLAG: _-
SCC:
SERIALNO: 60078-
? 01010-D1225 Bolt 4
SN: 60078-
KIT-FLAG: _-
SCC:
SERIALNO: 60078-
? 01643-71232 Washer 4
SN: 60078-
KIT-FLAG: _-
SCC:
SERIALNO: 60078-
? 427-54-25951 Cover 1
SN: 60078-
KIT-FLAG: _-
SCC:
SERIALNO: 60078-
? 01010-D1230 Bolt 4
SN: 60078-
KIT-FLAG: _-
SCC:
SERIALNO: 60078-
? 01643-71232 Washer 4
SN: 60078-
KIT-FLAG: _-
SCC:
SERIALNO: 60078-
? 427-54-26840 Plate 2
SN: 60078-
KIT-FLAG: _-
SCC:
SERIALNO: 60078-
? 01010-D1230 Bolt 4
SN: 60078-
KIT-FLAG: _-
SCC:
SERIALNO: 60078-
? 01643-71232 Washer 4
SN: 60078-
KIT-FLAG: _-
SCC:
SERIALNO: 60078-
? 01010-81250 Bolt 2
SN: 60078-
KIT-FLAG: _-
SCC:
SERIALNO: 60078-
? 01643-31232 Washer 2
SN: 60078-
KIT-FLAG: _-
SCC:
SERIALNO: 60078-
? 01010-81240 Bolt 6
SN: 60078-
KIT-FLAG: _-
SCC:
SERIALNO: 60078-
? 01643-31232 Washer 6
SN: 60078-
KIT-FLAG: _-
SCC:
SERIALNO: 60078-
? 01010-81240 Bolt 3
SN: 60078-
KIT-FLAG: _-
SCC:
SERIALNO: 60078-
? 01643-31232 Washer 3
SN: 60078-
KIT-FLAG: _-
SCC:
SERIALNO: 60078-
? 124-54-26540 Washer 11
SN: 60078-
KIT-FLAG: _-
SCC:
SERIALNO: 60078-

Wheel Loaders Komatsu / WA900-3E0 S/N 60078-UP(0000557C) / Rear Fender and Ladder, Floor Frame, L.H. (#60078-)(M019001 : M4310-005001)
?
?
?
?
?
?
?
?
?
?
?
?
?
?
?
?
?
?
?
?
?
?
?
?
?
?