k-part
Номер на схеме Каталожный номер Название Количество Детали
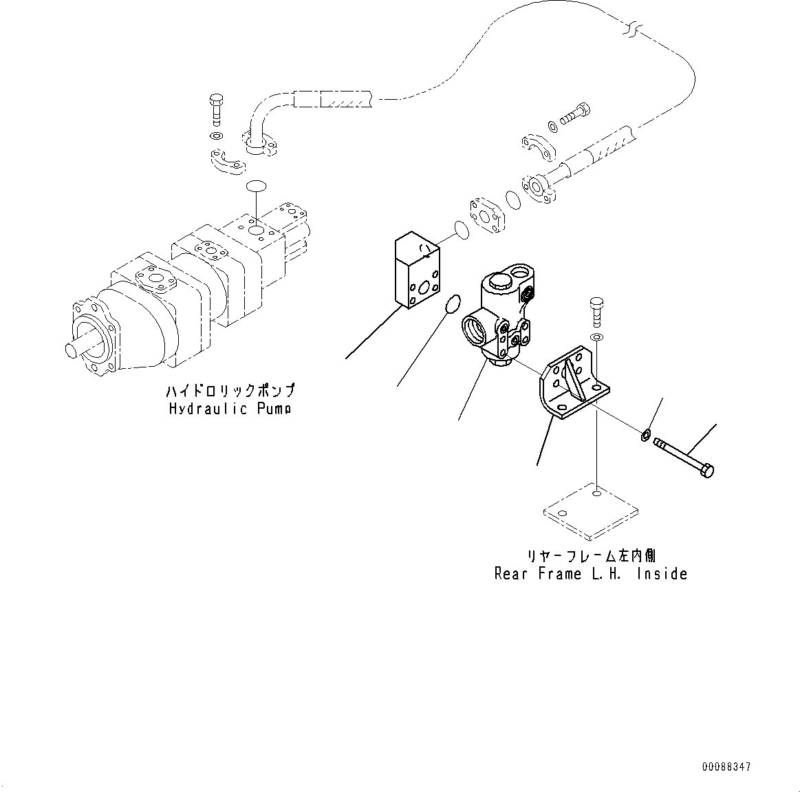
? 427-S05-4840 Block 1
SN: 60078-
KIT-FLAG: _-
SCC:
SERIALNO: 60078-
? 07000-F3038 O-ring 1
SN: 60078-
KIT-FLAG: _-
SCC:
SERIALNO: 60078-
? 427-64-25100 Flow Divider 1
SN: 60078-
KIT-FLAG: _-
SCC:
SERIALNO: 60078-
? 427-S05-2620 Bracket 1
SN: 60078-
KIT-FLAG: _-
SCC:
SERIALNO: 60078-
? 01011-81200 Bolt 4
SN: 60078-
KIT-FLAG: _-
SCC:
SERIALNO: 60078-
? 01643-31232 Washer 4
SN: 60078-
KIT-FLAG: _-
SCC:
SERIALNO: 60078-

Wheel Loaders Komatsu / WA900-3E0 S/N 60078-UP(0000557C) / Hydraulic Piping, Flow Divider (#60078-)(H025040 : H4200-009040)
?
?
?
?
?
?