k-part
Номер на схеме Каталожный номер Название Количество Детали
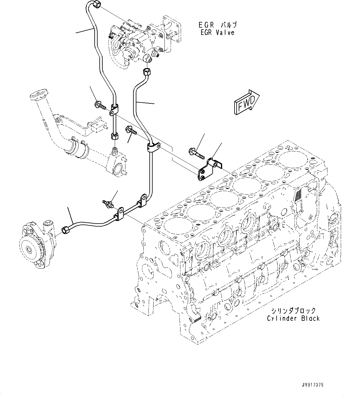
? 6755-51-9830 Tube 1
SN: 26634517-
KIT-FLAG: _-
SCC:
SERIALNO: 26634517-
? 6755-51-9840 Tube 1
SN: 26634517-
KIT-FLAG: _-
SCC:
SERIALNO: 26634517-
? 6755-51-9850 Brace 1
SN: 26634517-
KIT-FLAG: _-
SCC:
SERIALNO: 26634517-
? 6732-61-3170 Bolt 1
SN: 26634517-
KIT-FLAG: _-
SCC:
SERIALNO: 26634517-
? 01435-00825 Bolt 2
SN: 26634517-
KIT-FLAG: _-
SCC:
SERIALNO: 26634517-
? 6754-21-1910 Bolt 2
SN: 26634517-
KIT-FLAG: _-
SCC:
SERIALNO: 26634517-

Engines Komatsu / SAA6D107E-3E S/N 26634517-UP (For WA380-8)(WA00008H) / Hydraulic Pump Piping(E010001 : AHD20-001001)
?
?
?
?
?
?
?
?