k-part
Номер на схеме Каталожный номер Название Количество Детали
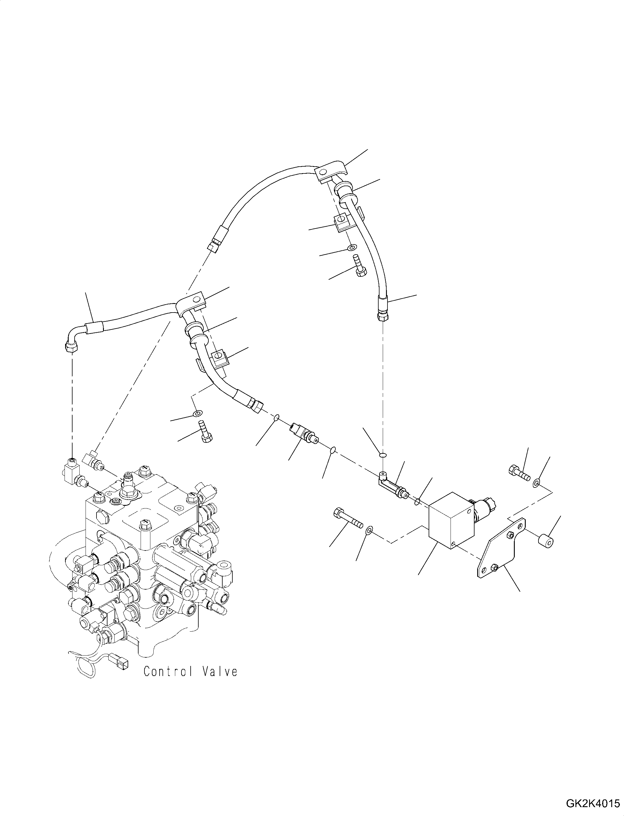
? 04434-51610 Clip 2
SN: H70051-@
KIT-FLAG: _-
SCC:
SERIALNO: H70051-@
? 04434-52110 Clip 1
SN: H70051-@
KIT-FLAG: _-
SCC:
SERIALNO: H70051-@
? 07095-20314 Cushion 1
SN: H70051-@
KIT-FLAG: _-
SCC:
SERIALNO: H70051-@
? 01010-81020 Bolt 2
SN: H70051-@
KIT-FLAG: _-
SCC:
SERIALNO: H70051-@
? 01643-31032 Washer 2
SN: H70051-@
KIT-FLAG: _-
SCC:
SERIALNO: H70051-@
? 11Y-09-11140 Clip 1
SN: H70051-@
KIT-FLAG: _-
SCC:
SERIALNO: H70051-@

Wheel Loaders Komatsu / WA320-8 S/N H70051-UP(WA00019H) / Hydraulic Piping, with Quick Coupler, without Boom Piping, Breather Hose Mounting (#H70051-)(H012020 : H4200-002020)
?
?
?
?
?
?
?
?