k-part
Номер на схеме Каталожный номер Название Количество Детали
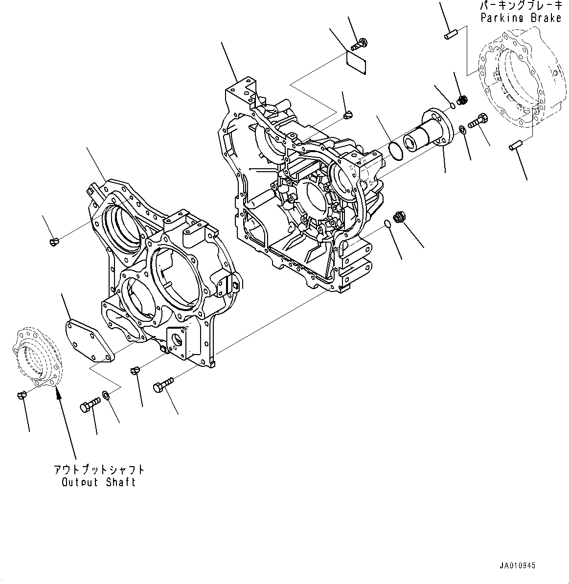
? 419-17-51001 Transfer Assembly 1
SN: H70051-
KIT-FLAG: _-
SCC:
SERIALNO: H70051-
? 419-17-51101 • Case Assembly 1
SN: H70051-
KIT-FLAG: _-
SCC:
SERIALNO: H70051-
? • • Case, Front 1
SN: H70051-
KIT-FLAG: _-
SCC: C1
SERIALNO: H70051-
? • • Case, Rear 1
SN: H70051-
KIT-FLAG: _-
SCC: C1
SERIALNO: H70051-
? 01010-81235 • Bolt 24
SN: H70051-
KIT-FLAG: _-
SCC:
SERIALNO: H70051-
? 419-17-59420 • Cover 1
SN: H70051-
KIT-FLAG: _-
SCC:
SERIALNO: H70051-
? 01010-81245 • Bolt 5
SN: H70051-
KIT-FLAG: _-
SCC:
SERIALNO: H70051-
? 01643-31232 • Washer 5
SN: H70051-
KIT-FLAG: _-
SCC:
SERIALNO: H70051-
? 04020-01228 • Pin, Dowel 2
SN: H70051-
KIT-FLAG: _-
SCC:
SERIALNO: H70051-
? 419-17-52810 • Shaft 1
SN: H70051-
KIT-FLAG: _-
SCC:
SERIALNO: H70051-
? 07000-A2055 • O-Ring 1
SN: H70051-
KIT-FLAG: _-
SCC:
SERIALNO: H70051-
? 01010-81245 • Bolt 3
SN: H70051-
KIT-FLAG: _-
SCC:
SERIALNO: H70051-
? 01643-31232 • Washer 3
SN: H70051-
KIT-FLAG: _-
SCC:
SERIALNO: H70051-
? 708-8E-16150 • Plug 2
SN: H70051-
KIT-FLAG: _-
SCC:
SERIALNO: H70051-
? 07002-61023 • O-Ring 2
SN: H70051-
KIT-FLAG: _-
SCC:
SERIALNO: H70051-
? (09608-05080) • Plate, Name (Limited Supply) 1
SN: H70051-
KIT-FLAG: _-
SCC: C2
SERIALNO: H70051-
? 04418-13060 • Screw 4
SN: H70051-
KIT-FLAG: _-
SCC:
SERIALNO: H70051-
? 07049-01215 • Plug 9
SN: H70051-
KIT-FLAG: _-
SCC:
SERIALNO: H70051-
? 07044-12412 • Plug 1
SN: H70051-
KIT-FLAG: _-
SCC:
SERIALNO: H70051-
? 07002-62434 • O-Ring 1
SN: H70051-
KIT-FLAG: _-
SCC:
SERIALNO: H70051-

Wheel Loaders Komatsu / WA320-8 S/N H70051-UP(WA00019H) / Transfer, Case(F001001 : F2420-001001)
?
?
?
?
?
?
?
?
?
?
?
?
?
?
?
?
?
?
?
?
?
?