| Номер на схеме | Каталожный номер | Название | Количество | Детали | |||
|---|---|---|---|---|---|---|---|
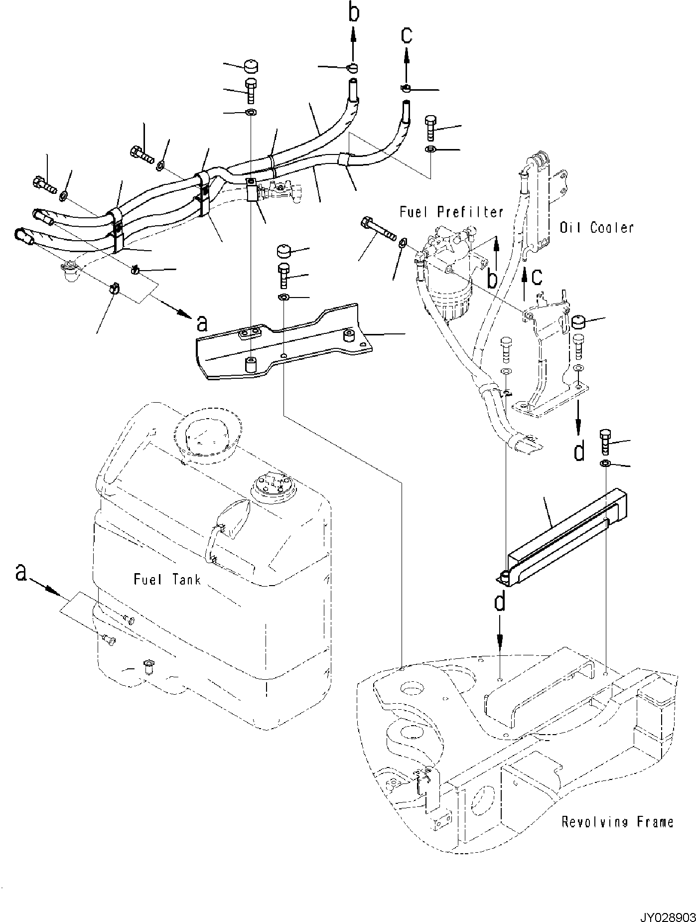
| ? | 01020-00895 | BOLT | 2 | SN: F60001- |
|||
| ? | 01643-30823 | WASHER | 2 | SN: F60001- |
|||
| ? | 22N-46-52210 | BRACKET | 1 | SN: F60001- |
|||
| ? | 01010-81025 | BOLT | 2 | SN: F60001- |
|||
| ? | 01643-31032 | WASHER | 2 | SN: F60001- |
|||
| ? | 22N-04-51320 | HOSE, ASSEMBLY | 1 | SN: F60001- |
|||
| ? | 07285-00150 | CLIP, HOSE | 2 | SN: F60001- |
|||
| ? | 22N-04-51330 | HOSE, ASSEMBLY | 1 | SN: F60001- |
|||
| ? | 22N-04-51210 | CLIP | 2 | SN: F60001- |
|||
| ? | 04434-51910 | CLAMP | 1 | SN: F60001- |
|||
| ? | 04435-52511 | CLAMP | 1 | SN: F60001- |
|||
| ? | 01010-81020 | BOLT | 1 | SN: F60001- |
|||
| ? | 01643-31032 | WASHER | 1 | SN: F60001- |
|||
| ? | 04434-51910 | CLAMP | 1 | SN: F60001- |
|||
| ? | 04435-52511 | CLAMP | 1 | SN: F60001- |
|||
| ? | 01010-81025 | BOLT | 1 | SN: F60001- |
|||
| ? | 01643-31032 | WASHER | 1 | SN: F60001- |
|||
| ? | 04434-51910 | CLAMP | 1 | SN: F60001- |
|||
| ? | 01010-81020 | BOLT | 1 | SN: F60001- |
|||
| ? | 01643-31032 | WASHER | 1 | SN: F60001- |
|||
| ? | 04434-52310 | CLAMP | 1 | SN: F60001- |
|||
| ? | 3BA-47-74350 | CAP | 3 | SN: F60001- |
|||
| ? | 01010-81020 | BOLT | 1 | SN: F60001- |
|||
| ? | 01643-31032 | WASHER | 1 | SN: F60001- |
|||
| ? | 22N-03-51370 | BRACKET | 1 | SN: F60001- |
|||
| ? | 01010-81020 | BOLT | 1 | SN: F60001- |
|||
| ? | 01643-31032 | WASHER | 1 | SN: F60001- |
|||
| ? | 08034-40521 | BAND | 1 | SN: F60001- |