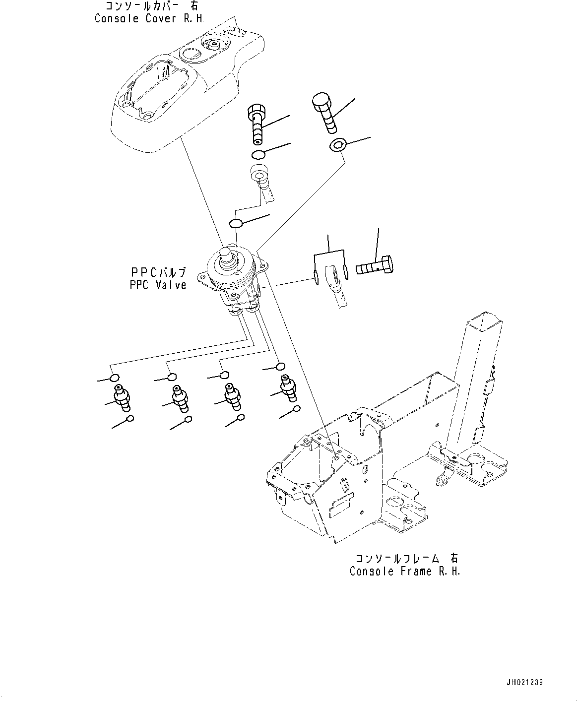
| Номер на схеме | Каталожный номер | Название | Количество | Детали | |||
|---|---|---|---|---|---|---|---|
| ? | 01010-80820 | Bolt | 4 | SN: K75001- KIT-FLAG: _- SCC: SERIALNO: K75001- |
|||
| ? | 01643-30823 | Washer | 4 | SN: K75001- KIT-FLAG: _- SCC: SERIALNO: K75001- |
|||
| ? | 20Y-62-18910 | Plug | 1 | SN: K75001- KIT-FLAG: _- SCC: SERIALNO: K75001- |
|||
| ? | 07000-12018 | O-Ring | 2 | SN: K75001- KIT-FLAG: _- SCC: SERIALNO: K75001- |
|||
| ? | 20Y-62-18890 | Bolt, Joint | 1 | SN: K75001- KIT-FLAG: _- SCC: SERIALNO: K75001- |
|||
| ? | 07000-12015 | O-Ring | 2 | SN: K75001- KIT-FLAG: _- SCC: SERIALNO: K75001- |
|||
| ? | 11Y-62-12130 | Nipple | 1 | SN: K75001- KIT-FLAG: _- SCC: SERIALNO: K75001- |
|||
| ? | 02896-11008 | O-Ring | 1 | SN: K75001- KIT-FLAG: _- SCC: SERIALNO: K75001- |
|||
| ? | 11Y-62-12520 | Union | 3 | SN: K75001- KIT-FLAG: _- SCC: SERIALNO: K75001- |
|||
| ? | 02896-11009 | O-Ring | 3 | SN: K75001- KIT-FLAG: _- SCC: SERIALNO: K75001- |
|||
| ? | 07002-11423 | O-Ring | 4 | SN: K75001- KIT-FLAG: _- SCC: SERIALNO: K75001- |