| Номер на схеме | Каталожный номер | Название | Количество | Детали | |||
|---|---|---|---|---|---|---|---|
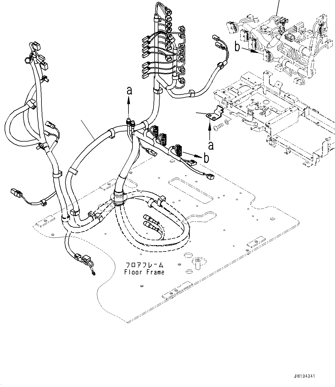
| ? | 2A6-06-21750 | Wiring Harness | 1 | SN: K75001- KIT-FLAG: _- SCC: SERIALNO: K75001- |
|||
| ? | 2A5-06-28311 | Plate | 1 | SN: K75001- KIT-FLAG: _- SCC: SERIALNO: K75001- |
|||
| ? | (2A7-06-16320) | Wiring Harness | KIT-FLAG: _- SCC: SERIALNO: - |
K1110-009072 |