| Номер на схеме | Каталожный номер | Название | Количество | Детали | |||
|---|---|---|---|---|---|---|---|
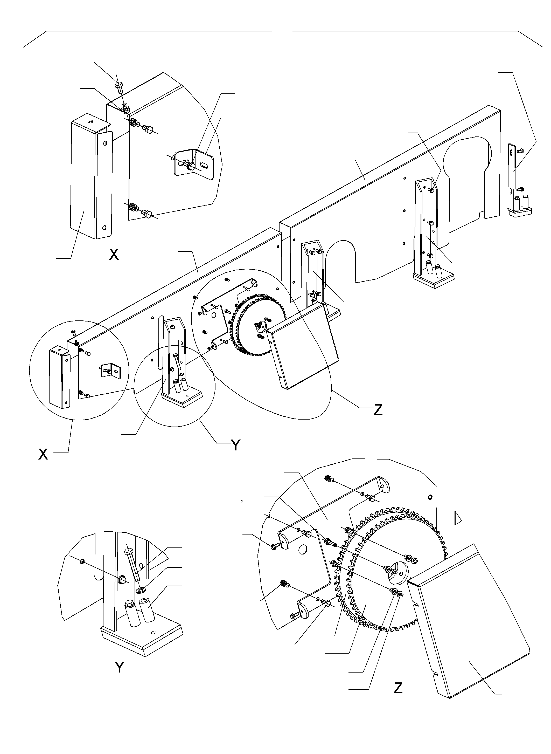
| ? | 993 162 40 | Beam assy. | 1 | EnglischBem: DeutschBem: DeutschDesc: Kabeltrommel kpl. InternBDB: InternKon: SerienBem: Zwhead_Deu: Zwhead_Eng: |
|||
| ? | 978 530 40 | Carrier assy. | 1 | EnglischBem: DeutschBem: DeutschDesc: Trдger kpl. InternBDB: InternKon: SerienBem: Zwhead_Deu: Zwhead_Eng: |
|||
| ? | chain cover incl fig nos 101-124 | 1 | EnglischBem: DeutschBem: DeutschDesc: Kettenabdeckung einschl. Bild Nr. 101-124 InternBDB: InternKon: SerienBem: Zwhead_Deu: Zwhead_Eng: |
||||
| ? | 813 087 73 | drive motor with gearbox | 1 | EnglischBem: DeutschBem: DeutschDesc: Antriebsmotor m. Getriebe InternBDB: InternKon: SerienBem: Zwhead_Deu: Zwhead_Eng: |
|||
| ? | 813 088 73 | rotor resistor assy. D17 | 1 | EnglischBem: DeutschBem: DeutschDesc: Laeuferwiderstand D17 InternBDB: InternKon: SerienBem: Zwhead_Deu: Zwhead_Eng: |
|||
| ? | 307 785 99 | hexagon head bolt | 4 | EnglischBem: DeutschBem: DeutschDesc: Sechskantschraube InternBDB: InternKon: SerienBem: Zwhead_Deu: Zwhead_Eng: |
|||
| ? | 340 465 99 | washer | 4 | EnglischBem: DeutschBem: DeutschDesc: Scheibe InternBDB: InternKon: SerienBem: Zwhead_Deu: Zwhead_Eng: |
|||
| ? | resilient sleeve | 4 | EnglischBem: DeutschBem: DeutschDesc: Dehnhьlse InternBDB: InternKon: SerienBem: Zwhead_Deu: Zwhead_Eng: |
||||
| ? | holder | 2 | EnglischBem: DeutschBem: DeutschDesc: Halterung Lauferwiderstand InternBDB: InternKon: SerienBem: Zwhead_Deu: Zwhead_Eng: |
||||
| ? | hexagon head bolt | 6 | EnglischBem: DeutschBem: DeutschDesc: Sechskantschraube (kaltzдh) InternBDB: InternKon: SerienBem: Zwhead_Deu: Zwhead_Eng: |
||||
| ? | washer | 12 | EnglischBem: DeutschBem: DeutschDesc: Scheibe InternBDB: InternKon: SerienBem: Zwhead_Deu: Zwhead_Eng: |
||||
| ? | 510 732 98 | resilient sleeve | 10 | EnglischBem: DeutschBem: DeutschDesc: Dehnhьlse InternBDB: InternKon: SerienBem: Zwhead_Deu: Zwhead_Eng: |
|||
| ? | hexagon head bolt | 12 | EnglischBem: DeutschBem: DeutschDesc: Sechskantschraube (kaltzдh) InternBDB: InternKon: SerienBem: Zwhead_Deu: Zwhead_Eng: |
||||
| ? | Lock washer | 8 | EnglischBem: DeutschBem: DeutschDesc: Ripplock Scheibe InternBDB: InternKon: SerienBem: Zwhead_Deu: Zwhead_Eng: |
||||
| ? | hexagon nut | 4 | EnglischBem: DeutschBem: DeutschDesc: Sechskantmutter InternBDB: InternKon: SerienBem: Zwhead_Deu: Zwhead_Eng: |
||||
| ? | hexagon head bolt | 1 | EnglischBem: DeutschBem: DeutschDesc: Sechskantschraube InternBDB: InternKon: SerienBem: Zwhead_Deu: Zwhead_Eng: |
||||
| ? | lock washer | 1 | EnglischBem: DeutschBem: DeutschDesc: Federring InternBDB: InternKon: SerienBem: Zwhead_Deu: Zwhead_Eng: |
||||
| ? | washer | 1 | EnglischBem: DeutschBem: DeutschDesc: Scheibe InternBDB: InternKon: SerienBem: Zwhead_Deu: Zwhead_Eng: |
||||
| ? | head cap screw | 6 | EnglischBem: DeutschBem: DeutschDesc: Zylinderschraube InternBDB: InternKon: SerienBem: Zwhead_Deu: Zwhead_Eng: |
||||
| ? | washer | 14 | EnglischBem: DeutschBem: DeutschDesc: Scheibe InternBDB: InternKon: SerienBem: Zwhead_Deu: Zwhead_Eng: |
||||
| ? | sprocket | 1 | EnglischBem: DeutschBem: DeutschDesc: Kettenrad InternBDB: InternKon: SerienBem: Zwhead_Deu: Zwhead_Eng: |
||||
| ? | clutch | 1 | EnglischBem: DeutschBem: DeutschDesc: SecMatic - Kupplung InternBDB: InternKon: SerienBem: Zwhead_Deu: Zwhead_Eng: |
||||
| ? | bushing | 1 | EnglischBem: DeutschBem: DeutschDesc: Buchse InternBDB: InternKon: SerienBem: Zwhead_Deu: Zwhead_Eng: |
||||
| ? | 769 095 73 | Crank | 1 | EnglischBem: DeutschBem: DeutschDesc: Drehschlьssel InternBDB: InternKon: SerienBem: Zwhead_Deu: Zwhead_Eng: |
|||
| ? | hexagon head bolt | 12 | EnglischBem: DeutschBem: DeutschDesc: Sechskantschraube (kaltzдh) InternBDB: InternKon: SerienBem: Zwhead_Deu: Zwhead_Eng: |
||||
| ? | 813 089 73 | chain | 1 | EnglischBem: DeutschBem: DeutschDesc: Rollenkette InternBDB: InternKon: SerienBem: Zwhead_Deu: Zwhead_Eng: |
|||
| ? | 799 063 73 | chain | 1 | EnglischBem: DeutschBem: DeutschDesc: Rollenkette InternBDB: InternKon: SerienBem: Zwhead_Deu: Zwhead_Eng: |
|||
| ? | track adjuster output assy. | 1 | EnglischBem: DeutschBem: DeutschDesc: Kettenspanner Abtrieb kpl. InternBDB: InternKon: SerienBem: Zwhead_Deu: Zwhead_Eng: |
||||
| ? | sprocket | 1 | EnglischBem: DeutschBem: DeutschDesc: Kettenrad InternBDB: InternKon: SerienBem: Zwhead_Deu: Zwhead_Eng: |
||||
| ? | lock washer | 36 | EnglischBem: DeutschBem: DeutschDesc: Ripplock-Scheibe InternBDB: InternKon: SerienBem: Zwhead_Deu: Zwhead_Eng: |
||||
| ? | 307 754 99 | hexagon head bolt | 8 | EnglischBem: DeutschBem: DeutschDesc: Sechskantschraube InternBDB: InternKon: SerienBem: Zwhead_Deu: Zwhead_Eng: |
|||
| ? | lock washer | 2 | EnglischBem: DeutschBem: DeutschDesc: Ripplock-Scheibe InternBDB: InternKon: SerienBem: Zwhead_Deu: Zwhead_Eng: |
||||
| ? | Bolt | 7 | EnglischBem: DeutschBem: DeutschDesc: Schraube InternBDB: InternKon: SerienBem: Zwhead_Deu: Zwhead_Eng: |
||||
| ? | holder for track adjuster output | 1 | EnglischBem: DeutschBem: DeutschDesc: Halter fьr Kettenspanner Abtrieb InternBDB: InternKon: SerienBem: Zwhead_Deu: Zwhead_Eng: |
||||
| ? | hexagonal nut | 10 | EnglischBem: DeutschBem: DeutschDesc: Sechskantmutter InternBDB: InternKon: SerienBem: Zwhead_Deu: Zwhead_Eng: |
||||
| ? | wedge washer | 4 | EnglischBem: DeutschBem: DeutschDesc: Keilscheibe InternBDB: InternKon: SerienBem: Zwhead_Deu: Zwhead_Eng: |
||||
| ? | hexagon head bolt | 4 | EnglischBem: DeutschBem: DeutschDesc: Sechskantschraube InternBDB: InternKon: SerienBem: Zwhead_Deu: Zwhead_Eng: |
||||
| ? | 307 779 99 | hexagon head bolt | 1 | EnglischBem: DeutschBem: DeutschDesc: Sechskantschraube InternBDB: InternKon: SerienBem: Zwhead_Deu: Zwhead_Eng: |
|||
| ? | 512 476 98 | hexagon nut | 1 | EnglischBem: DeutschBem: DeutschDesc: Sechskantmutter InternBDB: InternKon: SerienBem: Zwhead_Deu: Zwhead_Eng: |
|||
| ? | hexagon nut | 4 | EnglischBem: DeutschBem: DeutschDesc: Sechskantmutter InternBDB: InternKon: SerienBem: Zwhead_Deu: Zwhead_Eng: |
||||
| ? | lock washer | 12 | EnglischBem: DeutschBem: DeutschDesc: Nord-Lock Scheibe InternBDB: InternKon: SerienBem: Zwhead_Deu: Zwhead_Eng: |
||||
| ? | hexagon head bolt | 12 | EnglischBem: DeutschBem: DeutschDesc: Sechskantschraube (kaltzдh) InternBDB: InternKon: SerienBem: Zwhead_Deu: Zwhead_Eng: |
||||
| ? | 518 255 98 | resilient sleeve | 2 | EnglischBem: DeutschBem: DeutschDesc: Dehnhьlse InternBDB: InternKon: SerienBem: Zwhead_Deu: Zwhead_Eng: |
|||
| ? | 796 180 73 | position switch | 2 | EnglischBem: DeutschBem: DeutschDesc: Positionsschalter InternBDB: InternKon: SerienBem: Zwhead_Deu: Zwhead_Eng: |
|||
| ? | lock washer | 8 | EnglischBem: DeutschBem: DeutschDesc: Ripplock-Scheibe InternBDB: InternKon: SerienBem: Zwhead_Deu: Zwhead_Eng: |
||||
| ? | 518 257 98 | hexagon head bolt | 8 | EnglischBem: DeutschBem: DeutschDesc: Sechskantschraube InternBDB: InternKon: SerienBem: Zwhead_Deu: Zwhead_Eng: |
|||
| ? | 510 730 98 | resilient sleeve | 16 | EnglischBem: DeutschBem: DeutschDesc: Dehnhьlse InternBDB: InternKon: SerienBem: Zwhead_Deu: Zwhead_Eng: |
|||
| ? | washer | 16 | EnglischBem: DeutschBem: DeutschDesc: Scheibe InternBDB: InternKon: SerienBem: Zwhead_Deu: Zwhead_Eng: |
||||
| ? | 506 849 98 | hexagon head bolt | 8 | EnglischBem: DeutschBem: DeutschDesc: Sechskantschraube InternBDB: InternKon: SerienBem: Zwhead_Deu: Zwhead_Eng: |
|||
| ? | 794 664 73 | cover assy. | 1 | EnglischBem: DeutschBem: DeutschDesc: Deckel, kpl. InternBDB: InternKon: SerienBem: Zwhead_Deu: Zwhead_Eng: |
|||
| ? | 794 665 73 | hinge bolt | 1 | EnglischBem: DeutschBem: DeutschDesc: Scharnierbolzen InternBDB: InternKon: SerienBem: Zwhead_Deu: Zwhead_Eng: |
|||
| ? | hexagon head bolt | 6 | EnglischBem: DeutschBem: DeutschDesc: Sechskantschraube (kaltzдh) InternBDB: InternKon: SerienBem: Zwhead_Deu: Zwhead_Eng: |
||||
| ? | 341 211 99 | wedge washer | 8 | EnglischBem: DeutschBem: DeutschDesc: Keilscheibe InternBDB: InternKon: SerienBem: Zwhead_Deu: Zwhead_Eng: |
|||
| ? | frame | 1 | EnglischBem: DeutschBem: DeutschDesc: Halterung InternBDB: InternKon: SerienBem: Zwhead_Deu: Zwhead_Eng: |
||||
| ? | hexagon head bolt | 16 | EnglischBem: DeutschBem: DeutschDesc: Sechskantschraube InternBDB: InternKon: SerienBem: Zwhead_Deu: Zwhead_Eng: |
||||
| ? | 512 557 98 | hexagon nut | 12 | EnglischBem: DeutschBem: DeutschDesc: Sechskantmutter InternBDB: InternKon: SerienBem: Zwhead_Deu: Zwhead_Eng: |
|||
| ? | 797 532 73 | holder for track adjuster | 1 | EnglischBem: DeutschBem: DeutschDesc: Halterung fuer Kettenspanner InternBDB: InternKon: SerienBem: Zwhead_Deu: Zwhead_Eng: |
|||
| ? | track adjuster drive assy. | 1 | EnglischBem: DeutschBem: DeutschDesc: Kettenspanner kpl. Antrieb InternBDB: InternKon: SerienBem: Zwhead_Deu: Zwhead_Eng: |
||||
| ? | multiple cable gland | 1 | EnglischBem: DeutschBem: DeutschDesc: Mehrfachverschraubung InternBDB: InternKon: SerienBem: Zwhead_Deu: Zwhead_Eng: |
||||
| ? | plate | 1 | EnglischBem: DeutschBem: DeutschDesc: Gewindeblech InternBDB: InternKon: SerienBem: Zwhead_Deu: Zwhead_Eng: |
||||
| ? | 307 777 99 | hexagon head bolt | 6 | EnglischBem: DeutschBem: DeutschDesc: Sechskantschraube InternBDB: InternKon: SerienBem: Zwhead_Deu: Zwhead_Eng: |
|||
| ? | lock washer | 6 | EnglischBem: DeutschBem: DeutschDesc: Ripplock-Scheibe InternBDB: InternKon: SerienBem: Zwhead_Deu: Zwhead_Eng: |
||||
| ? | hexagon head bolt | 4 | EnglischBem: DeutschBem: DeutschDesc: Sechskantschraube InternBDB: InternKon: SerienBem: Zwhead_Deu: Zwhead_Eng: |
||||
| ? | hexagon head bolt | 8 | EnglischBem: DeutschBem: DeutschDesc: Sechskantschraube InternBDB: InternKon: SerienBem: Zwhead_Deu: Zwhead_Eng: |
||||
| ? | 799 297 73 | cover plate | 1 | EnglischBem: DeutschBem: DeutschDesc: Abdeckblech InternBDB: InternKon: SerienBem: Zwhead_Deu: Zwhead_Eng: |
|||
| ? | 799 298 73 | cover plate | 1 | EnglischBem: DeutschBem: DeutschDesc: Abdeckblech InternBDB: InternKon: SerienBem: Zwhead_Deu: Zwhead_Eng: |
|||
| ? | hexagon head bolt | 12 | EnglischBem: DeutschBem: DeutschDesc: Sechskantschraube InternBDB: InternKon: SerienBem: Zwhead_Deu: Zwhead_Eng: |
||||
| ? | hexagon nut | 6 | EnglischBem: DeutschBem: DeutschDesc: Sechskantmutter InternBDB: InternKon: SerienBem: Zwhead_Deu: Zwhead_Eng: |
||||
| ? | eyebolt | 4 | EnglischBem: DeutschBem: DeutschDesc: Augenschraube InternBDB: InternKon: SerienBem: Zwhead_Deu: Zwhead_Eng: |
||||
| ? | 799 284 73 | tension spring | 2 | EnglischBem: DeutschBem: DeutschDesc: Spannfeder InternBDB: InternKon: SerienBem: Zwhead_Deu: Zwhead_Eng: |
|||
| ? | 519 656 98 | turnbuckle | 2 | EnglischBem: DeutschBem: DeutschDesc: Spannschloss InternBDB: InternKon: SerienBem: Zwhead_Deu: Zwhead_Eng: |
|||
| ? | 799 281 73 | rope pull switch NS 5 | 2 | EnglischBem: DeutschBem: DeutschDesc: Seilzugschalter NS 5 InternBDB: InternKon: SerienBem: Zwhead_Deu: Zwhead_Eng: |
|||
| ? | 519 655 98 | eyebolt | 2 | EnglischBem: DeutschBem: DeutschDesc: Augenschraube InternBDB: InternKon: SerienBem: Zwhead_Deu: Zwhead_Eng: |
|||
| ? | 799 285 73 | pull rope | A/R | EnglischBem: DeutschBem: DeutschDesc: Zugseil InternBDB: InternKon: SerienBem: Zwhead_Deu: Zwhead_Eng: |
|||
| ? | 300 045 99 | rope thimble | 4 | EnglischBem: DeutschBem: DeutschDesc: Seilkausche InternBDB: InternKon: SerienBem: Zwhead_Deu: Zwhead_Eng: |
|||
| ? | 111 260 99 | rope clamp | 8 | EnglischBem: DeutschBem: DeutschDesc: Seilklemme InternBDB: InternKon: SerienBem: Zwhead_Deu: Zwhead_Eng: |
|||
| ? | switch cover | 2 | EnglischBem: DeutschBem: DeutschDesc: Schalterabdeckung InternBDB: InternKon: SerienBem: Zwhead_Deu: Zwhead_Eng: |
||||
| ? | 799 287 73 | hinge bolt | 2 | EnglischBem: DeutschBem: DeutschDesc: Scharnierbolzen InternBDB: InternKon: SerienBem: Zwhead_Deu: Zwhead_Eng: |
|||
| ? | 799 288 73 | cover assy. | 2 | EnglischBem: DeutschBem: DeutschDesc: Deckel, kpl. InternBDB: InternKon: SerienBem: Zwhead_Deu: Zwhead_Eng: |
|||
| ? | 799 289 73 | flag | 2 | EnglischBem: DeutschBem: DeutschDesc: Markierungsfahne gelb/rot InternBDB: InternKon: SerienBem: Zwhead_Deu: Zwhead_Eng: |
|||
| ? | cover plate | 1 | EnglischBem: DeutschBem: DeutschDesc: Abdeckblech InternBDB: InternKon: SerienBem: Zwhead_Deu: Zwhead_Eng: |
||||
| ? | cover plate | 1 | EnglischBem: DeutschBem: DeutschDesc: Abdeckblech InternBDB: InternKon: SerienBem: Zwhead_Deu: Zwhead_Eng: |
||||
| ? | cover plate | 1 | EnglischBem: DeutschBem: DeutschDesc: Abdeckblech InternBDB: InternKon: SerienBem: Zwhead_Deu: Zwhead_Eng: |
||||
| ? | holder 01 / weldment | 1 | EnglischBem: DeutschBem: DeutschDesc: Halterung 01 / SchweiЯteil InternBDB: InternKon: SerienBem: Zwhead_Deu: Zwhead_Eng: |
||||
| ? | holder 02 / weldment | 1 | EnglischBem: DeutschBem: DeutschDesc: Halterung 02 / SchweiЯteil InternBDB: InternKon: SerienBem: Zwhead_Deu: Zwhead_Eng: |
||||
| ? | holder 03 / weldment | 1 | EnglischBem: DeutschBem: DeutschDesc: Halterung 03 / SchweiЯteil InternBDB: InternKon: SerienBem: Zwhead_Deu: Zwhead_Eng: |
||||
| ? | holder 04 / support angle | 1 | EnglischBem: DeutschBem: DeutschDesc: Halterrung 04 / Winkelblech InternBDB: InternKon: SerienBem: Zwhead_Deu: Zwhead_Eng: |
||||
| ? | angle | 1 | EnglischBem: DeutschBem: DeutschDesc: Winkel InternBDB: InternKon: SerienBem: Zwhead_Deu: Zwhead_Eng: |
||||
| ? | Sprocket holder | 1 | EnglischBem: DeutschBem: DeutschDesc: Halterung Kettenrдder InternBDB: InternKon: SerienBem: Zwhead_Deu: Zwhead_Eng: |
||||
| ? | Sprocket cover | 1 | EnglischBem: DeutschBem: DeutschDesc: Deckelblech InternBDB: InternKon: SerienBem: Zwhead_Deu: Zwhead_Eng: |
||||
| ? | Replacement sprocket | 1 | EnglischBem: DeutschBem: DeutschDesc: Kettenradscheibe InternBDB: InternKon: SerienBem: Zwhead_Deu: Zwhead_Eng: |
||||
| ? | Replacement sprocket | 1 | EnglischBem: DeutschBem: DeutschDesc: Kettenradscheibe InternBDB: InternKon: SerienBem: Zwhead_Deu: Zwhead_Eng: |
||||
| ? | hexagon head bolt | 4 | EnglischBem: DeutschBem: DeutschDesc: Sechskantschraube InternBDB: InternKon: SerienBem: Zwhead_Deu: Zwhead_Eng: |
||||
| ? | hexagon nut | 6 | EnglischBem: DeutschBem: DeutschDesc: Sechskantmutter InternBDB: InternKon: SerienBem: Zwhead_Deu: Zwhead_Eng: |
||||
| ? | Lock washer | 4 | EnglischBem: DeutschBem: DeutschDesc: Ripplockscheibe InternBDB: InternKon: SerienBem: Zwhead_Deu: Zwhead_Eng: |
||||
| ? | hexagon nut | 4 | EnglischBem: DeutschBem: DeutschDesc: Sechskantmutter InternBDB: InternKon: SerienBem: Zwhead_Deu: Zwhead_Eng: |
||||
| ? | hexagon head bolt | 4 | EnglischBem: DeutschBem: DeutschDesc: Sechskantschraube InternBDB: InternKon: SerienBem: Zwhead_Deu: Zwhead_Eng: |
||||
| ? | Corrugated head bolt | 4 | EnglischBem: DeutschBem: DeutschDesc: Sicherungsschraube InternBDB: InternKon: SerienBem: Zwhead_Deu: Zwhead_Eng: |
||||
| ? | resilient sleeve | 8 | EnglischBem: DeutschBem: DeutschDesc: Dehnhьlse InternBDB: InternKon: SerienBem: Zwhead_Deu: Zwhead_Eng: |
||||
| ? | Washer | 8 | EnglischBem: DeutschBem: DeutschDesc: Scheibe InternBDB: InternKon: SerienBem: Zwhead_Deu: Zwhead_Eng: |
||||
| ? | hexagon head bolt | 8 | EnglischBem: DeutschBem: DeutschDesc: Sechskantschraube InternBDB: InternKon: SerienBem: Zwhead_Deu: Zwhead_Eng: |
||||
| ? | Corrugated head bolt | 12 | EnglischBem: DeutschBem: DeutschDesc: Sicherungsschraube InternBDB: InternKon: SerienBem: Zwhead_Deu: Zwhead_Eng: |
||||
| ? | hexagon head bolt | 4 | EnglischBem: DeutschBem: DeutschDesc: Sechskantschraube InternBDB: InternKon: SerienBem: Zwhead_Deu: Zwhead_Eng: |
||||
| ? | hexagon nut | 4 | EnglischBem: DeutschBem: DeutschDesc: Sechskantmutter InternBDB: InternKon: SerienBem: Zwhead_Deu: Zwhead_Eng: |
||||
| ? | A/R | EnglischBem: DeutschBem: DeutschDesc: InternBDB: InternKon: SerienBem: Zwhead_Deu: Zwhead_Eng: |
|||||
| ? | A/R | EnglischBem: DeutschBem: DeutschDesc: InternBDB: InternKon: SerienBem: Zwhead_Deu: Zwhead_Eng: |
|||||
| ? | A/R | EnglischBem: DeutschBem: DeutschDesc: InternBDB: InternKon: SerienBem: Zwhead_Deu: Zwhead_Eng: |
|||||
| ? | A/R | EnglischBem: DeutschBem: DeutschDesc: InternBDB: InternKon: SerienBem: Zwhead_Deu: Zwhead_Eng: |
|||||
| ? | A/R | EnglischBem: DeutschBem: DeutschDesc: InternBDB: InternKon: SerienBem: Zwhead_Deu: Zwhead_Eng: |
|||||
| ? | A/R | EnglischBem: DeutschBem: DeutschDesc: InternBDB: InternKon: SerienBem: Zwhead_Deu: Zwhead_Eng: |
|||||
| ? | A/R | EnglischBem: DeutschBem: DeutschDesc: InternBDB: InternKon: SerienBem: Zwhead_Deu: Zwhead_Eng: |
|||||
| ? | A/R | EnglischBem: DeutschBem: DeutschDesc: InternBDB: InternKon: SerienBem: Zwhead_Deu: Zwhead_Eng: |
|||||
| ? | A/R | EnglischBem: DeutschBem: DeutschDesc: InternBDB: InternKon: SerienBem: Zwhead_Deu: Zwhead_Eng: |
|||||
| ? | A/R | EnglischBem: DeutschBem: DeutschDesc: InternBDB: InternKon: SerienBem: Zwhead_Deu: Zwhead_Eng: |
|||||
| ? | A/R | EnglischBem: DeutschBem: DeutschDesc: InternBDB: InternKon: SerienBem: Zwhead_Deu: Zwhead_Eng: |
|||||
| ? | A/R | EnglischBem: DeutschBem: DeutschDesc: InternBDB: InternKon: SerienBem: Zwhead_Deu: Zwhead_Eng: |
|||||
| ? | A/R | EnglischBem: DeutschBem: DeutschDesc: InternBDB: InternKon: SerienBem: Zwhead_Deu: Zwhead_Eng: |
|||||
| ? | A/R | EnglischBem: DeutschBem: DeutschDesc: InternBDB: InternKon: SerienBem: Zwhead_Deu: Zwhead_Eng: |
|||||
| ? | A/R | EnglischBem: DeutschBem: DeutschDesc: InternBDB: InternKon: SerienBem: Zwhead_Deu: Zwhead_Eng: |
|||||
| ? | A/R | EnglischBem: DeutschBem: DeutschDesc: InternBDB: InternKon: SerienBem: Zwhead_Deu: Zwhead_Eng: |
|||||
| ? | A/R | EnglischBem: DeutschBem: DeutschDesc: InternBDB: InternKon: SerienBem: Zwhead_Deu: Zwhead_Eng: |
|||||
| ? | A/R | EnglischBem: DeutschBem: DeutschDesc: InternBDB: InternKon: SerienBem: Zwhead_Deu: Zwhead_Eng: |
|||||
| ? | A/R | EnglischBem: DeutschBem: DeutschDesc: InternBDB: InternKon: SerienBem: Zwhead_Deu: Zwhead_Eng: |
|||||
| ? | A/R | EnglischBem: DeutschBem: DeutschDesc: InternBDB: InternKon: SerienBem: Zwhead_Deu: Zwhead_Eng: |
|||||
| ? | A/R | EnglischBem: DeutschBem: DeutschDesc: InternBDB: InternKon: SerienBem: Zwhead_Deu: Zwhead_Eng: |
|||||
| ? | A/R | EnglischBem: DeutschBem: DeutschDesc: InternBDB: InternKon: SerienBem: Zwhead_Deu: Zwhead_Eng: |
|||||
| ? | A/R | EnglischBem: DeutschBem: DeutschDesc: InternBDB: InternKon: SerienBem: Zwhead_Deu: Zwhead_Eng: |
|||||
| ? | A/R | EnglischBem: DeutschBem: DeutschDesc: InternBDB: InternKon: SerienBem: Zwhead_Deu: Zwhead_Eng: |
|||||
| ? | A/R | EnglischBem: DeutschBem: DeutschDesc: InternBDB: InternKon: SerienBem: Zwhead_Deu: Zwhead_Eng: |
|||||
| ? | A/R | EnglischBem: DeutschBem: DeutschDesc: InternBDB: InternKon: SerienBem: Zwhead_Deu: Zwhead_Eng: |
|||||
| ? | A/R | EnglischBem: DeutschBem: DeutschDesc: InternBDB: InternKon: SerienBem: Zwhead_Deu: Zwhead_Eng: |
|||||
| ? | A/R | EnglischBem: DeutschBem: DeutschDesc: InternBDB: InternKon: SerienBem: Zwhead_Deu: Zwhead_Eng: |
|||||
| ? | A/R | EnglischBem: DeutschBem: DeutschDesc: InternBDB: InternKon: SerienBem: Zwhead_Deu: Zwhead_Eng: |
|||||
| ? | A/R | EnglischBem: DeutschBem: DeutschDesc: InternBDB: InternKon: SerienBem: Zwhead_Deu: Zwhead_Eng: |
|||||
| ? | A/R | EnglischBem: DeutschBem: DeutschDesc: InternBDB: InternKon: SerienBem: Zwhead_Deu: Zwhead_Eng: |
|||||
| ? | A/R | EnglischBem: DeutschBem: DeutschDesc: InternBDB: InternKon: SerienBem: Zwhead_Deu: Zwhead_Eng: |
|||||
| ? | A/R | EnglischBem: DeutschBem: DeutschDesc: InternBDB: InternKon: SerienBem: Zwhead_Deu: Zwhead_Eng: |
|||||
| ? | A/R | EnglischBem: DeutschBem: DeutschDesc: InternBDB: InternKon: SerienBem: Zwhead_Deu: Zwhead_Eng: |
|||||
| ? | A/R | EnglischBem: DeutschBem: DeutschDesc: InternBDB: InternKon: SerienBem: Zwhead_Deu: Zwhead_Eng: |
|||||
| ? | A/R | EnglischBem: DeutschBem: DeutschDesc: InternBDB: InternKon: SerienBem: Zwhead_Deu: Zwhead_Eng: |
|||||
| ? | A/R | EnglischBem: DeutschBem: DeutschDesc: InternBDB: InternKon: SerienBem: Zwhead_Deu: Zwhead_Eng: |
|||||
| ? | A/R | EnglischBem: DeutschBem: DeutschDesc: InternBDB: InternKon: SerienBem: Zwhead_Deu: Zwhead_Eng: |
|||||
| ? | A/R | EnglischBem: DeutschBem: DeutschDesc: InternBDB: InternKon: SerienBem: Zwhead_Deu: Zwhead_Eng: |
|||||
| ? | A/R | EnglischBem: DeutschBem: DeutschDesc: InternBDB: InternKon: SerienBem: Zwhead_Deu: Zwhead_Eng: |
|||||
| ? | A/R | EnglischBem: DeutschBem: DeutschDesc: InternBDB: InternKon: SerienBem: Zwhead_Deu: Zwhead_Eng: |
|||||
| ? | A/R | EnglischBem: DeutschBem: DeutschDesc: InternBDB: InternKon: SerienBem: Zwhead_Deu: Zwhead_Eng: |
|||||
| ? | A/R | EnglischBem: DeutschBem: DeutschDesc: InternBDB: InternKon: SerienBem: Zwhead_Deu: Zwhead_Eng: |
|||||
| ? | A/R | EnglischBem: DeutschBem: DeutschDesc: InternBDB: InternKon: SerienBem: Zwhead_Deu: Zwhead_Eng: |
|||||
| ? | A/R | EnglischBem: DeutschBem: DeutschDesc: InternBDB: InternKon: SerienBem: Zwhead_Deu: Zwhead_Eng: |
|||||
| ? | A/R | EnglischBem: DeutschBem: DeutschDesc: InternBDB: InternKon: SerienBem: Zwhead_Deu: Zwhead_Eng: |
|||||
| ? | A/R | EnglischBem: DeutschBem: DeutschDesc: InternBDB: InternKon: SerienBem: Zwhead_Deu: Zwhead_Eng: |
|||||
| ? | A/R | EnglischBem: DeutschBem: DeutschDesc: InternBDB: InternKon: SerienBem: Zwhead_Deu: Zwhead_Eng: |
|||||
| ? | A/R | EnglischBem: DeutschBem: DeutschDesc: InternBDB: InternKon: SerienBem: Zwhead_Deu: Zwhead_Eng: |
|||||
| ? | A/R | EnglischBem: DeutschBem: DeutschDesc: InternBDB: InternKon: SerienBem: Zwhead_Deu: Zwhead_Eng: |
|||||
| ? | A/R | EnglischBem: DeutschBem: DeutschDesc: InternBDB: InternKon: SerienBem: Zwhead_Deu: Zwhead_Eng: |
|||||
| ? | A/R | EnglischBem: DeutschBem: DeutschDesc: InternBDB: InternKon: SerienBem: Zwhead_Deu: Zwhead_Eng: |
|||||
| ? | A/R | EnglischBem: DeutschBem: DeutschDesc: InternBDB: InternKon: SerienBem: Zwhead_Deu: Zwhead_Eng: |
|||||
| ? | A/R | EnglischBem: DeutschBem: DeutschDesc: InternBDB: InternKon: SerienBem: Zwhead_Deu: Zwhead_Eng: |
|||||
| ? | A/R | EnglischBem: DeutschBem: DeutschDesc: InternBDB: InternKon: SerienBem: Zwhead_Deu: Zwhead_Eng: |
|||||
| ? | A/R | EnglischBem: DeutschBem: DeutschDesc: InternBDB: InternKon: SerienBem: Zwhead_Deu: Zwhead_Eng: |
|||||
| ? | A/R | EnglischBem: DeutschBem: DeutschDesc: InternBDB: InternKon: SerienBem: Zwhead_Deu: Zwhead_Eng: |
|||||
| ? | A/R | EnglischBem: DeutschBem: DeutschDesc: InternBDB: InternKon: SerienBem: Zwhead_Deu: Zwhead_Eng: |
|||||
| ? | A/R | EnglischBem: DeutschBem: DeutschDesc: InternBDB: InternKon: SerienBem: Zwhead_Deu: Zwhead_Eng: |
|||||
| ? | A/R | EnglischBem: DeutschBem: DeutschDesc: InternBDB: InternKon: SerienBem: Zwhead_Deu: Zwhead_Eng: |
|||||
| ? | A/R | EnglischBem: DeutschBem: DeutschDesc: InternBDB: InternKon: SerienBem: Zwhead_Deu: Zwhead_Eng: |
|||||
| ? | A/R | EnglischBem: DeutschBem: DeutschDesc: InternBDB: InternKon: SerienBem: Zwhead_Deu: Zwhead_Eng: |
|||||
| ? | A/R | EnglischBem: DeutschBem: DeutschDesc: InternBDB: InternKon: SerienBem: Zwhead_Deu: Zwhead_Eng: |
|||||
| ? | A/R | EnglischBem: DeutschBem: DeutschDesc: InternBDB: InternKon: SerienBem: Zwhead_Deu: Zwhead_Eng: |
|||||
| ? | A/R | EnglischBem: DeutschBem: DeutschDesc: InternBDB: InternKon: SerienBem: Zwhead_Deu: Zwhead_Eng: |
|||||
| ? | A/R | EnglischBem: DeutschBem: DeutschDesc: InternBDB: InternKon: SerienBem: Zwhead_Deu: Zwhead_Eng: |
|||||
| ? | A/R | EnglischBem: DeutschBem: DeutschDesc: InternBDB: InternKon: SerienBem: Zwhead_Deu: Zwhead_Eng: |
|||||
| ? | A/R | EnglischBem: DeutschBem: DeutschDesc: InternBDB: InternKon: SerienBem: Zwhead_Deu: Zwhead_Eng: |
|||||
| ? | A/R | EnglischBem: DeutschBem: DeutschDesc: InternBDB: InternKon: SerienBem: Zwhead_Deu: Zwhead_Eng: |
|||||
| ? | A/R | EnglischBem: DeutschBem: DeutschDesc: InternBDB: InternKon: SerienBem: Zwhead_Deu: Zwhead_Eng: |
|||||
| ? | A/R | EnglischBem: DeutschBem: DeutschDesc: InternBDB: InternKon: SerienBem: Zwhead_Deu: Zwhead_Eng: |
|||||
| ? | A/R | EnglischBem: DeutschBem: DeutschDesc: InternBDB: InternKon: SerienBem: Zwhead_Deu: Zwhead_Eng: |
|||||
| ? | A/R | EnglischBem: DeutschBem: DeutschDesc: InternBDB: InternKon: SerienBem: Zwhead_Deu: Zwhead_Eng: |
|||||
| ? | A/R | EnglischBem: DeutschBem: DeutschDesc: InternBDB: InternKon: SerienBem: Zwhead_Deu: Zwhead_Eng: |
|||||
| ? | A/R | EnglischBem: DeutschBem: DeutschDesc: InternBDB: InternKon: SerienBem: Zwhead_Deu: Zwhead_Eng: |
|||||
| ? | A/R | EnglischBem: DeutschBem: DeutschDesc: InternBDB: InternKon: SerienBem: Zwhead_Deu: Zwhead_Eng: |
|||||
| ? | A/R | EnglischBem: DeutschBem: DeutschDesc: InternBDB: InternKon: SerienBem: Zwhead_Deu: Zwhead_Eng: |
|||||
| ? | A/R | EnglischBem: DeutschBem: DeutschDesc: InternBDB: InternKon: SerienBem: Zwhead_Deu: Zwhead_Eng: |
|||||
| ? | A/R | EnglischBem: DeutschBem: DeutschDesc: InternBDB: InternKon: SerienBem: Zwhead_Deu: Zwhead_Eng: |
|||||
| ? | A/R | EnglischBem: DeutschBem: DeutschDesc: InternBDB: InternKon: SerienBem: Zwhead_Deu: Zwhead_Eng: |
|||||
| ? | A/R | EnglischBem: DeutschBem: DeutschDesc: InternBDB: InternKon: SerienBem: Zwhead_Deu: Zwhead_Eng: |
|||||
| ? | A/R | EnglischBem: DeutschBem: DeutschDesc: InternBDB: InternKon: SerienBem: Zwhead_Deu: Zwhead_Eng: |
|||||
| ? | A/R | EnglischBem: DeutschBem: DeutschDesc: InternBDB: InternKon: SerienBem: Zwhead_Deu: Zwhead_Eng: |
|||||
| ? | A/R | EnglischBem: DeutschBem: DeutschDesc: InternBDB: InternKon: SerienBem: Zwhead_Deu: Zwhead_Eng: |
|||||
| ? | A/R | EnglischBem: DeutschBem: DeutschDesc: InternBDB: InternKon: SerienBem: Zwhead_Deu: Zwhead_Eng: |
|||||
| ? | A/R | EnglischBem: DeutschBem: DeutschDesc: InternBDB: InternKon: SerienBem: Zwhead_Deu: Zwhead_Eng: |
|||||
| ? | A/R | EnglischBem: DeutschBem: DeutschDesc: InternBDB: InternKon: SerienBem: Zwhead_Deu: Zwhead_Eng: |
|||||
| ? | A/R | EnglischBem: DeutschBem: DeutschDesc: InternBDB: InternKon: SerienBem: Zwhead_Deu: Zwhead_Eng: |
|||||
| ? | A/R | EnglischBem: DeutschBem: DeutschDesc: InternBDB: InternKon: SerienBem: Zwhead_Deu: Zwhead_Eng: |
|||||
| ? | A/R | EnglischBem: DeutschBem: DeutschDesc: InternBDB: InternKon: SerienBem: Zwhead_Deu: Zwhead_Eng: |
|||||
| ? | A/R | EnglischBem: DeutschBem: DeutschDesc: InternBDB: InternKon: SerienBem: Zwhead_Deu: Zwhead_Eng: |
|||||
| ? | A/R | EnglischBem: DeutschBem: DeutschDesc: InternBDB: InternKon: SerienBem: Zwhead_Deu: Zwhead_Eng: |
|||||
| ? | A/R | EnglischBem: DeutschBem: DeutschDesc: InternBDB: InternKon: SerienBem: Zwhead_Deu: Zwhead_Eng: |
|||||
| ? | A/R | EnglischBem: DeutschBem: DeutschDesc: InternBDB: InternKon: SerienBem: Zwhead_Deu: Zwhead_Eng: |
|||||
| ? | A/R | EnglischBem: DeutschBem: DeutschDesc: InternBDB: InternKon: SerienBem: Zwhead_Deu: Zwhead_Eng: |
|||||
| ? | A/R | EnglischBem: DeutschBem: DeutschDesc: InternBDB: InternKon: SerienBem: Zwhead_Deu: Zwhead_Eng: |
|||||
| ? | A/R | EnglischBem: DeutschBem: DeutschDesc: InternBDB: InternKon: SerienBem: Zwhead_Deu: Zwhead_Eng: |
|||||
| ? | A/R | EnglischBem: DeutschBem: DeutschDesc: InternBDB: InternKon: SerienBem: Zwhead_Deu: Zwhead_Eng: |
|||||
| ? | A/R | EnglischBem: DeutschBem: DeutschDesc: InternBDB: InternKon: SerienBem: Zwhead_Deu: Zwhead_Eng: |
|||||
| ? | A/R | EnglischBem: DeutschBem: DeutschDesc: InternBDB: InternKon: SerienBem: Zwhead_Deu: Zwhead_Eng: |
|||||
| ? | A/R | EnglischBem: DeutschBem: DeutschDesc: InternBDB: InternKon: SerienBem: Zwhead_Deu: Zwhead_Eng: |
|||||
| ? | A/R | EnglischBem: DeutschBem: DeutschDesc: InternBDB: InternKon: SerienBem: Zwhead_Deu: Zwhead_Eng: |
|||||
| ? | A/R | EnglischBem: DeutschBem: DeutschDesc: InternBDB: InternKon: SerienBem: Zwhead_Deu: Zwhead_Eng: |
|||||
| ? | A/R | EnglischBem: DeutschBem: DeutschDesc: InternBDB: InternKon: SerienBem: Zwhead_Deu: Zwhead_Eng: |
|||||
| ? | A/R | EnglischBem: DeutschBem: DeutschDesc: InternBDB: InternKon: SerienBem: Zwhead_Deu: Zwhead_Eng: |
|||||
| ? | A/R | EnglischBem: DeutschBem: DeutschDesc: InternBDB: InternKon: SerienBem: Zwhead_Deu: Zwhead_Eng: |
|||||
| ? | A/R | EnglischBem: DeutschBem: DeutschDesc: InternBDB: InternKon: SerienBem: Zwhead_Deu: Zwhead_Eng: |
|||||
| ? | A/R | EnglischBem: DeutschBem: DeutschDesc: InternBDB: InternKon: SerienBem: Zwhead_Deu: Zwhead_Eng: |
|||||
| ? | A/R | EnglischBem: DeutschBem: DeutschDesc: InternBDB: InternKon: SerienBem: Zwhead_Deu: Zwhead_Eng: |
|||||
| ? | A/R | EnglischBem: DeutschBem: DeutschDesc: InternBDB: InternKon: SerienBem: Zwhead_Deu: Zwhead_Eng: |
|||||
| ? | A/R | EnglischBem: DeutschBem: DeutschDesc: InternBDB: InternKon: SerienBem: Zwhead_Deu: Zwhead_Eng: |
|||||
| ? | A/R | EnglischBem: DeutschBem: DeutschDesc: InternBDB: InternKon: SerienBem: Zwhead_Deu: Zwhead_Eng: |
|||||
| ? | A/R | EnglischBem: DeutschBem: DeutschDesc: InternBDB: InternKon: SerienBem: Zwhead_Deu: Zwhead_Eng: |
|||||
| ? | A/R | EnglischBem: DeutschBem: DeutschDesc: InternBDB: InternKon: SerienBem: Zwhead_Deu: Zwhead_Eng: |
|||||
| ? | A/R | EnglischBem: DeutschBem: DeutschDesc: InternBDB: InternKon: SerienBem: Zwhead_Deu: Zwhead_Eng: |
|||||
| ? | A/R | EnglischBem: DeutschBem: DeutschDesc: InternBDB: InternKon: SerienBem: Zwhead_Deu: Zwhead_Eng: |
|||||
| ? | A/R | EnglischBem: DeutschBem: DeutschDesc: InternBDB: InternKon: SerienBem: Zwhead_Deu: Zwhead_Eng: |
|||||
| ? | A/R | EnglischBem: DeutschBem: DeutschDesc: InternBDB: InternKon: SerienBem: Zwhead_Deu: Zwhead_Eng: |
|||||
| ? | A/R | EnglischBem: DeutschBem: DeutschDesc: InternBDB: InternKon: SerienBem: Zwhead_Deu: Zwhead_Eng: |
|||||
| ? | A/R | EnglischBem: DeutschBem: DeutschDesc: InternBDB: InternKon: SerienBem: Zwhead_Deu: Zwhead_Eng: |
|||||
| ? | A/R | EnglischBem: DeutschBem: DeutschDesc: InternBDB: InternKon: SerienBem: Zwhead_Deu: Zwhead_Eng: |
|||||
| ? | A/R | EnglischBem: DeutschBem: DeutschDesc: InternBDB: InternKon: SerienBem: Zwhead_Deu: Zwhead_Eng: |
|||||
| ? | A/R | EnglischBem: DeutschBem: DeutschDesc: InternBDB: InternKon: SerienBem: Zwhead_Deu: Zwhead_Eng: |
|||||
| ? | A/R | EnglischBem: DeutschBem: DeutschDesc: InternBDB: InternKon: SerienBem: Zwhead_Deu: Zwhead_Eng: |
|||||
| ? | A/R | EnglischBem: DeutschBem: DeutschDesc: InternBDB: InternKon: SerienBem: Zwhead_Deu: Zwhead_Eng: |
|||||
| ? | A/R | EnglischBem: DeutschBem: DeutschDesc: InternBDB: InternKon: SerienBem: Zwhead_Deu: Zwhead_Eng: |
|||||
| ? | A/R | EnglischBem: DeutschBem: DeutschDesc: InternBDB: InternKon: SerienBem: Zwhead_Deu: Zwhead_Eng: |
|||||
| ? | A/R | EnglischBem: DeutschBem: DeutschDesc: InternBDB: InternKon: SerienBem: Zwhead_Deu: Zwhead_Eng: |
|||||
| ? | A/R | EnglischBem: DeutschBem: DeutschDesc: InternBDB: InternKon: SerienBem: Zwhead_Deu: Zwhead_Eng: |
|||||
| ? | A/R | EnglischBem: DeutschBem: DeutschDesc: InternBDB: InternKon: SerienBem: Zwhead_Deu: Zwhead_Eng: |
|||||
| ? | A/R | EnglischBem: DeutschBem: DeutschDesc: InternBDB: InternKon: SerienBem: Zwhead_Deu: Zwhead_Eng: |
|||||
| ? | A/R | EnglischBem: DeutschBem: DeutschDesc: InternBDB: InternKon: SerienBem: Zwhead_Deu: Zwhead_Eng: |
|||||
| ? | A/R | EnglischBem: DeutschBem: DeutschDesc: InternBDB: InternKon: SerienBem: Zwhead_Deu: Zwhead_Eng: |