k-part
Номер на схеме Каталожный номер Название Количество Детали
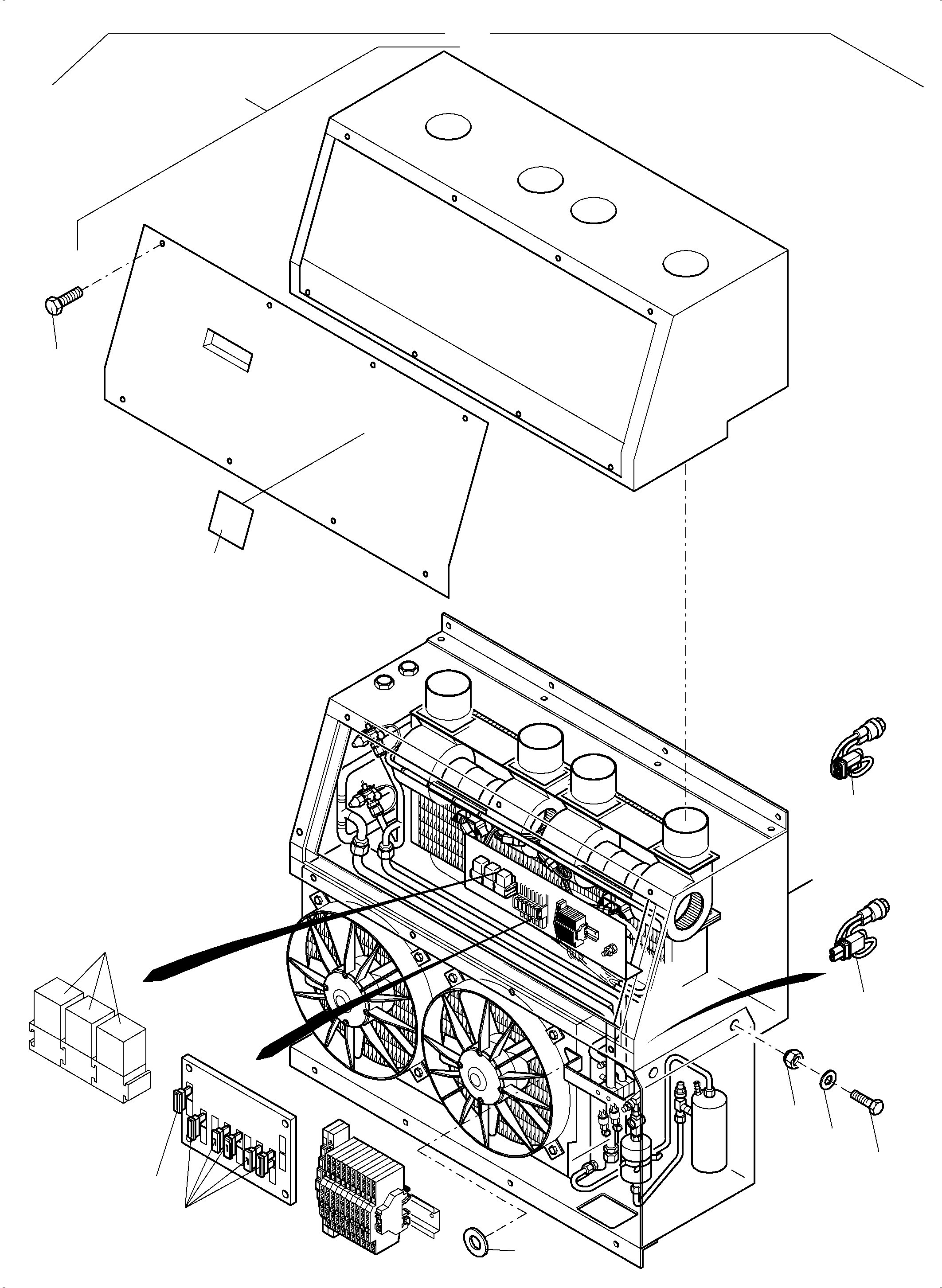
? 790 458 73 Air conditioning unit 1
EnglischBem:
DeutschBem:
DeutschDesc: Klimagerдt
InternBDB:
InternKon:
SerienBem:
Zwhead_Deu:
Zwhead_Eng:
? Evaporator unit 1
EnglischBem:
DeutschBem:
DeutschDesc: Verdampfereinheit
InternBDB:
InternKon:
SerienBem:
Zwhead_Deu:
Zwhead_Eng:
? Evaporator base 1
EnglischBem:
DeutschBem:
DeutschDesc: Verdampferbasis
InternBDB:
InternKon:
SerienBem:
Zwhead_Deu:
Zwhead_Eng:
? Insulation assy. 1
EnglischBem:
DeutschBem:
DeutschDesc: Isolierung kpl.
InternBDB:
InternKon:
SerienBem:
Zwhead_Deu:
Zwhead_Eng:
? Ventilator Radial assy., incl. Pos. 34 1
EnglischBem:
DeutschBem:
DeutschDesc: Ventilator Radial kpl., inkl. Pos. 34
InternBDB:
InternKon:
SerienBem:
Zwhead_Deu:
Zwhead_Eng:
? Pipe kit 1
EnglischBem:
DeutschBem:
DeutschDesc: Leitungen Set
InternBDB:
InternKon:
SerienBem:
Zwhead_Deu:
Zwhead_Eng:
? Condenser unit 1
EnglischBem:
DeutschBem:
DeutschDesc: Kondensatoreinheit
InternBDB:
InternKon:
SerienBem:
Zwhead_Deu:
Zwhead_Eng:
? 797 805 73 Seal 7/16" 6
EnglischBem:
DeutschBem:
DeutschDesc: Dichtung 7/16"
InternBDB:
InternKon:
SerienBem:
Zwhead_Deu:
Zwhead_Eng:
? 797 807 73 Pressure Switch 1
EnglischBem:
DeutschBem:
DeutschDesc: Druckschalter
InternBDB:
InternKon:
SerienBem:
Zwhead_Deu:
Zwhead_Eng:
? 797 808 73 Pressure Switch 1
EnglischBem:
DeutschBem:
DeutschDesc: Druckschalter
InternBDB:
InternKon:
SerienBem:
Zwhead_Deu:
Zwhead_Eng:
? Aggregate cabling 1
EnglischBem:
DeutschBem:
DeutschDesc: Aggregateverdratung
InternBDB:
InternKon:
SerienBem:
Zwhead_Deu:
Zwhead_Eng:
? 765 159 73 Relay base 3
EnglischBem:
DeutschBem:
DeutschDesc: Relaissockel
InternBDB:
InternKon:
SerienBem:
Zwhead_Deu:
Zwhead_Eng:
? 795 829 73 Relay 24V 20A 3
EnglischBem:
DeutschBem:
DeutschDesc: Relais 24V 20A
InternBDB:
InternKon:
SerienBem:
Zwhead_Deu:
Zwhead_Eng:
? 765 702 73 Fuse 10A 1
EnglischBem:
DeutschBem:
DeutschDesc: Flachsicherung 10A
InternBDB:
InternKon:
SerienBem:
Zwhead_Deu:
Zwhead_Eng:
? 765 306 73 Fuse 15A 5
EnglischBem:
DeutschBem:
DeutschDesc: Flachsicherung 15A
InternBDB:
InternKon:
SerienBem:
Zwhead_Deu:
Zwhead_Eng:
? Evaporator 1
EnglischBem:
DeutschBem:
DeutschDesc: Verdampfer
InternBDB:
InternKon:
SerienBem:
Zwhead_Deu:
Zwhead_Eng:
? 793 251 73 Expansion valve 2
EnglischBem:
DeutschBem:
DeutschDesc: Expansionsventil
InternBDB:
InternKon:
SerienBem:
Zwhead_Deu:
Zwhead_Eng:
? 798 265 73 Socket 7/8-3/4 2
EnglischBem:
DeutschBem:
DeutschDesc: Aufschraubstutzen 7/8-3/4
InternBDB:
InternKon:
SerienBem:
Zwhead_Deu:
Zwhead_Eng:
? 797 802 73 Seal 3/4" 7
EnglischBem:
DeutschBem:
DeutschDesc: Dichtung 3/4"
InternBDB:
InternKon:
SerienBem:
Zwhead_Deu:
Zwhead_Eng:
? 793 253 73 Pressure balance line 2
EnglischBem:
DeutschBem:
DeutschDesc: Druckausgleichsleitung
InternBDB:
InternKon:
SerienBem:
Zwhead_Deu:
Zwhead_Eng:
? 793 252 73 Nozzle 2
EnglischBem:
DeutschBem:
DeutschDesc: Dьse
InternBDB:
InternKon:
SerienBem:
Zwhead_Deu:
Zwhead_Eng:
? 797 803 73 Seal 5/8" 2
EnglischBem:
DeutschBem:
DeutschDesc: Dichtung 5/8"
InternBDB:
InternKon:
SerienBem:
Zwhead_Deu:
Zwhead_Eng:
? Bolt 4
EnglischBem:
DeutschBem:
DeutschDesc: Schraube
InternBDB:
InternKon:
SerienBem:
Zwhead_Deu:
Zwhead_Eng:
? 515 331 98 Washer 4
EnglischBem:
DeutschBem:
DeutschDesc: Scheibe
InternBDB:
InternKon:
SerienBem:
Zwhead_Deu:
Zwhead_Eng:
? 320 068 99 Nut 4
EnglischBem:
DeutschBem:
DeutschDesc: Mutter
InternBDB:
InternKon:
SerienBem:
Zwhead_Deu:
Zwhead_Eng:
? Washer 1
EnglischBem:
DeutschBem:
DeutschDesc: Scheibe
InternBDB:
InternKon:
SerienBem:
Zwhead_Deu:
Zwhead_Eng:
? Clamp 2
EnglischBem:
DeutschBem:
DeutschDesc: Schelle
InternBDB:
InternKon:
SerienBem:
Zwhead_Deu:
Zwhead_Eng:
? Cover plate 2
EnglischBem:
DeutschBem:
DeutschDesc: Deckplatte
InternBDB:
InternKon:
SerienBem:
Zwhead_Deu:
Zwhead_Eng:
? 343 643 99 Lock washer 2
EnglischBem:
DeutschBem:
DeutschDesc: Zahnscheibe
InternBDB:
InternKon:
SerienBem:
Zwhead_Deu:
Zwhead_Eng:
? 510 506 98 Bolt 2
EnglischBem:
DeutschBem:
DeutschDesc: Schraube
InternBDB:
InternKon:
SerienBem:
Zwhead_Deu:
Zwhead_Eng:
? Bolt 11
EnglischBem:
DeutschBem:
DeutschDesc: Schraube
InternBDB:
InternKon:
SerienBem:
Zwhead_Deu:
Zwhead_Eng:
? Sign 1
EnglischBem:
DeutschBem:
DeutschDesc: Schild
InternBDB:
InternKon:
SerienBem:
Zwhead_Deu:
Zwhead_Eng:
? 790 127 73 Double-radial-blower, brushless 2
EnglischBem:
DeutschBem:
DeutschDesc: Doppel-Radial-Geblдse, bьrstenlos
InternBDB:
InternKon:
SerienBem:
Zwhead_Deu:
Zwhead_Eng:
? 795 828 73 Liquid line, drier - T-distributor 1
EnglischBem:
DeutschBem:
DeutschDesc: Flьssigkeitsleitung Trockner - T-Verteiler
InternBDB:
InternKon:
SerienBem:
Zwhead_Deu:
Zwhead_Eng:
? 795 825 73 Suction line, T-collector - compressor 1
EnglischBem:
DeutschBem:
DeutschDesc: Saugleitung, T-collector - Kompressor
InternBDB:
InternKon:
SerienBem:
Zwhead_Deu:
Zwhead_Eng:
? 795 827 73 Liquid line, condenser - collector 1
EnglischBem:
DeutschBem:
DeutschDesc: Flьssigkeitsleitung, Kondensator - Sammler
InternBDB:
InternKon:
SerienBem:
Zwhead_Deu:
Zwhead_Eng:
? 795 826 73 Liquid line, collector - drier 1
EnglischBem:
DeutschBem:
DeutschDesc: Flьssigkeitsleitung, Sammler - Trockner
InternBDB:
InternKon:
SerienBem:
Zwhead_Deu:
Zwhead_Eng:
? 797 645 73 Liquid line, T-distributor-exp.Valves 1
EnglischBem:
DeutschBem:
DeutschDesc: Flьssigkeitsleitung, T-Verteiler-Exp.ventile
InternBDB:
InternKon:
SerienBem:
Zwhead_Deu:
Zwhead_Eng:
? Union Nut 1
EnglischBem:
DeutschBem:
DeutschDesc: Ьberwurfmutter
InternBDB:
InternKon:
SerienBem:
Zwhead_Deu:
Zwhead_Eng:
? Seal washer 1
EnglischBem:
DeutschBem:
DeutschDesc: Dichtscheibe
InternBDB:
InternKon:
SerienBem:
Zwhead_Deu:
Zwhead_Eng:
? 795 873 73 Condenser 1
EnglischBem:
DeutschBem:
DeutschDesc: Kondensator
InternBDB:
InternKon:
SerienBem:
Zwhead_Deu:
Zwhead_Eng:
? 794 432 73 Element drier 1
EnglischBem:
DeutschBem:
DeutschDesc: Filtertrockner
InternBDB:
InternKon:
SerienBem:
Zwhead_Deu:
Zwhead_Eng:
? 794 706 73 Inspection glass 1
EnglischBem:
DeutschBem:
DeutschDesc: Schauglas
InternBDB:
InternKon:
SerienBem:
Zwhead_Deu:
Zwhead_Eng:
? 795 824 73 Check valve 1
EnglischBem:
DeutschBem:
DeutschDesc: Absperrventil
InternBDB:
InternKon:
SerienBem:
Zwhead_Deu:
Zwhead_Eng:
? 794 433 73 Collector bottle 1
EnglischBem:
DeutschBem:
DeutschDesc: Sammelflasche
InternBDB:
InternKon:
SerienBem:
Zwhead_Deu:
Zwhead_Eng:
? 796 581 73 Pressure control valve 30bar A/R
EnglischBem:
DeutschBem:
DeutschDesc: Ьberdruckventil 30bar
InternBDB:
InternKon:
SerienBem:
Zwhead_Deu:
Zwhead_Eng:
? 765 320 73 Clamp 1
EnglischBem:
DeutschBem:
DeutschDesc: Schelle
InternBDB:
InternKon:
SerienBem:
Zwhead_Deu:
Zwhead_Eng:
? 797 804 73 Seal 7/8" 4
EnglischBem:
DeutschBem:
DeutschDesc: Dichtung 7/8"
InternBDB:
InternKon:
SerienBem:
Zwhead_Deu:
Zwhead_Eng:
? 790 102 73 Ventilator 2
EnglischBem:
DeutschBem:
DeutschDesc: Axialventilator
InternBDB:
InternKon:
SerienBem:
Zwhead_Deu:
Zwhead_Eng:
? 507 673 98 Bolt 8
EnglischBem:
DeutschBem:
DeutschDesc: Schraube
InternBDB:
InternKon:
SerienBem:
Zwhead_Deu:
Zwhead_Eng:
? Lock washer 8
EnglischBem:
DeutschBem:
DeutschDesc: Sperrkantring
InternBDB:
InternKon:
SerienBem:
Zwhead_Deu:
Zwhead_Eng:
? Union Nut 1
EnglischBem:
DeutschBem:
DeutschDesc: Ьberwurfmutter
InternBDB:
InternKon:
SerienBem:
Zwhead_Deu:
Zwhead_Eng:
? 790 465 73 Control section, Diesel shovel A/R
EnglischBem:
DeutschBem:
DeutschDesc: Bedienteil, Diesel-Bagger
InternBDB:
InternKon:
SerienBem:
Zwhead_Deu:
Zwhead_Eng:
? 790 466 73 Control section, Electro shovel A/R
EnglischBem:
DeutschBem:
DeutschDesc: Bedienteil, Elektro-Bagger
InternBDB:
InternKon:
SerienBem:
Zwhead_Deu:
Zwhead_Eng:
? 790 459 73 Harness control section A/R
EnglischBem:
DeutschBem:
DeutschDesc: Kabelbaum Bedienteil
InternBDB:
InternKon:
SerienBem:
Zwhead_Deu:
Zwhead_Eng:
? 799 882 73 Dichtsatz Air Conditioning assy. 1
EnglischBem:
DeutschBem:
DeutschDesc: Dichtsatz Klimagerдt kpl.
InternBDB:
InternKon:
SerienBem:
Zwhead_Deu:
Zwhead_Eng:

Excavators Mining Komatsu / PC4000-6E S/N 08280(G08280) / Air Conditioning Unit(991-1362a : 991-1362a)
?
?
?
?
?
?
?
?
?
?
?
?
?
?
?
?
?
?
?
?
?
?
?
?
?
?
?
?
?
?
?
?
?
?
?
?
?
?
?
?
?
?
Excavators Mining Komatsu / PC4000-6E S/N 08280(G08280) / Air Conditioning Unit(991-1362a : 991-1362a)
?
?
?
?
?
?
?
?
?
?
?
?
?
?
?