k-part
Наименование Страница Код страницы
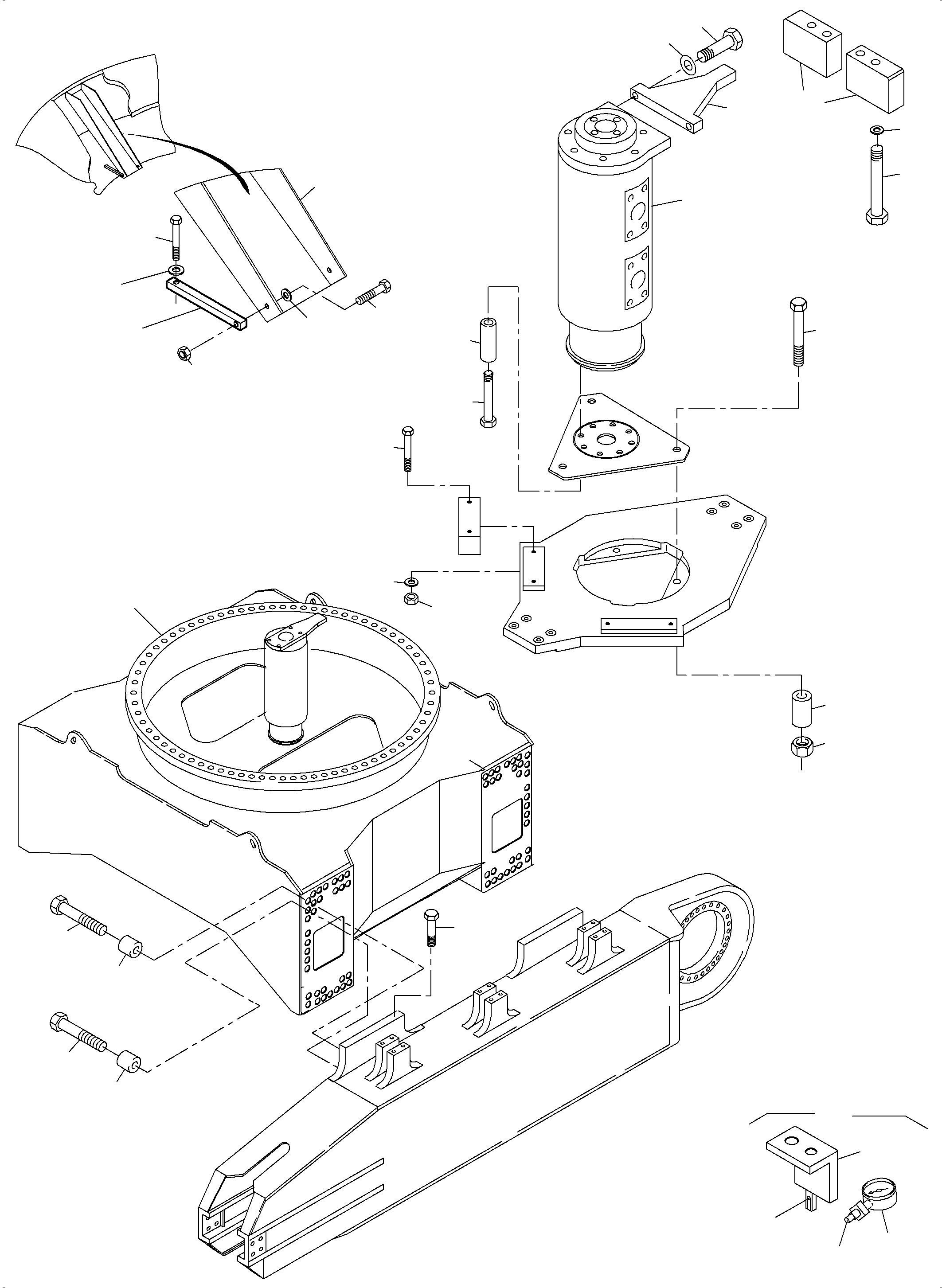
Rotary Joint 612-3155e 612-3155e

Номер на схеме Каталожный номер Название Количество Детали
? 930 806 40 Cam 1
EnglischBem:
DeutschBem:
DeutschDesc: Mitnehmer
InternBDB:
InternKon:
SerienBem:
Zwhead_Deu:
Zwhead_Eng:
? 308 414 99 Bolt 2
EnglischBem:
DeutschBem:
DeutschDesc: Schraube
InternBDB:
InternKon:
SerienBem:
Zwhead_Deu:
Zwhead_Eng:
? 510 729 98 Resilient sleeve 8
EnglischBem:
DeutschBem:
DeutschDesc: Dehnhьlse
InternBDB:
InternKon:
SerienBem:
Zwhead_Deu:
Zwhead_Eng:
? 308 321 99 Bolt 8
EnglischBem:
DeutschBem:
DeutschDesc: Schraube
InternBDB:
InternKon:
SerienBem:
Zwhead_Deu:
Zwhead_Eng:
? 334 686 99 Nut 4
EnglischBem:
DeutschBem:
DeutschDesc: Mutter
InternBDB:
InternKon:
SerienBem:
Zwhead_Deu:
Zwhead_Eng:
? 316 212 99 Washer 6
EnglischBem:
DeutschBem:
DeutschDesc: Scheibe
InternBDB:
InternKon:
SerienBem:
Zwhead_Deu:
Zwhead_Eng:
? 308 409 99 Bolt 4
EnglischBem:
DeutschBem:
DeutschDesc: Schraube
InternBDB:
InternKon:
SerienBem:
Zwhead_Deu:
Zwhead_Eng:
? 508 056 98 Bolt 3
EnglischBem:
DeutschBem:
DeutschDesc: Schraube
InternBDB:
InternKon:
SerienBem:
Zwhead_Deu:
Zwhead_Eng:
? 510 726 98 Resilient sleeve 3
EnglischBem:
DeutschBem:
DeutschDesc: Dehnhьlse
InternBDB:
InternKon:
SerienBem:
Zwhead_Deu:
Zwhead_Eng:
? 332 165 99 Nut 3
EnglischBem:
DeutschBem:
DeutschDesc: Mutter
InternBDB:
InternKon:
SerienBem:
Zwhead_Deu:
Zwhead_Eng:
? 938 761 40 Carbody 1
EnglischBem:
DeutschBem:
DeutschDesc: Mittelteil MB
InternBDB:
InternKon:
SerienBem:
Zwhead_Deu:
Zwhead_Eng:
? 307 777 99 Bolt 8
EnglischBem:
DeutschBem:
DeutschDesc: Schraube
InternBDB:
InternKon:
SerienBem:
Zwhead_Deu:
Zwhead_Eng:
? 519 900 98 Resilient sleeve 128
EnglischBem:
DeutschBem:
DeutschDesc: Dehnhьlse
InternBDB:
InternKon:
SerienBem:
Zwhead_Deu:
Zwhead_Eng:
? 933 613 40 Test Bolt 4
EnglischBem:
DeutschBem:
DeutschDesc: MeЯschraube
InternBDB:
InternKon:
SerienBem:
Zwhead_Deu:
Zwhead_Eng:
? 934 591 40 Test Bolt 4
EnglischBem:
DeutschBem:
DeutschDesc: MeЯschraube
InternBDB:
InternKon:
SerienBem:
Zwhead_Deu:
Zwhead_Eng:
? 517 855 98 Bolt 124
EnglischBem:
DeutschBem:
DeutschDesc: Schraube
InternBDB:
InternKon:
SerienBem:
Zwhead_Deu:
Zwhead_Eng:
? 517 902 98 Bolt 124
EnglischBem:
DeutschBem:
DeutschDesc: Schraube
InternBDB:
InternKon:
SerienBem:
Zwhead_Deu:
Zwhead_Eng:
? 943 144 40 Test equipment assy. 1
EnglischBem:
DeutschBem:
DeutschDesc: MeЯvorichtung kpl.
InternBDB:
InternKon:
SerienBem:
Zwhead_Deu:
Zwhead_Eng:
? 517 122 98 Washer 4
EnglischBem:
DeutschBem:
DeutschDesc: Scheibe
InternBDB:
InternKon:
SerienBem:
Zwhead_Deu:
Zwhead_Eng:
? 988 799 40 Grease chute 2
EnglischBem:
DeutschBem:
DeutschDesc: Fettrutsche
InternBDB:
InternKon:
SerienBem:
Zwhead_Deu:
Zwhead_Eng:
? 988 798 40 Strip 4
EnglischBem:
DeutschBem:
DeutschDesc: Leiste
InternBDB:
InternKon:
SerienBem:
Zwhead_Deu:
Zwhead_Eng:
? 308 577 98 Bolt 8
EnglischBem:
DeutschBem:
DeutschDesc: Schraube
InternBDB:
InternKon:
SerienBem:
Zwhead_Deu:
Zwhead_Eng:
? 514 921 98 Nut 4
EnglischBem:
DeutschBem:
DeutschDesc: Mutter
InternBDB:
InternKon:
SerienBem:
Zwhead_Deu:
Zwhead_Eng:
? 340 465 99 Washer 4
EnglischBem:
DeutschBem:
DeutschDesc: Scheibe
InternBDB:
InternKon:
SerienBem:
Zwhead_Deu:
Zwhead_Eng:
? 969 971 40 Angle 1
EnglischBem:
DeutschBem:
DeutschDesc: Winkel
InternBDB:
InternKon:
SerienBem:
Zwhead_Deu:
Zwhead_Eng:
? 092 706 40 Micrometer 1
EnglischBem:
DeutschBem:
DeutschDesc: MeЯuhr
InternBDB:
InternKon:
SerienBem:
Zwhead_Deu:
Zwhead_Eng:
? 502 515 98 Rim screw 1
EnglischBem:
DeutschBem:
DeutschDesc: Rдndelschraube
InternBDB:
InternKon:
SerienBem:
Zwhead_Deu:
Zwhead_Eng:
? 477 172 40 Test insert 1
EnglischBem:
DeutschBem:
DeutschDesc: Messeinsatz
InternBDB:
InternKon:
SerienBem:
Zwhead_Deu:
Zwhead_Eng:
? 930 805 40 Cam 2
EnglischBem:
DeutschBem:
DeutschDesc: Mitnehmer
InternBDB:
InternKon:
SerienBem:
Zwhead_Deu:
Zwhead_Eng:
? 514 874 98 Bolt 4
EnglischBem:
DeutschBem:
DeutschDesc: Schraube
InternBDB:
InternKon:
SerienBem:
Zwhead_Deu:
Zwhead_Eng:
? 340 510 99 Washer 4
EnglischBem:
DeutschBem:
DeutschDesc: Scheibe
InternBDB:
InternKon:
SerienBem:
Zwhead_Deu:
Zwhead_Eng:

Excavators Mining Komatsu / PC4000-6E S/N 08280(G08280) / Carbody(356-3150f : 356-3150f)
?
?
?
?
?
?
?
?
?
?
?
?
?
?
?
?
?
?
?
?
?
?
?
?
?
?
?
?
?
?
?
?
?