k-part

Номер на схеме Каталожный номер Название Количество Детали
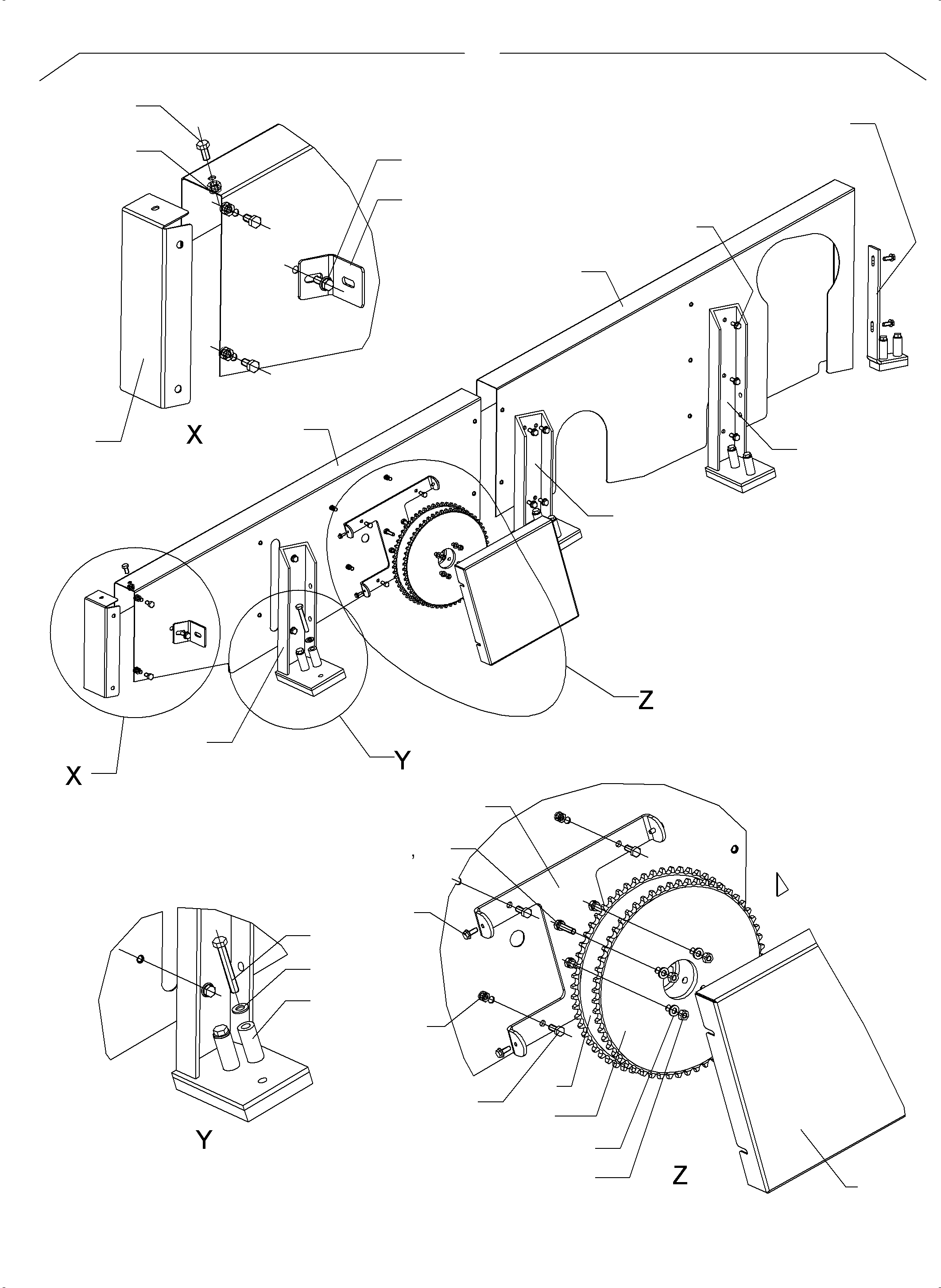
? 993 162 40 Beam assy. 1
EnglischBem:
DeutschBem:
DeutschDesc: Kabeltrommel kpl.
InternBDB:
InternKon:
SerienBem:
Zwhead_Deu:
Zwhead_Eng:
? 978 530 40 Carrier assy. 1
EnglischBem:
DeutschBem:
DeutschDesc: Trдger kpl.
InternBDB:
InternKon:
SerienBem:
Zwhead_Deu:
Zwhead_Eng:
? chain cover incl fig nos 101-124 1
EnglischBem:
DeutschBem:
DeutschDesc: Kettenabdeckung einschl. Bild Nr. 101-124
InternBDB:
InternKon:
SerienBem:
Zwhead_Deu:
Zwhead_Eng:
? 813 087 73 drive motor with gearbox 1
EnglischBem:
DeutschBem:
DeutschDesc: Antriebsmotor m. Getriebe
InternBDB:
InternKon:
SerienBem:
Zwhead_Deu:
Zwhead_Eng:
? 813 088 73 rotor resistor assy. D17 1
EnglischBem:
DeutschBem:
DeutschDesc: Laeuferwiderstand D17
InternBDB:
InternKon:
SerienBem:
Zwhead_Deu:
Zwhead_Eng:
? 307 785 99 hexagon head bolt 4
EnglischBem:
DeutschBem:
DeutschDesc: Sechskantschraube
InternBDB:
InternKon:
SerienBem:
Zwhead_Deu:
Zwhead_Eng:
? 340 465 99 washer 4
EnglischBem:
DeutschBem:
DeutschDesc: Scheibe
InternBDB:
InternKon:
SerienBem:
Zwhead_Deu:
Zwhead_Eng:
? resilient sleeve 4
EnglischBem:
DeutschBem:
DeutschDesc: Dehnhьlse
InternBDB:
InternKon:
SerienBem:
Zwhead_Deu:
Zwhead_Eng:
? holder 2
EnglischBem:
DeutschBem:
DeutschDesc: Halterung Lauferwiderstand
InternBDB:
InternKon:
SerienBem:
Zwhead_Deu:
Zwhead_Eng:
? hexagon head bolt 6
EnglischBem:
DeutschBem:
DeutschDesc: Sechskantschraube (kaltzдh)
InternBDB:
InternKon:
SerienBem:
Zwhead_Deu:
Zwhead_Eng:
? washer 12
EnglischBem:
DeutschBem:
DeutschDesc: Scheibe
InternBDB:
InternKon:
SerienBem:
Zwhead_Deu:
Zwhead_Eng:
? 510 732 98 resilient sleeve 10
EnglischBem:
DeutschBem:
DeutschDesc: Dehnhьlse
InternBDB:
InternKon:
SerienBem:
Zwhead_Deu:
Zwhead_Eng:
? hexagon head bolt 12
EnglischBem:
DeutschBem:
DeutschDesc: Sechskantschraube (kaltzдh)
InternBDB:
InternKon:
SerienBem:
Zwhead_Deu:
Zwhead_Eng:
? Lock washer 8
EnglischBem:
DeutschBem:
DeutschDesc: Ripplock Scheibe
InternBDB:
InternKon:
SerienBem:
Zwhead_Deu:
Zwhead_Eng:
? hexagon nut 4
EnglischBem:
DeutschBem:
DeutschDesc: Sechskantmutter
InternBDB:
InternKon:
SerienBem:
Zwhead_Deu:
Zwhead_Eng:
? hexagon head bolt 1
EnglischBem:
DeutschBem:
DeutschDesc: Sechskantschraube
InternBDB:
InternKon:
SerienBem:
Zwhead_Deu:
Zwhead_Eng:
? lock washer 1
EnglischBem:
DeutschBem:
DeutschDesc: Federring
InternBDB:
InternKon:
SerienBem:
Zwhead_Deu:
Zwhead_Eng:
? washer 1
EnglischBem:
DeutschBem:
DeutschDesc: Scheibe
InternBDB:
InternKon:
SerienBem:
Zwhead_Deu:
Zwhead_Eng:
? head cap screw 6
EnglischBem:
DeutschBem:
DeutschDesc: Zylinderschraube
InternBDB:
InternKon:
SerienBem:
Zwhead_Deu:
Zwhead_Eng:
? washer 14
EnglischBem:
DeutschBem:
DeutschDesc: Scheibe
InternBDB:
InternKon:
SerienBem:
Zwhead_Deu:
Zwhead_Eng:
? sprocket 1
EnglischBem:
DeutschBem:
DeutschDesc: Kettenrad
InternBDB:
InternKon:
SerienBem:
Zwhead_Deu:
Zwhead_Eng:
? clutch 1
EnglischBem:
DeutschBem:
DeutschDesc: SecMatic - Kupplung
InternBDB:
InternKon:
SerienBem:
Zwhead_Deu:
Zwhead_Eng:
? bushing 1
EnglischBem:
DeutschBem:
DeutschDesc: Buchse
InternBDB:
InternKon:
SerienBem:
Zwhead_Deu:
Zwhead_Eng:
? 769 095 73 Crank 1
EnglischBem:
DeutschBem:
DeutschDesc: Drehschlьssel
InternBDB:
InternKon:
SerienBem:
Zwhead_Deu:
Zwhead_Eng:
? hexagon head bolt 12
EnglischBem:
DeutschBem:
DeutschDesc: Sechskantschraube (kaltzдh)
InternBDB:
InternKon:
SerienBem:
Zwhead_Deu:
Zwhead_Eng:
? 813 089 73 chain 1
EnglischBem:
DeutschBem:
DeutschDesc: Rollenkette
InternBDB:
InternKon:
SerienBem:
Zwhead_Deu:
Zwhead_Eng:
? 799 063 73 chain 1
EnglischBem:
DeutschBem:
DeutschDesc: Rollenkette
InternBDB:
InternKon:
SerienBem:
Zwhead_Deu:
Zwhead_Eng:
? track adjuster output assy. 1
EnglischBem:
DeutschBem:
DeutschDesc: Kettenspanner Abtrieb kpl.
InternBDB:
InternKon:
SerienBem:
Zwhead_Deu:
Zwhead_Eng:
? sprocket 1
EnglischBem:
DeutschBem:
DeutschDesc: Kettenrad
InternBDB:
InternKon:
SerienBem:
Zwhead_Deu:
Zwhead_Eng:
? lock washer 36
EnglischBem:
DeutschBem:
DeutschDesc: Ripplock-Scheibe
InternBDB:
InternKon:
SerienBem:
Zwhead_Deu:
Zwhead_Eng:
? 307 754 99 hexagon head bolt 8
EnglischBem:
DeutschBem:
DeutschDesc: Sechskantschraube
InternBDB:
InternKon:
SerienBem:
Zwhead_Deu:
Zwhead_Eng:
? lock washer 2
EnglischBem:
DeutschBem:
DeutschDesc: Ripplock-Scheibe
InternBDB:
InternKon:
SerienBem:
Zwhead_Deu:
Zwhead_Eng:
? Bolt 7
EnglischBem:
DeutschBem:
DeutschDesc: Schraube
InternBDB:
InternKon:
SerienBem:
Zwhead_Deu:
Zwhead_Eng:
? holder for track adjuster output 1
EnglischBem:
DeutschBem:
DeutschDesc: Halter fьr Kettenspanner Abtrieb
InternBDB:
InternKon:
SerienBem:
Zwhead_Deu:
Zwhead_Eng:
? hexagonal nut 10
EnglischBem:
DeutschBem:
DeutschDesc: Sechskantmutter
InternBDB:
InternKon:
SerienBem:
Zwhead_Deu:
Zwhead_Eng:
? wedge washer 4
EnglischBem:
DeutschBem:
DeutschDesc: Keilscheibe
InternBDB:
InternKon:
SerienBem:
Zwhead_Deu:
Zwhead_Eng:
? hexagon head bolt 4
EnglischBem:
DeutschBem:
DeutschDesc: Sechskantschraube
InternBDB:
InternKon:
SerienBem:
Zwhead_Deu:
Zwhead_Eng:
? 307 779 99 hexagon head bolt 1
EnglischBem:
DeutschBem:
DeutschDesc: Sechskantschraube
InternBDB:
InternKon:
SerienBem:
Zwhead_Deu:
Zwhead_Eng:
? 512 476 98 hexagon nut 1
EnglischBem:
DeutschBem:
DeutschDesc: Sechskantmutter
InternBDB:
InternKon:
SerienBem:
Zwhead_Deu:
Zwhead_Eng:
? hexagon nut 4
EnglischBem:
DeutschBem:
DeutschDesc: Sechskantmutter
InternBDB:
InternKon:
SerienBem:
Zwhead_Deu:
Zwhead_Eng:
? lock washer 12
EnglischBem:
DeutschBem:
DeutschDesc: Nord-Lock Scheibe
InternBDB:
InternKon:
SerienBem:
Zwhead_Deu:
Zwhead_Eng:
? hexagon head bolt 12
EnglischBem:
DeutschBem:
DeutschDesc: Sechskantschraube (kaltzдh)
InternBDB:
InternKon:
SerienBem:
Zwhead_Deu:
Zwhead_Eng:
? 518 255 98 resilient sleeve 2
EnglischBem:
DeutschBem:
DeutschDesc: Dehnhьlse
InternBDB:
InternKon:
SerienBem:
Zwhead_Deu:
Zwhead_Eng:
? 796 180 73 position switch 2
EnglischBem:
DeutschBem:
DeutschDesc: Positionsschalter
InternBDB:
InternKon:
SerienBem:
Zwhead_Deu:
Zwhead_Eng:
? lock washer 8
EnglischBem:
DeutschBem:
DeutschDesc: Ripplock-Scheibe
InternBDB:
InternKon:
SerienBem:
Zwhead_Deu:
Zwhead_Eng:
? 518 257 98 hexagon head bolt 8
EnglischBem:
DeutschBem:
DeutschDesc: Sechskantschraube
InternBDB:
InternKon:
SerienBem:
Zwhead_Deu:
Zwhead_Eng:
? 510 730 98 resilient sleeve 16
EnglischBem:
DeutschBem:
DeutschDesc: Dehnhьlse
InternBDB:
InternKon:
SerienBem:
Zwhead_Deu:
Zwhead_Eng:
? washer 16
EnglischBem:
DeutschBem:
DeutschDesc: Scheibe
InternBDB:
InternKon:
SerienBem:
Zwhead_Deu:
Zwhead_Eng:
? 506 849 98 hexagon head bolt 8
EnglischBem:
DeutschBem:
DeutschDesc: Sechskantschraube
InternBDB:
InternKon:
SerienBem:
Zwhead_Deu:
Zwhead_Eng:
? 794 664 73 cover assy. 1
EnglischBem:
DeutschBem:
DeutschDesc: Deckel, kpl.
InternBDB:
InternKon:
SerienBem:
Zwhead_Deu:
Zwhead_Eng:
? 794 665 73 hinge bolt 1
EnglischBem:
DeutschBem:
DeutschDesc: Scharnierbolzen
InternBDB:
InternKon:
SerienBem:
Zwhead_Deu:
Zwhead_Eng:
? hexagon head bolt 6
EnglischBem:
DeutschBem:
DeutschDesc: Sechskantschraube (kaltzдh)
InternBDB:
InternKon:
SerienBem:
Zwhead_Deu:
Zwhead_Eng:
? 341 211 99 wedge washer 8
EnglischBem:
DeutschBem:
DeutschDesc: Keilscheibe
InternBDB:
InternKon:
SerienBem:
Zwhead_Deu:
Zwhead_Eng:
? frame 1
EnglischBem:
DeutschBem:
DeutschDesc: Halterung
InternBDB:
InternKon:
SerienBem:
Zwhead_Deu:
Zwhead_Eng:
? hexagon head bolt 16
EnglischBem:
DeutschBem:
DeutschDesc: Sechskantschraube
InternBDB:
InternKon:
SerienBem:
Zwhead_Deu:
Zwhead_Eng:
? 512 557 98 hexagon nut 12
EnglischBem:
DeutschBem:
DeutschDesc: Sechskantmutter
InternBDB:
InternKon:
SerienBem:
Zwhead_Deu:
Zwhead_Eng:
? 797 532 73 holder for track adjuster 1
EnglischBem:
DeutschBem:
DeutschDesc: Halterung fuer Kettenspanner
InternBDB:
InternKon:
SerienBem:
Zwhead_Deu:
Zwhead_Eng:
? track adjuster drive assy. 1
EnglischBem:
DeutschBem:
DeutschDesc: Kettenspanner kpl. Antrieb
InternBDB:
InternKon:
SerienBem:
Zwhead_Deu:
Zwhead_Eng:
? multiple cable gland 1
EnglischBem:
DeutschBem:
DeutschDesc: Mehrfachverschraubung
InternBDB:
InternKon:
SerienBem:
Zwhead_Deu:
Zwhead_Eng:
? plate 1
EnglischBem:
DeutschBem:
DeutschDesc: Gewindeblech
InternBDB:
InternKon:
SerienBem:
Zwhead_Deu:
Zwhead_Eng:
? 307 777 99 hexagon head bolt 6
EnglischBem:
DeutschBem:
DeutschDesc: Sechskantschraube
InternBDB:
InternKon:
SerienBem:
Zwhead_Deu:
Zwhead_Eng:
? lock washer 6
EnglischBem:
DeutschBem:
DeutschDesc: Ripplock-Scheibe
InternBDB:
InternKon:
SerienBem:
Zwhead_Deu:
Zwhead_Eng:
? hexagon head bolt 4
EnglischBem:
DeutschBem:
DeutschDesc: Sechskantschraube
InternBDB:
InternKon:
SerienBem:
Zwhead_Deu:
Zwhead_Eng:
? hexagon head bolt 8
EnglischBem:
DeutschBem:
DeutschDesc: Sechskantschraube
InternBDB:
InternKon:
SerienBem:
Zwhead_Deu:
Zwhead_Eng:
? 799 297 73 cover plate 1
EnglischBem:
DeutschBem:
DeutschDesc: Abdeckblech
InternBDB:
InternKon:
SerienBem:
Zwhead_Deu:
Zwhead_Eng:
? 799 298 73 cover plate 1
EnglischBem:
DeutschBem:
DeutschDesc: Abdeckblech
InternBDB:
InternKon:
SerienBem:
Zwhead_Deu:
Zwhead_Eng:
? hexagon head bolt 12
EnglischBem:
DeutschBem:
DeutschDesc: Sechskantschraube
InternBDB:
InternKon:
SerienBem:
Zwhead_Deu:
Zwhead_Eng:
? hexagon nut 6
EnglischBem:
DeutschBem:
DeutschDesc: Sechskantmutter
InternBDB:
InternKon:
SerienBem:
Zwhead_Deu:
Zwhead_Eng:
? eyebolt 4
EnglischBem:
DeutschBem:
DeutschDesc: Augenschraube
InternBDB:
InternKon:
SerienBem:
Zwhead_Deu:
Zwhead_Eng:
? 799 284 73 tension spring 2
EnglischBem:
DeutschBem:
DeutschDesc: Spannfeder
InternBDB:
InternKon:
SerienBem:
Zwhead_Deu:
Zwhead_Eng:
? 519 656 98 turnbuckle 2
EnglischBem:
DeutschBem:
DeutschDesc: Spannschloss
InternBDB:
InternKon:
SerienBem:
Zwhead_Deu:
Zwhead_Eng:
? 799 281 73 rope pull switch NS 5 2
EnglischBem:
DeutschBem:
DeutschDesc: Seilzugschalter NS 5
InternBDB:
InternKon:
SerienBem:
Zwhead_Deu:
Zwhead_Eng:
? 519 655 98 eyebolt 2
EnglischBem:
DeutschBem:
DeutschDesc: Augenschraube
InternBDB:
InternKon:
SerienBem:
Zwhead_Deu:
Zwhead_Eng:
? 799 285 73 pull rope A/R
EnglischBem:
DeutschBem:
DeutschDesc: Zugseil
InternBDB:
InternKon:
SerienBem:
Zwhead_Deu:
Zwhead_Eng:
? 300 045 99 rope thimble 4
EnglischBem:
DeutschBem:
DeutschDesc: Seilkausche
InternBDB:
InternKon:
SerienBem:
Zwhead_Deu:
Zwhead_Eng:
? 111 260 99 rope clamp 8
EnglischBem:
DeutschBem:
DeutschDesc: Seilklemme
InternBDB:
InternKon:
SerienBem:
Zwhead_Deu:
Zwhead_Eng:
? switch cover 2
EnglischBem:
DeutschBem:
DeutschDesc: Schalterabdeckung
InternBDB:
InternKon:
SerienBem:
Zwhead_Deu:
Zwhead_Eng:
? 799 287 73 hinge bolt 2
EnglischBem:
DeutschBem:
DeutschDesc: Scharnierbolzen
InternBDB:
InternKon:
SerienBem:
Zwhead_Deu:
Zwhead_Eng:
? 799 288 73 cover assy. 2
EnglischBem:
DeutschBem:
DeutschDesc: Deckel, kpl.
InternBDB:
InternKon:
SerienBem:
Zwhead_Deu:
Zwhead_Eng:
? 799 289 73 flag 2
EnglischBem:
DeutschBem:
DeutschDesc: Markierungsfahne gelb/rot
InternBDB:
InternKon:
SerienBem:
Zwhead_Deu:
Zwhead_Eng:
? cover plate 1
EnglischBem:
DeutschBem:
DeutschDesc: Abdeckblech
InternBDB:
InternKon:
SerienBem:
Zwhead_Deu:
Zwhead_Eng:
? cover plate 1
EnglischBem:
DeutschBem:
DeutschDesc: Abdeckblech
InternBDB:
InternKon:
SerienBem:
Zwhead_Deu:
Zwhead_Eng:
? cover plate 1
EnglischBem:
DeutschBem:
DeutschDesc: Abdeckblech
InternBDB:
InternKon:
SerienBem:
Zwhead_Deu:
Zwhead_Eng:
? holder 01 / weldment 1
EnglischBem:
DeutschBem:
DeutschDesc: Halterung 01 / SchweiЯteil
InternBDB:
InternKon:
SerienBem:
Zwhead_Deu:
Zwhead_Eng:
? holder 02 / weldment 1
EnglischBem:
DeutschBem:
DeutschDesc: Halterung 02 / SchweiЯteil
InternBDB:
InternKon:
SerienBem:
Zwhead_Deu:
Zwhead_Eng:
? holder 03 / weldment 1
EnglischBem:
DeutschBem:
DeutschDesc: Halterung 03 / SchweiЯteil
InternBDB:
InternKon:
SerienBem:
Zwhead_Deu:
Zwhead_Eng:
? holder 04 / support angle 1
EnglischBem:
DeutschBem:
DeutschDesc: Halterrung 04 / Winkelblech
InternBDB:
InternKon:
SerienBem:
Zwhead_Deu:
Zwhead_Eng:
? angle 1
EnglischBem:
DeutschBem:
DeutschDesc: Winkel
InternBDB:
InternKon:
SerienBem:
Zwhead_Deu:
Zwhead_Eng:
? Sprocket holder 1
EnglischBem:
DeutschBem:
DeutschDesc: Halterung Kettenrдder
InternBDB:
InternKon:
SerienBem:
Zwhead_Deu:
Zwhead_Eng:
? Sprocket cover 1
EnglischBem:
DeutschBem:
DeutschDesc: Deckelblech
InternBDB:
InternKon:
SerienBem:
Zwhead_Deu:
Zwhead_Eng:
? Replacement sprocket 1
EnglischBem:
DeutschBem:
DeutschDesc: Kettenradscheibe
InternBDB:
InternKon:
SerienBem:
Zwhead_Deu:
Zwhead_Eng:
? Replacement sprocket 1
EnglischBem:
DeutschBem:
DeutschDesc: Kettenradscheibe
InternBDB:
InternKon:
SerienBem:
Zwhead_Deu:
Zwhead_Eng:
? hexagon head bolt 4
EnglischBem:
DeutschBem:
DeutschDesc: Sechskantschraube
InternBDB:
InternKon:
SerienBem:
Zwhead_Deu:
Zwhead_Eng:
? hexagon nut 6
EnglischBem:
DeutschBem:
DeutschDesc: Sechskantmutter
InternBDB:
InternKon:
SerienBem:
Zwhead_Deu:
Zwhead_Eng:
? Lock washer 4
EnglischBem:
DeutschBem:
DeutschDesc: Ripplockscheibe
InternBDB:
InternKon:
SerienBem:
Zwhead_Deu:
Zwhead_Eng:
? hexagon nut 4
EnglischBem:
DeutschBem:
DeutschDesc: Sechskantmutter
InternBDB:
InternKon:
SerienBem:
Zwhead_Deu:
Zwhead_Eng:
? hexagon head bolt 4
EnglischBem:
DeutschBem:
DeutschDesc: Sechskantschraube
InternBDB:
InternKon:
SerienBem:
Zwhead_Deu:
Zwhead_Eng:
? Corrugated head bolt 4
EnglischBem:
DeutschBem:
DeutschDesc: Sicherungsschraube
InternBDB:
InternKon:
SerienBem:
Zwhead_Deu:
Zwhead_Eng:
? resilient sleeve 8
EnglischBem:
DeutschBem:
DeutschDesc: Dehnhьlse
InternBDB:
InternKon:
SerienBem:
Zwhead_Deu:
Zwhead_Eng:
? Washer 8
EnglischBem:
DeutschBem:
DeutschDesc: Scheibe
InternBDB:
InternKon:
SerienBem:
Zwhead_Deu:
Zwhead_Eng:
? hexagon head bolt 8
EnglischBem:
DeutschBem:
DeutschDesc: Sechskantschraube
InternBDB:
InternKon:
SerienBem:
Zwhead_Deu:
Zwhead_Eng:
? Corrugated head bolt 12
EnglischBem:
DeutschBem:
DeutschDesc: Sicherungsschraube
InternBDB:
InternKon:
SerienBem:
Zwhead_Deu:
Zwhead_Eng:
? hexagon head bolt 4
EnglischBem:
DeutschBem:
DeutschDesc: Sechskantschraube
InternBDB:
InternKon:
SerienBem:
Zwhead_Deu:
Zwhead_Eng:
? hexagon nut 4
EnglischBem:
DeutschBem:
DeutschDesc: Sechskantmutter
InternBDB:
InternKon:
SerienBem:
Zwhead_Deu:
Zwhead_Eng:
? A/R
EnglischBem:
DeutschBem:
DeutschDesc:
InternBDB:
InternKon:
SerienBem:
Zwhead_Deu:
Zwhead_Eng:
? A/R
EnglischBem:
DeutschBem:
DeutschDesc:
InternBDB:
InternKon:
SerienBem:
Zwhead_Deu:
Zwhead_Eng:
? A/R
EnglischBem:
DeutschBem:
DeutschDesc:
InternBDB:
InternKon:
SerienBem:
Zwhead_Deu:
Zwhead_Eng:
? A/R
EnglischBem:
DeutschBem:
DeutschDesc:
InternBDB:
InternKon:
SerienBem:
Zwhead_Deu:
Zwhead_Eng:
? A/R
EnglischBem:
DeutschBem:
DeutschDesc:
InternBDB:
InternKon:
SerienBem:
Zwhead_Deu:
Zwhead_Eng:
? A/R
EnglischBem:
DeutschBem:
DeutschDesc:
InternBDB:
InternKon:
SerienBem:
Zwhead_Deu:
Zwhead_Eng:
? A/R
EnglischBem:
DeutschBem:
DeutschDesc:
InternBDB:
InternKon:
SerienBem:
Zwhead_Deu:
Zwhead_Eng:
? A/R
EnglischBem:
DeutschBem:
DeutschDesc:
InternBDB:
InternKon:
SerienBem:
Zwhead_Deu:
Zwhead_Eng:
? A/R
EnglischBem:
DeutschBem:
DeutschDesc:
InternBDB:
InternKon:
SerienBem:
Zwhead_Deu:
Zwhead_Eng:
? A/R
EnglischBem:
DeutschBem:
DeutschDesc:
InternBDB:
InternKon:
SerienBem:
Zwhead_Deu:
Zwhead_Eng:
? A/R
EnglischBem:
DeutschBem:
DeutschDesc:
InternBDB:
InternKon:
SerienBem:
Zwhead_Deu:
Zwhead_Eng:
? A/R
EnglischBem:
DeutschBem:
DeutschDesc:
InternBDB:
InternKon:
SerienBem:
Zwhead_Deu:
Zwhead_Eng:
? A/R
EnglischBem:
DeutschBem:
DeutschDesc:
InternBDB:
InternKon:
SerienBem:
Zwhead_Deu:
Zwhead_Eng:
? A/R
EnglischBem:
DeutschBem:
DeutschDesc:
InternBDB:
InternKon:
SerienBem:
Zwhead_Deu:
Zwhead_Eng:
? A/R
EnglischBem:
DeutschBem:
DeutschDesc:
InternBDB:
InternKon:
SerienBem:
Zwhead_Deu:
Zwhead_Eng:
? A/R
EnglischBem:
DeutschBem:
DeutschDesc:
InternBDB:
InternKon:
SerienBem:
Zwhead_Deu:
Zwhead_Eng:
? A/R
EnglischBem:
DeutschBem:
DeutschDesc:
InternBDB:
InternKon:
SerienBem:
Zwhead_Deu:
Zwhead_Eng:
? A/R
EnglischBem:
DeutschBem:
DeutschDesc:
InternBDB:
InternKon:
SerienBem:
Zwhead_Deu:
Zwhead_Eng:
? A/R
EnglischBem:
DeutschBem:
DeutschDesc:
InternBDB:
InternKon:
SerienBem:
Zwhead_Deu:
Zwhead_Eng:
? A/R
EnglischBem:
DeutschBem:
DeutschDesc:
InternBDB:
InternKon:
SerienBem:
Zwhead_Deu:
Zwhead_Eng:
? A/R
EnglischBem:
DeutschBem:
DeutschDesc:
InternBDB:
InternKon:
SerienBem:
Zwhead_Deu:
Zwhead_Eng:
? A/R
EnglischBem:
DeutschBem:
DeutschDesc:
InternBDB:
InternKon:
SerienBem:
Zwhead_Deu:
Zwhead_Eng:
? A/R
EnglischBem:
DeutschBem:
DeutschDesc:
InternBDB:
InternKon:
SerienBem:
Zwhead_Deu:
Zwhead_Eng:
? A/R
EnglischBem:
DeutschBem:
DeutschDesc:
InternBDB:
InternKon:
SerienBem:
Zwhead_Deu:
Zwhead_Eng:
? A/R
EnglischBem:
DeutschBem:
DeutschDesc:
InternBDB:
InternKon:
SerienBem:
Zwhead_Deu:
Zwhead_Eng:
? A/R
EnglischBem:
DeutschBem:
DeutschDesc:
InternBDB:
InternKon:
SerienBem:
Zwhead_Deu:
Zwhead_Eng:
? A/R
EnglischBem:
DeutschBem:
DeutschDesc:
InternBDB:
InternKon:
SerienBem:
Zwhead_Deu:
Zwhead_Eng:
? A/R
EnglischBem:
DeutschBem:
DeutschDesc:
InternBDB:
InternKon:
SerienBem:
Zwhead_Deu:
Zwhead_Eng:
? A/R
EnglischBem:
DeutschBem:
DeutschDesc:
InternBDB:
InternKon:
SerienBem:
Zwhead_Deu:
Zwhead_Eng:
? A/R
EnglischBem:
DeutschBem:
DeutschDesc:
InternBDB:
InternKon:
SerienBem:
Zwhead_Deu:
Zwhead_Eng:
? A/R
EnglischBem:
DeutschBem:
DeutschDesc:
InternBDB:
InternKon:
SerienBem:
Zwhead_Deu:
Zwhead_Eng:
? A/R
EnglischBem:
DeutschBem:
DeutschDesc:
InternBDB:
InternKon:
SerienBem:
Zwhead_Deu:
Zwhead_Eng:
? A/R
EnglischBem:
DeutschBem:
DeutschDesc:
InternBDB:
InternKon:
SerienBem:
Zwhead_Deu:
Zwhead_Eng:
? A/R
EnglischBem:
DeutschBem:
DeutschDesc:
InternBDB:
InternKon:
SerienBem:
Zwhead_Deu:
Zwhead_Eng:
? A/R
EnglischBem:
DeutschBem:
DeutschDesc:
InternBDB:
InternKon:
SerienBem:
Zwhead_Deu:
Zwhead_Eng:
? A/R
EnglischBem:
DeutschBem:
DeutschDesc:
InternBDB:
InternKon:
SerienBem:
Zwhead_Deu:
Zwhead_Eng:
? A/R
EnglischBem:
DeutschBem:
DeutschDesc:
InternBDB:
InternKon:
SerienBem:
Zwhead_Deu:
Zwhead_Eng:
? A/R
EnglischBem:
DeutschBem:
DeutschDesc:
InternBDB:
InternKon:
SerienBem:
Zwhead_Deu:
Zwhead_Eng:
? A/R
EnglischBem:
DeutschBem:
DeutschDesc:
InternBDB:
InternKon:
SerienBem:
Zwhead_Deu:
Zwhead_Eng:
? A/R
EnglischBem:
DeutschBem:
DeutschDesc:
InternBDB:
InternKon:
SerienBem:
Zwhead_Deu:
Zwhead_Eng:
? A/R
EnglischBem:
DeutschBem:
DeutschDesc:
InternBDB:
InternKon:
SerienBem:
Zwhead_Deu:
Zwhead_Eng:
? A/R
EnglischBem:
DeutschBem:
DeutschDesc:
InternBDB:
InternKon:
SerienBem:
Zwhead_Deu:
Zwhead_Eng:
? A/R
EnglischBem:
DeutschBem:
DeutschDesc:
InternBDB:
InternKon:
SerienBem:
Zwhead_Deu:
Zwhead_Eng:
? A/R
EnglischBem:
DeutschBem:
DeutschDesc:
InternBDB:
InternKon:
SerienBem:
Zwhead_Deu:
Zwhead_Eng:
? A/R
EnglischBem:
DeutschBem:
DeutschDesc:
InternBDB:
InternKon:
SerienBem:
Zwhead_Deu:
Zwhead_Eng:
? A/R
EnglischBem:
DeutschBem:
DeutschDesc:
InternBDB:
InternKon:
SerienBem:
Zwhead_Deu:
Zwhead_Eng:
? A/R
EnglischBem:
DeutschBem:
DeutschDesc:
InternBDB:
InternKon:
SerienBem:
Zwhead_Deu:
Zwhead_Eng:
? A/R
EnglischBem:
DeutschBem:
DeutschDesc:
InternBDB:
InternKon:
SerienBem:
Zwhead_Deu:
Zwhead_Eng:
? A/R
EnglischBem:
DeutschBem:
DeutschDesc:
InternBDB:
InternKon:
SerienBem:
Zwhead_Deu:
Zwhead_Eng:
? A/R
EnglischBem:
DeutschBem:
DeutschDesc:
InternBDB:
InternKon:
SerienBem:
Zwhead_Deu:
Zwhead_Eng:
? A/R
EnglischBem:
DeutschBem:
DeutschDesc:
InternBDB:
InternKon:
SerienBem:
Zwhead_Deu:
Zwhead_Eng:
? A/R
EnglischBem:
DeutschBem:
DeutschDesc:
InternBDB:
InternKon:
SerienBem:
Zwhead_Deu:
Zwhead_Eng:
? A/R
EnglischBem:
DeutschBem:
DeutschDesc:
InternBDB:
InternKon:
SerienBem:
Zwhead_Deu:
Zwhead_Eng:
? A/R
EnglischBem:
DeutschBem:
DeutschDesc:
InternBDB:
InternKon:
SerienBem:
Zwhead_Deu:
Zwhead_Eng:
? A/R
EnglischBem:
DeutschBem:
DeutschDesc:
InternBDB:
InternKon:
SerienBem:
Zwhead_Deu:
Zwhead_Eng:
? A/R
EnglischBem:
DeutschBem:
DeutschDesc:
InternBDB:
InternKon:
SerienBem:
Zwhead_Deu:
Zwhead_Eng:
? A/R
EnglischBem:
DeutschBem:
DeutschDesc:
InternBDB:
InternKon:
SerienBem:
Zwhead_Deu:
Zwhead_Eng:
? A/R
EnglischBem:
DeutschBem:
DeutschDesc:
InternBDB:
InternKon:
SerienBem:
Zwhead_Deu:
Zwhead_Eng:
? A/R
EnglischBem:
DeutschBem:
DeutschDesc:
InternBDB:
InternKon:
SerienBem:
Zwhead_Deu:
Zwhead_Eng:
? A/R
EnglischBem:
DeutschBem:
DeutschDesc:
InternBDB:
InternKon:
SerienBem:
Zwhead_Deu:
Zwhead_Eng:
? A/R
EnglischBem:
DeutschBem:
DeutschDesc:
InternBDB:
InternKon:
SerienBem:
Zwhead_Deu:
Zwhead_Eng:
? A/R
EnglischBem:
DeutschBem:
DeutschDesc:
InternBDB:
InternKon:
SerienBem:
Zwhead_Deu:
Zwhead_Eng:
? A/R
EnglischBem:
DeutschBem:
DeutschDesc:
InternBDB:
InternKon:
SerienBem:
Zwhead_Deu:
Zwhead_Eng:
? A/R
EnglischBem:
DeutschBem:
DeutschDesc:
InternBDB:
InternKon:
SerienBem:
Zwhead_Deu:
Zwhead_Eng:
? A/R
EnglischBem:
DeutschBem:
DeutschDesc:
InternBDB:
InternKon:
SerienBem:
Zwhead_Deu:
Zwhead_Eng:
? A/R
EnglischBem:
DeutschBem:
DeutschDesc:
InternBDB:
InternKon:
SerienBem:
Zwhead_Deu:
Zwhead_Eng:
? A/R
EnglischBem:
DeutschBem:
DeutschDesc:
InternBDB:
InternKon:
SerienBem:
Zwhead_Deu:
Zwhead_Eng:
? A/R
EnglischBem:
DeutschBem:
DeutschDesc:
InternBDB:
InternKon:
SerienBem:
Zwhead_Deu:
Zwhead_Eng:
? A/R
EnglischBem:
DeutschBem:
DeutschDesc:
InternBDB:
InternKon:
SerienBem:
Zwhead_Deu:
Zwhead_Eng:
? A/R
EnglischBem:
DeutschBem:
DeutschDesc:
InternBDB:
InternKon:
SerienBem:
Zwhead_Deu:
Zwhead_Eng:
? A/R
EnglischBem:
DeutschBem:
DeutschDesc:
InternBDB:
InternKon:
SerienBem:
Zwhead_Deu:
Zwhead_Eng:
? A/R
EnglischBem:
DeutschBem:
DeutschDesc:
InternBDB:
InternKon:
SerienBem:
Zwhead_Deu:
Zwhead_Eng:
? A/R
EnglischBem:
DeutschBem:
DeutschDesc:
InternBDB:
InternKon:
SerienBem:
Zwhead_Deu:
Zwhead_Eng:
? A/R
EnglischBem:
DeutschBem:
DeutschDesc:
InternBDB:
InternKon:
SerienBem:
Zwhead_Deu:
Zwhead_Eng:
? A/R
EnglischBem:
DeutschBem:
DeutschDesc:
InternBDB:
InternKon:
SerienBem:
Zwhead_Deu:
Zwhead_Eng:
? A/R
EnglischBem:
DeutschBem:
DeutschDesc:
InternBDB:
InternKon:
SerienBem:
Zwhead_Deu:
Zwhead_Eng:
? A/R
EnglischBem:
DeutschBem:
DeutschDesc:
InternBDB:
InternKon:
SerienBem:
Zwhead_Deu:
Zwhead_Eng:
? A/R
EnglischBem:
DeutschBem:
DeutschDesc:
InternBDB:
InternKon:
SerienBem:
Zwhead_Deu:
Zwhead_Eng:
? A/R
EnglischBem:
DeutschBem:
DeutschDesc:
InternBDB:
InternKon:
SerienBem:
Zwhead_Deu:
Zwhead_Eng:
? A/R
EnglischBem:
DeutschBem:
DeutschDesc:
InternBDB:
InternKon:
SerienBem:
Zwhead_Deu:
Zwhead_Eng:
? A/R
EnglischBem:
DeutschBem:
DeutschDesc:
InternBDB:
InternKon:
SerienBem:
Zwhead_Deu:
Zwhead_Eng:
? A/R
EnglischBem:
DeutschBem:
DeutschDesc:
InternBDB:
InternKon:
SerienBem:
Zwhead_Deu:
Zwhead_Eng:
? A/R
EnglischBem:
DeutschBem:
DeutschDesc:
InternBDB:
InternKon:
SerienBem:
Zwhead_Deu:
Zwhead_Eng:
? A/R
EnglischBem:
DeutschBem:
DeutschDesc:
InternBDB:
InternKon:
SerienBem:
Zwhead_Deu:
Zwhead_Eng:
? A/R
EnglischBem:
DeutschBem:
DeutschDesc:
InternBDB:
InternKon:
SerienBem:
Zwhead_Deu:
Zwhead_Eng:
? A/R
EnglischBem:
DeutschBem:
DeutschDesc:
InternBDB:
InternKon:
SerienBem:
Zwhead_Deu:
Zwhead_Eng:
? A/R
EnglischBem:
DeutschBem:
DeutschDesc:
InternBDB:
InternKon:
SerienBem:
Zwhead_Deu:
Zwhead_Eng:
? A/R
EnglischBem:
DeutschBem:
DeutschDesc:
InternBDB:
InternKon:
SerienBem:
Zwhead_Deu:
Zwhead_Eng:
? A/R
EnglischBem:
DeutschBem:
DeutschDesc:
InternBDB:
InternKon:
SerienBem:
Zwhead_Deu:
Zwhead_Eng:
? A/R
EnglischBem:
DeutschBem:
DeutschDesc:
InternBDB:
InternKon:
SerienBem:
Zwhead_Deu:
Zwhead_Eng:
? A/R
EnglischBem:
DeutschBem:
DeutschDesc:
InternBDB:
InternKon:
SerienBem:
Zwhead_Deu:
Zwhead_Eng:
? A/R
EnglischBem:
DeutschBem:
DeutschDesc:
InternBDB:
InternKon:
SerienBem:
Zwhead_Deu:
Zwhead_Eng:
? A/R
EnglischBem:
DeutschBem:
DeutschDesc:
InternBDB:
InternKon:
SerienBem:
Zwhead_Deu:
Zwhead_Eng:
? A/R
EnglischBem:
DeutschBem:
DeutschDesc:
InternBDB:
InternKon:
SerienBem:
Zwhead_Deu:
Zwhead_Eng:
? A/R
EnglischBem:
DeutschBem:
DeutschDesc:
InternBDB:
InternKon:
SerienBem:
Zwhead_Deu:
Zwhead_Eng:
? A/R
EnglischBem:
DeutschBem:
DeutschDesc:
InternBDB:
InternKon:
SerienBem:
Zwhead_Deu:
Zwhead_Eng:
? A/R
EnglischBem:
DeutschBem:
DeutschDesc:
InternBDB:
InternKon:
SerienBem:
Zwhead_Deu:
Zwhead_Eng:
? A/R
EnglischBem:
DeutschBem:
DeutschDesc:
InternBDB:
InternKon:
SerienBem:
Zwhead_Deu:
Zwhead_Eng:
? A/R
EnglischBem:
DeutschBem:
DeutschDesc:
InternBDB:
InternKon:
SerienBem:
Zwhead_Deu:
Zwhead_Eng:
? A/R
EnglischBem:
DeutschBem:
DeutschDesc:
InternBDB:
InternKon:
SerienBem:
Zwhead_Deu:
Zwhead_Eng:
? A/R
EnglischBem:
DeutschBem:
DeutschDesc:
InternBDB:
InternKon:
SerienBem:
Zwhead_Deu:
Zwhead_Eng:
? A/R
EnglischBem:
DeutschBem:
DeutschDesc:
InternBDB:
InternKon:
SerienBem:
Zwhead_Deu:
Zwhead_Eng:
? A/R
EnglischBem:
DeutschBem:
DeutschDesc:
InternBDB:
InternKon:
SerienBem:
Zwhead_Deu:
Zwhead_Eng:
? A/R
EnglischBem:
DeutschBem:
DeutschDesc:
InternBDB:
InternKon:
SerienBem:
Zwhead_Deu:
Zwhead_Eng:
? A/R
EnglischBem:
DeutschBem:
DeutschDesc:
InternBDB:
InternKon:
SerienBem:
Zwhead_Deu:
Zwhead_Eng:
? A/R
EnglischBem:
DeutschBem:
DeutschDesc:
InternBDB:
InternKon:
SerienBem:
Zwhead_Deu:
Zwhead_Eng:
? A/R
EnglischBem:
DeutschBem:
DeutschDesc:
InternBDB:
InternKon:
SerienBem:
Zwhead_Deu:
Zwhead_Eng:
? A/R
EnglischBem:
DeutschBem:
DeutschDesc:
InternBDB:
InternKon:
SerienBem:
Zwhead_Deu:
Zwhead_Eng:
? A/R
EnglischBem:
DeutschBem:
DeutschDesc:
InternBDB:
InternKon:
SerienBem:
Zwhead_Deu:
Zwhead_Eng:
? A/R
EnglischBem:
DeutschBem:
DeutschDesc:
InternBDB:
InternKon:
SerienBem:
Zwhead_Deu:
Zwhead_Eng:
? A/R
EnglischBem:
DeutschBem:
DeutschDesc:
InternBDB:
InternKon:
SerienBem:
Zwhead_Deu:
Zwhead_Eng:
? A/R
EnglischBem:
DeutschBem:
DeutschDesc:
InternBDB:
InternKon:
SerienBem:
Zwhead_Deu:
Zwhead_Eng:
? A/R
EnglischBem:
DeutschBem:
DeutschDesc:
InternBDB:
InternKon:
SerienBem:
Zwhead_Deu:
Zwhead_Eng:
? A/R
EnglischBem:
DeutschBem:
DeutschDesc:
InternBDB:
InternKon:
SerienBem:
Zwhead_Deu:
Zwhead_Eng:
? A/R
EnglischBem:
DeutschBem:
DeutschDesc:
InternBDB:
InternKon:
SerienBem:
Zwhead_Deu:
Zwhead_Eng:
? A/R
EnglischBem:
DeutschBem:
DeutschDesc:
InternBDB:
InternKon:
SerienBem:
Zwhead_Deu:
Zwhead_Eng:
? A/R
EnglischBem:
DeutschBem:
DeutschDesc:
InternBDB:
InternKon:
SerienBem:
Zwhead_Deu:
Zwhead_Eng:
? A/R
EnglischBem:
DeutschBem:
DeutschDesc:
InternBDB:
InternKon:
SerienBem:
Zwhead_Deu:
Zwhead_Eng:
? A/R
EnglischBem:
DeutschBem:
DeutschDesc:
InternBDB:
InternKon:
SerienBem:
Zwhead_Deu:
Zwhead_Eng:
? A/R
EnglischBem:
DeutschBem:
DeutschDesc:
InternBDB:
InternKon:
SerienBem:
Zwhead_Deu:
Zwhead_Eng:
? A/R
EnglischBem:
DeutschBem:
DeutschDesc:
InternBDB:
InternKon:
SerienBem:
Zwhead_Deu:
Zwhead_Eng:
? A/R
EnglischBem:
DeutschBem:
DeutschDesc:
InternBDB:
InternKon:
SerienBem:
Zwhead_Deu:
Zwhead_Eng:
? A/R
EnglischBem:
DeutschBem:
DeutschDesc:
InternBDB:
InternKon:
SerienBem:
Zwhead_Deu:
Zwhead_Eng:
? A/R
EnglischBem:
DeutschBem:
DeutschDesc:
InternBDB:
InternKon:
SerienBem:
Zwhead_Deu:
Zwhead_Eng:
? A/R
EnglischBem:
DeutschBem:
DeutschDesc:
InternBDB:
InternKon:
SerienBem:
Zwhead_Deu:
Zwhead_Eng:
? A/R
EnglischBem:
DeutschBem:
DeutschDesc:
InternBDB:
InternKon:
SerienBem:
Zwhead_Deu:
Zwhead_Eng:
? A/R
EnglischBem:
DeutschBem:
DeutschDesc:
InternBDB:
InternKon:
SerienBem:
Zwhead_Deu:
Zwhead_Eng:
? A/R
EnglischBem:
DeutschBem:
DeutschDesc:
InternBDB:
InternKon:
SerienBem:
Zwhead_Deu:
Zwhead_Eng:
? A/R
EnglischBem:
DeutschBem:
DeutschDesc:
InternBDB:
InternKon:
SerienBem:
Zwhead_Deu:
Zwhead_Eng:
? A/R
EnglischBem:
DeutschBem:
DeutschDesc:
InternBDB:
InternKon:
SerienBem:
Zwhead_Deu:
Zwhead_Eng:
? A/R
EnglischBem:
DeutschBem:
DeutschDesc:
InternBDB:
InternKon:
SerienBem:
Zwhead_Deu:
Zwhead_Eng:
? A/R
EnglischBem:
DeutschBem:
DeutschDesc:
InternBDB:
InternKon:
SerienBem:
Zwhead_Deu:
Zwhead_Eng:
? A/R
EnglischBem:
DeutschBem:
DeutschDesc:
InternBDB:
InternKon:
SerienBem:
Zwhead_Deu:
Zwhead_Eng:

Excavators Mining Komatsu / PC4000-6E S/N 08284(G08284) / Cable drum(991-1565 : 991-1565)
?
?
?
?
?
?
?
?
?
?
?
?
?
?
?
?
?
?
?
?
?
?
?
?
?
?
?
?
?
?
?
?
?
?
?
?
?
?
?
?
?
?
?
?
?
?
?
?
?
?
?
?
?
?
?
?
?
?
?
?
?
?
?
?
?
?
?
?
?
?
?
?
?
?
?
?
?
?
?
?
?
?
?
?
?
?
?
?
?
?
?
?
?
?
?
Excavators Mining Komatsu / PC4000-6E S/N 08284(G08284) / Cable drum(991-1565 : 991-1565)
?
?
?
?
?
?
?
?
?
?
?
?
?
?
?
?
?
?
?
?
?
?
?
?
?
Excavators Mining Komatsu / PC4000-6E S/N 08284(G08284) / Cable drum(991-1565 : 991-1565)
?
?
?
?
?
?
?
?
?
?
?
?
?
?
?
?
?
?
?
?
?
?
?
?
?
?
?