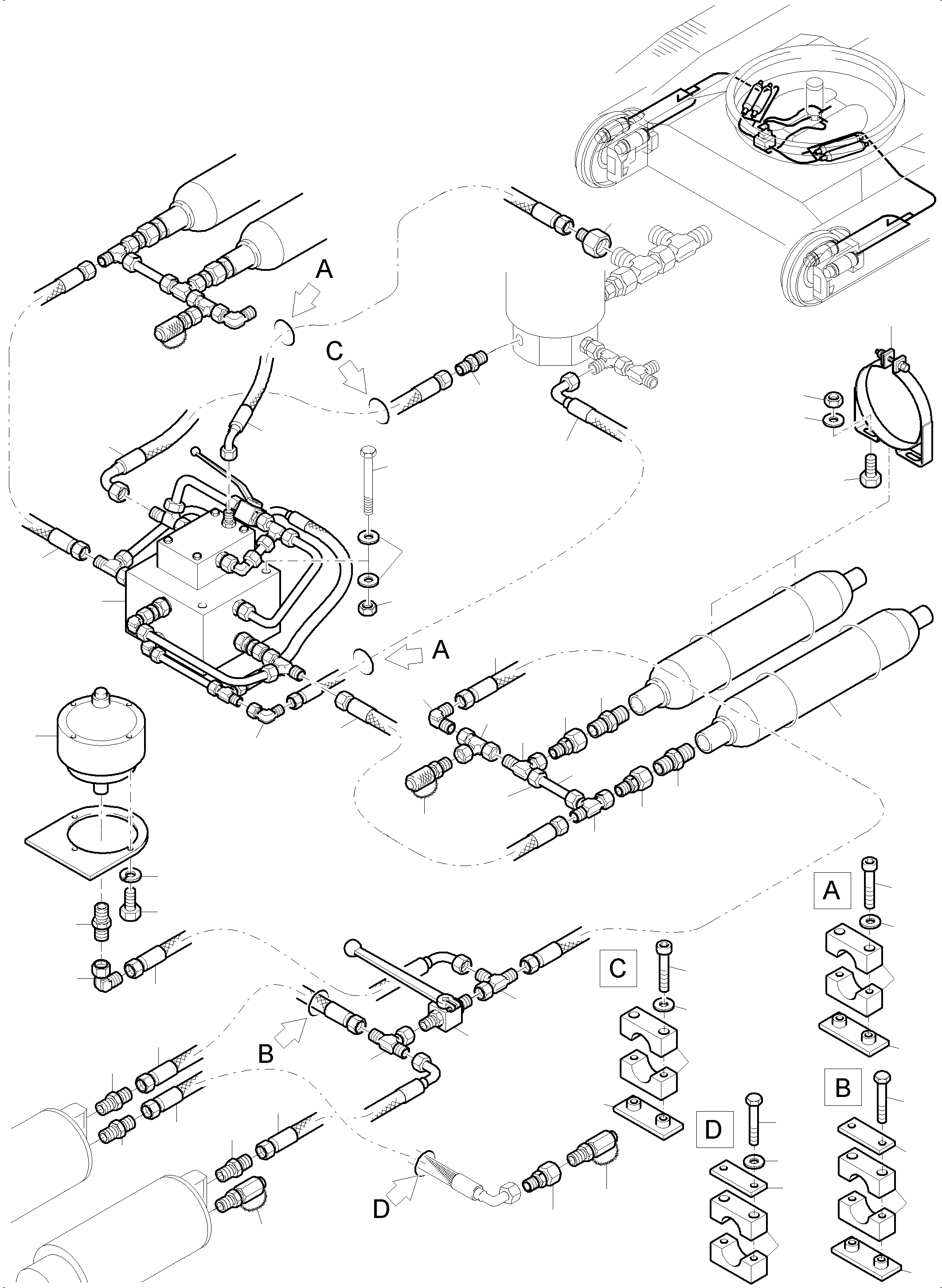
| Номер на схеме | Каталожный номер | Название | Количество | Детали | |||
|---|---|---|---|---|---|---|---|
| ? | 332 334 99 | Nut | 4 | EnglischBem: DeutschBem: DeutschDesc: Mutter InternBDB: InternKon: SerienBem: Zwhead_Deu: Zwhead_Eng: |
|||
| ? | 308 621 99 | Bolt | 4 | EnglischBem: DeutschBem: DeutschDesc: Schraube InternBDB: InternKon: SerienBem: Zwhead_Deu: Zwhead_Eng: |
|||
| ? | 517 118 98 | Washer | 8 | EnglischBem: DeutschBem: DeutschDesc: Scheibe InternBDB: InternKon: SerienBem: Zwhead_Deu: Zwhead_Eng: |
|||
| ? | see parts page Valve block | 1 | EnglischBem: DeutschBem: DeutschDesc: siehe El-Blatt Ventilblock InternBDB: InternKon: SerienBem: Zwhead_Deu: Zwhead_Eng: |
||||
| ? | 516 957 98 | Hose assy. DN 16x750 | 2 | EnglischBem: DeutschBem: DeutschDesc: Schlauchleitung DN 16x750 InternBDB: InternKon: SerienBem: Zwhead_Deu: Zwhead_Eng: |
|||
| ? | 374 419 99 | Socket | 4 | EnglischBem: DeutschBem: DeutschDesc: Stutzen InternBDB: InternKon: SerienBem: Zwhead_Deu: Zwhead_Eng: |
|||
| ? | 634 297 40 | Union | 4 | EnglischBem: DeutschBem: DeutschDesc: Verschraubung InternBDB: InternKon: SerienBem: Zwhead_Deu: Zwhead_Eng: |
|||
| ? | 516 180 98 | Socket | 6 | EnglischBem: DeutschBem: DeutschDesc: Stutzen InternBDB: InternKon: SerienBem: Zwhead_Deu: Zwhead_Eng: |
|||
| ? | 371 260 99 | Union nut | 4 | EnglischBem: DeutschBem: DeutschDesc: Ьberwurfmutter InternBDB: InternKon: SerienBem: Zwhead_Deu: Zwhead_Eng: |
|||
| ? | 906 351 40 | Olive | 4 | EnglischBem: DeutschBem: DeutschDesc: Schneidring InternBDB: InternKon: SerienBem: Zwhead_Deu: Zwhead_Eng: |
|||
| ? | 905 546 40 | Pipe Ш 20 | 2 | EnglischBem: DeutschBem: DeutschDesc: Rohr Ш 20 InternBDB: InternKon: SerienBem: Zwhead_Deu: Zwhead_Eng: |
|||
| ? | 516 172 98 | Socket | 4 | EnglischBem: DeutschBem: DeutschDesc: Stutzen InternBDB: InternKon: SerienBem: Zwhead_Deu: Zwhead_Eng: |
|||
| ? | 004 132 98 | Test coupling | 2 | EnglischBem: DeutschBem: DeutschDesc: MinimeЯkupplung InternBDB: InternKon: SerienBem: Zwhead_Deu: Zwhead_Eng: |
|||
| ? | 635 991 40 | Clamp | 8 | EnglischBem: DeutschBem: DeutschDesc: Schelle InternBDB: InternKon: SerienBem: Zwhead_Deu: Zwhead_Eng: |
|||
| ? | 308 560 99 | Bolt | 16 | EnglischBem: DeutschBem: DeutschDesc: Schraube InternBDB: InternKon: SerienBem: Zwhead_Deu: Zwhead_Eng: |
|||
| ? | 340 464 99 | Washer | 16 | EnglischBem: DeutschBem: DeutschDesc: Scheibe InternBDB: InternKon: SerienBem: Zwhead_Deu: Zwhead_Eng: |
|||
| ? | 334 599 99 | Nut | 16 | EnglischBem: DeutschBem: DeutschDesc: Mutter InternBDB: InternKon: SerienBem: Zwhead_Deu: Zwhead_Eng: |
|||
| ? | 509 058 98 | Clamp set | 1 | EnglischBem: DeutschBem: DeutschDesc: Klemmpaar InternBDB: InternKon: SerienBem: Zwhead_Deu: Zwhead_Eng: |
|||
| ? | 340 405 99 | Washer | 6 | EnglischBem: DeutschBem: DeutschDesc: Scheibe InternBDB: InternKon: SerienBem: Zwhead_Deu: Zwhead_Eng: |
|||
| ? | 518 065 98 | Clamp set | 2 | EnglischBem: DeutschBem: DeutschDesc: Klemmpaar InternBDB: InternKon: SerienBem: Zwhead_Deu: Zwhead_Eng: |
|||
| ? | 514 125 98 | Hose assy. DN 16x1550 | 1 | EnglischBem: DeutschBem: DeutschDesc: Schlauchleitung DN 16x1550 InternBDB: InternKon: SerienBem: Zwhead_Deu: Zwhead_Eng: |
|||
| ? | 641 555 40 | Hose assy. DN 12x2600 | 1 | EnglischBem: DeutschBem: DeutschDesc: Schlauchleitung DN 12x2600 InternBDB: InternKon: SerienBem: Zwhead_Deu: Zwhead_Eng: |
|||
| ? | 906 870 40 | Union | 1 | EnglischBem: DeutschBem: DeutschDesc: Verschraubung InternBDB: InternKon: SerienBem: Zwhead_Deu: Zwhead_Eng: |
|||
| ? | 509 057 98 | Clamp set | 2 | EnglischBem: DeutschBem: DeutschDesc: Klemmpaar InternBDB: InternKon: SerienBem: Zwhead_Deu: Zwhead_Eng: |
|||
| ? | 533 992 99 | Weld-on plate | 3 | EnglischBem: DeutschBem: DeutschDesc: AnschweiЯplatte InternBDB: InternKon: SerienBem: Zwhead_Deu: Zwhead_Eng: |
|||
| ? | 319 133 99 | Bolt | 6 | EnglischBem: DeutschBem: DeutschDesc: Schraube InternBDB: InternKon: SerienBem: Zwhead_Deu: Zwhead_Eng: |
|||
| ? | 513 208 98 | Hose assy. DN 12x1900 | 1 | EnglischBem: DeutschBem: DeutschDesc: Schlauchleitung DN 12x1900 InternBDB: InternKon: SerienBem: Zwhead_Deu: Zwhead_Eng: |
|||
| ? | 516 158 98 | Socket | 1 | EnglischBem: DeutschBem: DeutschDesc: Stutzen InternBDB: InternKon: SerienBem: Zwhead_Deu: Zwhead_Eng: |
|||
| ? | 517 499 98 | Hose assy. DN 05x500 | 2 | EnglischBem: DeutschBem: DeutschDesc: Schlauchleitung DN 05x500 InternBDB: InternKon: SerienBem: Zwhead_Deu: Zwhead_Eng: |
|||
| ? | 308 581 99 | Bolt | 4 | EnglischBem: DeutschBem: DeutschDesc: Schraube InternBDB: InternKon: SerienBem: Zwhead_Deu: Zwhead_Eng: |
|||
| ? | 517 122 98 | Lock washer | 4 | EnglischBem: DeutschBem: DeutschDesc: Sicherungsscheibe InternBDB: InternKon: SerienBem: Zwhead_Deu: Zwhead_Eng: |
|||
| ? | 518 378 98 | Union | 2 | EnglischBem: DeutschBem: DeutschDesc: Verschraubung InternBDB: InternKon: SerienBem: Zwhead_Deu: Zwhead_Eng: |
|||
| ? | 374 418 99 | Union | 1 | EnglischBem: DeutschBem: DeutschDesc: Verschraubung InternBDB: InternKon: SerienBem: Zwhead_Deu: Zwhead_Eng: |
|||
| ? | 461 133 40 | Ball cock | 2 | EnglischBem: DeutschBem: DeutschDesc: Blockkugelhahn InternBDB: InternKon: SerienBem: Zwhead_Deu: Zwhead_Eng: |
|||
| ? | 515 812 98 | Test socket | 4 | EnglischBem: DeutschBem: DeutschDesc: MinimeЯstutzen InternBDB: InternKon: SerienBem: Zwhead_Deu: Zwhead_Eng: |
|||
| ? | 374 413 99 | Socket | 1 | EnglischBem: DeutschBem: DeutschDesc: Stutzen InternBDB: InternKon: SerienBem: Zwhead_Deu: Zwhead_Eng: |
|||
| ? | 516 165 98 | Socket | 4 | EnglischBem: DeutschBem: DeutschDesc: Stutzen InternBDB: InternKon: SerienBem: Zwhead_Deu: Zwhead_Eng: |
|||
| ? | 517 864 98 | Hose assy. DN 16x1000 | 2 | EnglischBem: DeutschBem: DeutschDesc: Schlauchleitung DN 16x1000 InternBDB: InternKon: SerienBem: Zwhead_Deu: Zwhead_Eng: |
|||
| ? | 518 470 98 | Hose assy. DN 16x1200 | 2 | EnglischBem: DeutschBem: DeutschDesc: Schlauchleitung DN 16x1200 InternBDB: InternKon: SerienBem: Zwhead_Deu: Zwhead_Eng: |
|||
| ? | 551 715 40 | Hose assy. DN 16x390 | 2 | EnglischBem: DeutschBem: DeutschDesc: Schlauchleitung DN 16x390 InternBDB: InternKon: SerienBem: Zwhead_Deu: Zwhead_Eng: |
|||
| ? | 502 682 98 | Clamp set | 4 | EnglischBem: DeutschBem: DeutschDesc: Klemmpaar InternBDB: InternKon: SerienBem: Zwhead_Deu: Zwhead_Eng: |
|||
| ? | 534 002 99 | Weld-on plate | 4 | EnglischBem: DeutschBem: DeutschDesc: AnschweiЯplatte InternBDB: InternKon: SerienBem: Zwhead_Deu: Zwhead_Eng: |
|||
| ? | 534 001 99 | Cover plate | 4 | EnglischBem: DeutschBem: DeutschDesc: Deckplatte InternBDB: InternKon: SerienBem: Zwhead_Deu: Zwhead_Eng: |
|||
| ? | 308 579 99 | Bolt | 8 | EnglischBem: DeutschBem: DeutschDesc: Schraube InternBDB: InternKon: SerienBem: Zwhead_Deu: Zwhead_Eng: |
|||
| ? | 307 752 99 | Bolt | 8 | EnglischBem: DeutschBem: DeutschDesc: Schraube InternBDB: InternKon: SerienBem: Zwhead_Deu: Zwhead_Eng: |
|||
| ? | 517 121 98 | Washer | 8 | EnglischBem: DeutschBem: DeutschDesc: Scheibe InternBDB: InternKon: SerienBem: Zwhead_Deu: Zwhead_Eng: |
|||
| ? | 374 461 99 | Union | 2 | EnglischBem: DeutschBem: DeutschDesc: Verschraubung InternBDB: InternKon: SerienBem: Zwhead_Deu: Zwhead_Eng: |
|||
| ? | 515 676 98 | Hose assy. DN 16x4800 | 2 | EnglischBem: DeutschBem: DeutschDesc: Schlauchleitung DN 16x4800 InternBDB: InternKon: SerienBem: Zwhead_Deu: Zwhead_Eng: |
|||
| ? | Accumulator | 4 | EnglischBem: DeutschBem: DeutschDesc: Blasenspeicher InternBDB: InternKon: SerienBem: Zwhead_Deu: Zwhead_Eng: |
||||
| ? | 907 305 40 | Accumulator TT | A/R | EnglischBem: DeutschBem: DeutschDesc: Blasenspeicher TT InternBDB: InternKon: SerienBem: Zwhead_Deu: Zwhead_Eng: |
|||
| ? | 932 349 40 | Accumulator TT | A/R | EnglischBem: DeutschBem: DeutschDesc: Blasenspeicher TT InternBDB: InternKon: SerienBem: Zwhead_Deu: Zwhead_Eng: |
|||
| ? | 906 279 40 | Accumulator TT | A/R | EnglischBem: DeutschBem: DeutschDesc: Blasenspeicher TT InternBDB: InternKon: SerienBem: Zwhead_Deu: Zwhead_Eng: |
|||
| ? | 551 735 40 | Accumulator TT | A/R | EnglischBem: DeutschBem: DeutschDesc: Blasenspeicher TT InternBDB: InternKon: SerienBem: Zwhead_Deu: Zwhead_Eng: |
|||
| ? | 949 577 40 | Accumulator TT | A/R | EnglischBem: DeutschBem: DeutschDesc: Blasenspeicher TT InternBDB: InternKon: SerienBem: Zwhead_Deu: Zwhead_Eng: |
|||
| ? | Accumulator | 4 | EnglischBem: DeutschBem: DeutschDesc: Blasenspeicher InternBDB: InternKon: SerienBem: Zwhead_Deu: Zwhead_Eng: |
||||
| ? | 945 120 40 | Accumulator NT | A/R | EnglischBem: DeutschBem: DeutschDesc: Blasenspeicher NT InternBDB: InternKon: SerienBem: Zwhead_Deu: Zwhead_Eng: |
|||
| ? | 932 346 40 | Accumulator NT | A/R | EnglischBem: DeutschBem: DeutschDesc: Blasenspeicher NT InternBDB: InternKon: SerienBem: Zwhead_Deu: Zwhead_Eng: |
|||
| ? | 932 347 40 | Accumulator NT | A/R | EnglischBem: DeutschBem: DeutschDesc: Blasenspeicher NT InternBDB: InternKon: SerienBem: Zwhead_Deu: Zwhead_Eng: |
|||
| ? | 551 743 40 | Accumulator NT | A/R | EnglischBem: DeutschBem: DeutschDesc: Blasenspeicher NT InternBDB: InternKon: SerienBem: Zwhead_Deu: Zwhead_Eng: |
|||
| ? | 936 686 40 | Accumulator NT | A/R | EnglischBem: DeutschBem: DeutschDesc: Blasenspeicher NT InternBDB: InternKon: SerienBem: Zwhead_Deu: Zwhead_Eng: |
|||
| ? | 655 002 40 | Accumulator NT | A/R | EnglischBem: DeutschBem: DeutschDesc: Blasenspeicher NT InternBDB: InternKon: SerienBem: Zwhead_Deu: Zwhead_Eng: |
|||
| ? | Diaphragm-type accumulator | 2 | EnglischBem: DeutschBem: DeutschDesc: Membranspeicher InternBDB: InternKon: SerienBem: Zwhead_Deu: Zwhead_Eng: |
||||
| ? | 907 304 40 | Diaphragm-type accumulator TT | A/R | EnglischBem: DeutschBem: DeutschDesc: Membranspeicher TT InternBDB: InternKon: SerienBem: Zwhead_Deu: Zwhead_Eng: |
|||
| ? | 932 359 40 | Diaphragm-type accumulator TT | A/R | EnglischBem: DeutschBem: DeutschDesc: Membranspeicher TT InternBDB: InternKon: SerienBem: Zwhead_Deu: Zwhead_Eng: |
|||
| ? | 906 280 40 | Diaphragm-type accumulator TT | A/R | EnglischBem: DeutschBem: DeutschDesc: Membranspeicher TT InternBDB: InternKon: SerienBem: Zwhead_Deu: Zwhead_Eng: |
|||
| ? | 551 747 40 | Diaphragm-type accumulator TT | A/R | EnglischBem: DeutschBem: DeutschDesc: Membranspeicher TT InternBDB: InternKon: SerienBem: Zwhead_Deu: Zwhead_Eng: |
|||
| ? | 949 578 40 | Diaphragm-type accumulator TT | A/R | EnglischBem: DeutschBem: DeutschDesc: Membranspeicher TT InternBDB: InternKon: SerienBem: Zwhead_Deu: Zwhead_Eng: |
|||
| ? | Diaphragm-type accumulator | 2 | EnglischBem: DeutschBem: DeutschDesc: Membranspeicher InternBDB: InternKon: SerienBem: Zwhead_Deu: Zwhead_Eng: |
||||
| ? | 945 119 40 | Diaphragm-type accumulator NT | A/R | EnglischBem: DeutschBem: DeutschDesc: Membranspeicher NT InternBDB: InternKon: SerienBem: Zwhead_Deu: Zwhead_Eng: |
|||
| ? | 946 677 40 | Diaphragm-type accumulator NT | A/R | EnglischBem: DeutschBem: DeutschDesc: Membranspeicher NT InternBDB: InternKon: SerienBem: Zwhead_Deu: Zwhead_Eng: |
|||
| ? | 932 353 40 | Diaphragm-type accumulator NT | A/R | EnglischBem: DeutschBem: DeutschDesc: Membranspeicher NT InternBDB: InternKon: SerienBem: Zwhead_Deu: Zwhead_Eng: |
|||
| ? | 932 357 40 | Diaphragm-type accumulator NT | A/R | EnglischBem: DeutschBem: DeutschDesc: Membranspeicher NT InternBDB: InternKon: SerienBem: Zwhead_Deu: Zwhead_Eng: |
|||
| ? | 551 753 40 | Diaphragm-type accumulator NT | A/R | EnglischBem: DeutschBem: DeutschDesc: Membranspeicher NT InternBDB: InternKon: SerienBem: Zwhead_Deu: Zwhead_Eng: |
|||
| ? | 936 685 40 | Diaphragm-type accumulator NT | A/R | EnglischBem: DeutschBem: DeutschDesc: Membranspeicher NT InternBDB: InternKon: SerienBem: Zwhead_Deu: Zwhead_Eng: |
|||
| ? | A/R | EnglischBem: DeutschBem: DeutschDesc: InternBDB: InternKon: SerienBem: Zwhead_Deu: Zwhead_Eng: |
|||||
| ? | 792 288 73 | Repair kit Acumulator NT | 1 | EnglischBem: DeutschBem: DeutschDesc: Reperatusatz Blasenspeicher NT InternBDB: InternKon: SerienBem: Zwhead_Deu: Zwhead_Eng: |
|||
| ? | 769 824 73 | Repair kit Acumulator TT | 1 | EnglischBem: DeutschBem: DeutschDesc: Reperatusatz Blasenspeicher TT InternBDB: InternKon: SerienBem: Zwhead_Deu: Zwhead_Eng: |
|||
| ? | 792 289 73 | Repair kit Diaphragm-type accumulator | 1 | EnglischBem: DeutschBem: DeutschDesc: Reperatusatz Membranspeicher InternBDB: InternKon: SerienBem: Zwhead_Deu: Zwhead_Eng: |
|||
| ? | Deviations of the machine record acc. to regional prescription | EnglischBem: DeutschBem: DeutschDesc: Lдndervorschrift siehe Abweichung Baukarte InternBDB: InternKon: SerienBem: Zwhead_Deu: Zwhead_Eng: |