| Наименование | Страница | Код страницы |
|---|---|---|
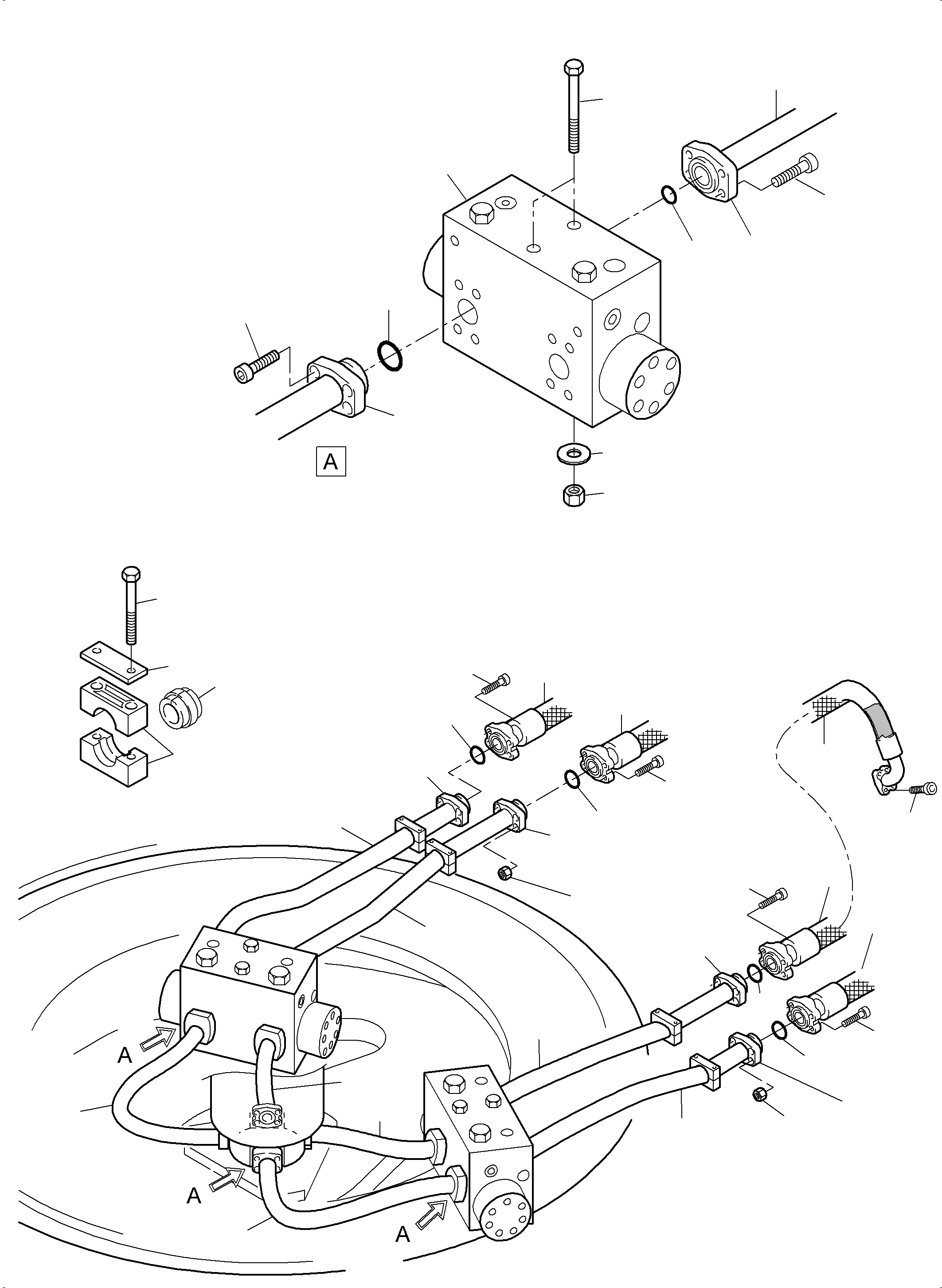
| Travelling Gear Brake Valve | 090-0392a | 090-0392a |
| Номер на схеме | Каталожный номер | Название | Количество | Детали | |||
|---|---|---|---|---|---|---|---|
| ? | 945 135 40 | Pipe assy. w./o. seal | 1 | EnglischBem: DeutschBem: DeutschDesc: Rohrleitung ш50 kpl. ohne Dichtung InternBDB: InternKon: SerienBem: Zwhead_Deu: Zwhead_Eng: |
|||
| ? | 945 136 40 | Pipe assy. w./o. seal | 1 | EnglischBem: DeutschBem: DeutschDesc: Rohrleitung ш50 kpl. ohne Dichtung InternBDB: InternKon: SerienBem: Zwhead_Deu: Zwhead_Eng: |
|||
| ? | 945 137 40 | Pipe assy. w./o. seal | 1 | EnglischBem: DeutschBem: DeutschDesc: Rohrleitung ш50 kpl. ohne Dichtung InternBDB: InternKon: SerienBem: Zwhead_Deu: Zwhead_Eng: |
|||
| ? | 945 138 40 | Pipe assy. w./o. seal | 1 | EnglischBem: DeutschBem: DeutschDesc: Rohrleitung ш50 kpl. ohne Dichtung InternBDB: InternKon: SerienBem: Zwhead_Deu: Zwhead_Eng: |
|||
| ? | 517 695 98 | Hose assy. 40x1650 | 4 | EnglischBem: DeutschBem: DeutschDesc: Schlauchleitung 40x1650 InternBDB: InternKon: SerienBem: Zwhead_Deu: Zwhead_Eng: |
|||
| ? | 308 333 99 | Bolt | 4 | EnglischBem: DeutschBem: DeutschDesc: Schraube InternBDB: InternKon: SerienBem: Zwhead_Deu: Zwhead_Eng: |
|||
| ? | 332 338 99 | Nut | 4 | EnglischBem: DeutschBem: DeutschDesc: Mutter InternBDB: InternKon: SerienBem: Zwhead_Deu: Zwhead_Eng: |
|||
| ? | 515 812 98 | Test coupling | 2 | EnglischBem: DeutschBem: DeutschDesc: Minmesskupplung InternBDB: InternKon: SerienBem: Zwhead_Deu: Zwhead_Eng: |
|||
| ? | 517 124 98 | Lock washer | 10 | EnglischBem: DeutschBem: DeutschDesc: Sicherungsscheibe InternBDB: InternKon: SerienBem: Zwhead_Deu: Zwhead_Eng: |
|||
| ? | 506 371 98 | Clamp set | 2 | EnglischBem: DeutschBem: DeutschDesc: Klemmpaar InternBDB: InternKon: SerienBem: Zwhead_Deu: Zwhead_Eng: |
|||
| ? | 502 626 98 | Grommet | 6 | EnglischBem: DeutschBem: DeutschDesc: Gummieinsatz InternBDB: InternKon: SerienBem: Zwhead_Deu: Zwhead_Eng: |
|||
| ? | 534 008 99 | Cover plate | 6 | EnglischBem: DeutschBem: DeutschDesc: Deckplatte InternBDB: InternKon: SerienBem: Zwhead_Deu: Zwhead_Eng: |
|||
| ? | 308 612 99 | Bolt | 12 | EnglischBem: DeutschBem: DeutschDesc: Schraube InternBDB: InternKon: SerienBem: Zwhead_Deu: Zwhead_Eng: |
|||
| ? | 319 289 99 | Bolt | 48 | EnglischBem: DeutschBem: DeutschDesc: Schraube InternBDB: InternKon: SerienBem: Zwhead_Deu: Zwhead_Eng: |
|||
| ? | 356 209 40 | Flange seal | 20 | EnglischBem: DeutschBem: DeutschDesc: Flanschdichtung InternBDB: InternKon: SerienBem: Zwhead_Deu: Zwhead_Eng: |
|||
| ? | 501 898 98 | Collar ring | 12 | EnglischBem: DeutschBem: DeutschDesc: Kragenring InternBDB: InternKon: SerienBem: Zwhead_Deu: Zwhead_Eng: |
|||
| ? | 929 334 40 | Pipe assy. w./o. seal | 2 | EnglischBem: DeutschBem: DeutschDesc: Rohrleitung ш50 kpl. ohne Dichtung InternBDB: InternKon: SerienBem: Zwhead_Deu: Zwhead_Eng: |
|||
| ? | 928 698 40 | Pipe assy. w./o. seal | 1 | EnglischBem: DeutschBem: DeutschDesc: Rohrleitung ш50 kpl. ohne Dichtung InternBDB: InternKon: SerienBem: Zwhead_Deu: Zwhead_Eng: |
|||
| ? | 928 699 40 | Pipe assy. w./o. seal | 1 | EnglischBem: DeutschBem: DeutschDesc: Rohrleitung ш50 kpl. ohne Dichtung InternBDB: InternKon: SerienBem: Zwhead_Deu: Zwhead_Eng: |
|||
| ? | 500 127 98 | Flange | 16 | EnglischBem: DeutschBem: DeutschDesc: Flansch InternBDB: InternKon: SerienBem: Zwhead_Deu: Zwhead_Eng: |
|||
| ? | 319 292 99 | Bolt | 16 | EnglischBem: DeutschBem: DeutschDesc: Schraube InternBDB: InternKon: SerienBem: Zwhead_Deu: Zwhead_Eng: |
|||
| ? | 500 203 98 | Collar ring | 4 | EnglischBem: DeutschBem: DeutschDesc: Kragenring InternBDB: InternKon: SerienBem: Zwhead_Deu: Zwhead_Eng: |
|||
| ? | 332 355 99 | Nut | 16 | EnglischBem: DeutschBem: DeutschDesc: Mutter InternBDB: InternKon: SerienBem: Zwhead_Deu: Zwhead_Eng: |
|||
| ? | 319 188 99 | Bolt | 16 | EnglischBem: DeutschBem: DeutschDesc: Schraube InternBDB: InternKon: SerienBem: Zwhead_Deu: Zwhead_Eng: |