| Номер на схеме | Каталожный номер | Название | Количество | Детали | |||
|---|---|---|---|---|---|---|---|
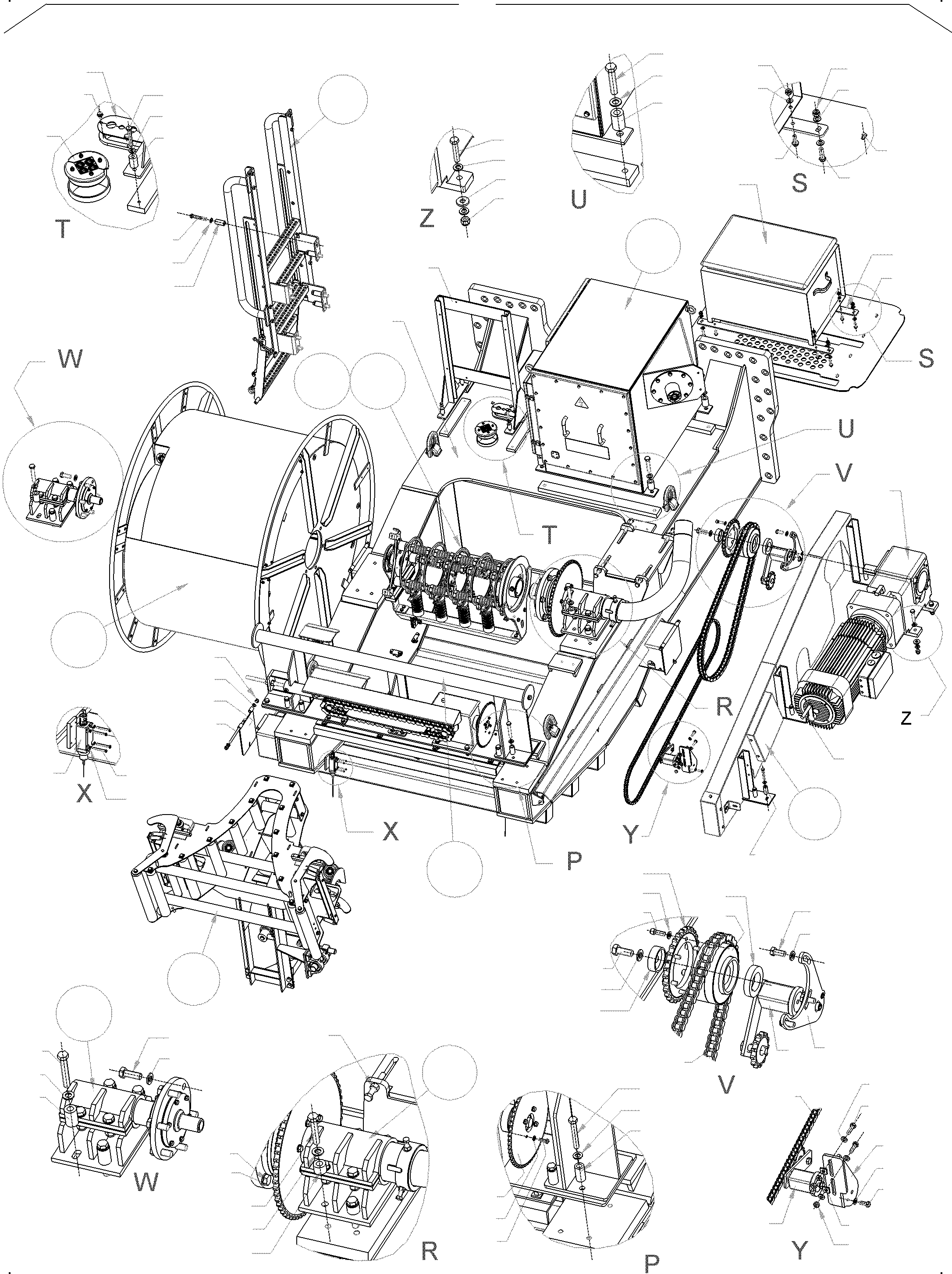
| ? | 976 190 40 | Beam assy. | 1 | EnglischBem: DeutschBem: DeutschDesc: Kabeltrommel kpl. InternBDB: InternKon: SerienBem: Zwhead_Deu: Zwhead_Eng: |
|||
| ? | 978 586 40 | Carrier assy. | 1 | EnglischBem: DeutschBem: DeutschDesc: Trдger kpl. InternBDB: InternKon: SerienBem: Zwhead_Deu: Zwhead_Eng: |
|||
| ? | Chain cover incl fig nos 101-123 | 1 | EnglischBem: DeutschBem: DeutschDesc: Kettenabdeckung einschl. Bild Nr. 101-123 InternBDB: InternKon: SerienBem: Zwhead_Deu: Zwhead_Eng: |
||||
| ? | 813 001 73 | Drive motor with gearbox | 1 | EnglischBem: DeutschBem: DeutschDesc: Antriebsmotor m. Getriebe InternBDB: InternKon: SerienBem: Zwhead_Deu: Zwhead_Eng: |
|||
| ? | 813 002 73 | Rotor resistor assy. D17 | 1 | EnglischBem: DeutschBem: DeutschDesc: Laeuferwiderstand D17 InternBDB: InternKon: SerienBem: Zwhead_Deu: Zwhead_Eng: |
|||
| ? | Angle | 2 | EnglischBem: DeutschBem: DeutschDesc: Winkelblech InternBDB: InternKon: SerienBem: Zwhead_Deu: Zwhead_Eng: |
||||
| ? | Cover plate | 1 | EnglischBem: DeutschBem: DeutschDesc: Abdeckblech InternBDB: InternKon: SerienBem: Zwhead_Deu: Zwhead_Eng: |
||||
| ? | Hexagon head bolt | 4 | EnglischBem: DeutschBem: DeutschDesc: Sechskantschraube InternBDB: InternKon: SerienBem: Zwhead_Deu: Zwhead_Eng: |
||||
| ? | Lock washer | 27 | EnglischBem: DeutschBem: DeutschDesc: Ripplock-Scheibe 16 InternBDB: InternKon: SerienBem: Zwhead_Deu: Zwhead_Eng: |
||||
| ? | Washer | 4 | EnglischBem: DeutschBem: DeutschDesc: Scheibe InternBDB: InternKon: SerienBem: Zwhead_Deu: Zwhead_Eng: |
||||
| ? | Hexagon nut | 4 | EnglischBem: DeutschBem: DeutschDesc: Sechskantmutter InternBDB: InternKon: SerienBem: Zwhead_Deu: Zwhead_Eng: |
||||
| ? | 307 853 99 | Hexagon head bolt | 4 | EnglischBem: DeutschBem: DeutschDesc: Sechskantschraube InternBDB: InternKon: SerienBem: Zwhead_Deu: Zwhead_Eng: |
|||
| ? | lock washer | 25 | EnglischBem: DeutschBem: DeutschDesc: Ripplock-Scheibe 20 InternBDB: InternKon: SerienBem: Zwhead_Deu: Zwhead_Eng: |
||||
| ? | 510 732 98 | Resilient sleeve | 10 | EnglischBem: DeutschBem: DeutschDesc: Dehnhьlse InternBDB: InternKon: SerienBem: Zwhead_Deu: Zwhead_Eng: |
|||
| ? | Corrugated head bolt | 4 | EnglischBem: DeutschBem: DeutschDesc: Sicherungsschrauben InternBDB: InternKon: SerienBem: Zwhead_Deu: Zwhead_Eng: |
||||
| ? | 340 465 99 | Washer | 4 | EnglischBem: DeutschBem: DeutschDesc: Scheibe InternBDB: InternKon: SerienBem: Zwhead_Deu: Zwhead_Eng: |
|||
| ? | 512 476 98 | Hexagonal nut | 4 | EnglischBem: DeutschBem: DeutschDesc: Sechskantmutter InternBDB: InternKon: SerienBem: Zwhead_Deu: Zwhead_Eng: |
|||
| ? | 307 806 99 | Hexagon head bolt | 4 | EnglischBem: DeutschBem: DeutschDesc: Sechskantschraube InternBDB: InternKon: SerienBem: Zwhead_Deu: Zwhead_Eng: |
|||
| ? | Washer | 14 | EnglischBem: DeutschBem: DeutschDesc: Scheibe InternBDB: InternKon: SerienBem: Zwhead_Deu: Zwhead_Eng: |
||||
| ? | 512 467 98 | Hexagonal nut | 12 | EnglischBem: DeutschBem: DeutschDesc: Sechskantmutter InternBDB: InternKon: SerienBem: Zwhead_Deu: Zwhead_Eng: |
|||
| ? | 307 775 99 | hexagon head bolt | 8 | EnglischBem: DeutschBem: DeutschDesc: Sechskantschraube InternBDB: InternKon: SerienBem: Zwhead_Deu: Zwhead_Eng: |
|||
| ? | Lock washer | 21 | EnglischBem: DeutschBem: DeutschDesc: Ripplock-Scheibe 10 InternBDB: InternKon: SerienBem: Zwhead_Deu: Zwhead_Eng: |
||||
| ? | Sprocket | 1 | EnglischBem: DeutschBem: DeutschDesc: Kettenrad InternBDB: InternKon: SerienBem: Zwhead_Deu: Zwhead_Eng: |
||||
| ? | Clutch | 1 | EnglischBem: DeutschBem: DeutschDesc: SecMatic - Kupplung InternBDB: InternKon: SerienBem: Zwhead_Deu: Zwhead_Eng: |
||||
| ? | 797 922 73 | Bushing | 1 | EnglischBem: DeutschBem: DeutschDesc: Buchse InternBDB: InternKon: SerienBem: Zwhead_Deu: Zwhead_Eng: |
|||
| ? | Washer | 1 | EnglischBem: DeutschBem: DeutschDesc: Scheibe InternBDB: InternKon: SerienBem: Zwhead_Deu: Zwhead_Eng: |
||||
| ? | Holder for track adjuster | 1 | EnglischBem: DeutschBem: DeutschDesc: Halterung fuer Kettenspanner InternBDB: InternKon: SerienBem: Zwhead_Deu: Zwhead_Eng: |
||||
| ? | Track adjuster drive assy. | 1 | EnglischBem: DeutschBem: DeutschDesc: Kettenspanner kpl. Antrieb InternBDB: InternKon: SerienBem: Zwhead_Deu: Zwhead_Eng: |
||||
| ? | 813 003 73 | Chain | 1 | EnglischBem: DeutschBem: DeutschDesc: Rollenkette InternBDB: InternKon: SerienBem: Zwhead_Deu: Zwhead_Eng: |
|||
| ? | 813 004 73 | Chain | 1 | EnglischBem: DeutschBem: DeutschDesc: Rollenkette InternBDB: InternKon: SerienBem: Zwhead_Deu: Zwhead_Eng: |
|||
| ? | Track adjuster output assy. | 1 | EnglischBem: DeutschBem: DeutschDesc: Kettenspanner Abtrieb kpl. InternBDB: InternKon: SerienBem: Zwhead_Deu: Zwhead_Eng: |
||||
| ? | Holder for track adjuster output | 1 | EnglischBem: DeutschBem: DeutschDesc: Halter fьr Kettenspanner Abtrieb InternBDB: InternKon: SerienBem: Zwhead_Deu: Zwhead_Eng: |
||||
| ? | 307 780 99 | Hexagonal nut | 2 | EnglischBem: DeutschBem: DeutschDesc: Sechskantmutter InternBDB: InternKon: SerienBem: Zwhead_Deu: Zwhead_Eng: |
|||
| ? | 341 207 99 | Wedge washer | 2 | EnglischBem: DeutschBem: DeutschDesc: Keilscheibe InternBDB: InternKon: SerienBem: Zwhead_Deu: Zwhead_Eng: |
|||
| ? | 332 197 99 | Hexagonal nut | 2 | EnglischBem: DeutschBem: DeutschDesc: Sechskantmutter InternBDB: InternKon: SerienBem: Zwhead_Deu: Zwhead_Eng: |
|||
| ? | 307 777 99 | Hexagon head bolt | 1 | EnglischBem: DeutschBem: DeutschDesc: Sechskantschraube InternBDB: InternKon: SerienBem: Zwhead_Deu: Zwhead_Eng: |
|||
| ? | 307 823 99 | Hexagon head bolt | 3 | EnglischBem: DeutschBem: DeutschDesc: Sechskantschraube InternBDB: InternKon: SerienBem: Zwhead_Deu: Zwhead_Eng: |
|||
| ? | Hexagon head bolt | 1 | EnglischBem: DeutschBem: DeutschDesc: Sechskantschraube InternBDB: InternKon: SerienBem: Zwhead_Deu: Zwhead_Eng: |
||||
| ? | Head cap screw | 6 | EnglischBem: DeutschBem: DeutschDesc: Zylinderschraube InternBDB: InternKon: SerienBem: Zwhead_Deu: Zwhead_Eng: |
||||
| ? | Lock washer | 12 | EnglischBem: DeutschBem: DeutschDesc: Ripplock-Scheibe 12 InternBDB: InternKon: SerienBem: Zwhead_Deu: Zwhead_Eng: |
||||
| ? | Sprocket | 1 | EnglischBem: DeutschBem: DeutschDesc: Kettenrad InternBDB: InternKon: SerienBem: Zwhead_Deu: Zwhead_Eng: |
||||
| ? | Lock washer | 26 | EnglischBem: DeutschBem: DeutschDesc: Ripplock-Scheibe 8 InternBDB: InternKon: SerienBem: Zwhead_Deu: Zwhead_Eng: |
||||
| ? | 307 754 99 | Hexagon head bolt | 8 | EnglischBem: DeutschBem: DeutschDesc: Sechskantschraube InternBDB: InternKon: SerienBem: Zwhead_Deu: Zwhead_Eng: |
|||
| ? | 510 730 98 | Resilient sleeve | 8 | EnglischBem: DeutschBem: DeutschDesc: Dehnhьlse InternBDB: InternKon: SerienBem: Zwhead_Deu: Zwhead_Eng: |
|||
| ? | Hexagon head bolt | 12 | EnglischBem: DeutschBem: DeutschDesc: Sechskantschraube InternBDB: InternKon: SerienBem: Zwhead_Deu: Zwhead_Eng: |
||||
| ? | 512 819 98 | hexagonal nut | 4 | EnglischBem: DeutschBem: DeutschDesc: Sechskantmutter InternBDB: InternKon: SerienBem: Zwhead_Deu: Zwhead_Eng: |
|||
| ? | Hexagon head bolt | 6 | EnglischBem: DeutschBem: DeutschDesc: Sechskantschraube InternBDB: InternKon: SerienBem: Zwhead_Deu: Zwhead_Eng: |
||||
| ? | 518 255 98 | Resilient sleeve | 2 | EnglischBem: DeutschBem: DeutschDesc: Dehnhьlse InternBDB: InternKon: SerienBem: Zwhead_Deu: Zwhead_Eng: |
|||
| ? | Hexagon head bolt | 6 | EnglischBem: DeutschBem: DeutschDesc: Sechskantschraube InternBDB: InternKon: SerienBem: Zwhead_Deu: Zwhead_Eng: |
||||
| ? | Hexagon head bolt | 6 | EnglischBem: DeutschBem: DeutschDesc: Sechskantschraube InternBDB: InternKon: SerienBem: Zwhead_Deu: Zwhead_Eng: |
||||
| ? | 796 180 73 | Position switch | 4 | EnglischBem: DeutschBem: DeutschDesc: Positionsschalter InternBDB: InternKon: SerienBem: Zwhead_Deu: Zwhead_Eng: |
|||
| ? | Lock washer | 16 | EnglischBem: DeutschBem: DeutschDesc: Ripplock-Scheibe 5 InternBDB: InternKon: SerienBem: Zwhead_Deu: Zwhead_Eng: |
||||
| ? | 518 257 98 | Hexagon head bolt | 16 | EnglischBem: DeutschBem: DeutschDesc: Sechskantschraube InternBDB: InternKon: SerienBem: Zwhead_Deu: Zwhead_Eng: |
|||
| ? | 794 664 73 | Cover assy. | 1 | EnglischBem: DeutschBem: DeutschDesc: Deckel, kpl. InternBDB: InternKon: SerienBem: Zwhead_Deu: Zwhead_Eng: |
|||
| ? | 794 665 73 | Hinge bolt | 1 | EnglischBem: DeutschBem: DeutschDesc: Scharnierbolzen InternBDB: InternKon: SerienBem: Zwhead_Deu: Zwhead_Eng: |
|||
| ? | Resilient sleeve | 8 | EnglischBem: DeutschBem: DeutschDesc: Dehnhьlse InternBDB: InternKon: SerienBem: Zwhead_Deu: Zwhead_Eng: |
||||
| ? | Hexagon head bolt | 8 | EnglischBem: DeutschBem: DeutschDesc: Sechskantschraube InternBDB: InternKon: SerienBem: Zwhead_Deu: Zwhead_Eng: |
||||
| ? | 607 492 40 | Resilient sleeve | 4 | EnglischBem: DeutschBem: DeutschDesc: Dehnhьlse InternBDB: InternKon: SerienBem: Zwhead_Deu: Zwhead_Eng: |
|||
| ? | Hexagon head bolt | 4 | EnglischBem: DeutschBem: DeutschDesc: Sechskantschraube InternBDB: InternKon: SerienBem: Zwhead_Deu: Zwhead_Eng: |
||||
| ? | Multiple cable gland | 1 | EnglischBem: DeutschBem: DeutschDesc: Mehrfachverschraubung InternBDB: InternKon: SerienBem: Zwhead_Deu: Zwhead_Eng: |
||||
| ? | Cover plate | 2 | EnglischBem: DeutschBem: DeutschDesc: Abdeckblech InternBDB: InternKon: SerienBem: Zwhead_Deu: Zwhead_Eng: |
||||
| ? | Corrugated head bolt | 4 | EnglischBem: DeutschBem: DeutschDesc: Sicherungsschrauben InternBDB: InternKon: SerienBem: Zwhead_Deu: Zwhead_Eng: |
||||
| ? | 769 095 73 | Manual breather | 1 | EnglischBem: DeutschBem: DeutschDesc: Handentlьftungsgerдt InternBDB: InternKon: SerienBem: Zwhead_Deu: Zwhead_Eng: |
|||
| ? | 516 092 98 | Resilient sleeve | 6 | EnglischBem: DeutschBem: DeutschDesc: Dehnhьlse InternBDB: InternKon: SerienBem: Zwhead_Deu: Zwhead_Eng: |
|||
| ? | Hexagon head bolt | 6 | EnglischBem: DeutschBem: DeutschDesc: Sechskantschraube InternBDB: InternKon: SerienBem: Zwhead_Deu: Zwhead_Eng: |
||||
| ? | Cover plate | 1 | EnglischBem: DeutschBem: DeutschDesc: Abdeckblech InternBDB: InternKon: SerienBem: Zwhead_Deu: Zwhead_Eng: |
||||
| ? | Cover plate | 1 | EnglischBem: DeutschBem: DeutschDesc: Abdeckblech InternBDB: InternKon: SerienBem: Zwhead_Deu: Zwhead_Eng: |
||||
| ? | 799 284 73 | Tension spring | 2 | EnglischBem: DeutschBem: DeutschDesc: Spannfeder InternBDB: InternKon: SerienBem: Zwhead_Deu: Zwhead_Eng: |
|||
| ? | 519 656 98 | Turnbuckle | 2 | EnglischBem: DeutschBem: DeutschDesc: Spannschloss InternBDB: InternKon: SerienBem: Zwhead_Deu: Zwhead_Eng: |
|||
| ? | 799 281 73 | Rope pull switch NS 5 | 2 | EnglischBem: DeutschBem: DeutschDesc: Seilzugschalter NS 5 InternBDB: InternKon: SerienBem: Zwhead_Deu: Zwhead_Eng: |
|||
| ? | 519 655 98 | Eyebolt | 2 | EnglischBem: DeutschBem: DeutschDesc: Augenschraube InternBDB: InternKon: SerienBem: Zwhead_Deu: Zwhead_Eng: |
|||
| ? | 799 285 73 | Pull rope | A/R | EnglischBem: DeutschBem: DeutschDesc: Zugseil InternBDB: InternKon: SerienBem: Zwhead_Deu: Zwhead_Eng: |
|||
| ? | 300 045 99 | Rope thimble | 4 | EnglischBem: DeutschBem: DeutschDesc: Seilkausche InternBDB: InternKon: SerienBem: Zwhead_Deu: Zwhead_Eng: |
|||
| ? | 111 260 99 | Rope clamp | 8 | EnglischBem: DeutschBem: DeutschDesc: Seilklemme InternBDB: InternKon: SerienBem: Zwhead_Deu: Zwhead_Eng: |
|||
| ? | 799 286 73 | Switch cover | 2 | EnglischBem: DeutschBem: DeutschDesc: Schalterabdeckung InternBDB: InternKon: SerienBem: Zwhead_Deu: Zwhead_Eng: |
|||
| ? | 799 287 73 | Hinge bolt | 2 | EnglischBem: DeutschBem: DeutschDesc: Scharnierbolzen InternBDB: InternKon: SerienBem: Zwhead_Deu: Zwhead_Eng: |
|||
| ? | 799 288 73 | Cover assy. | 2 | EnglischBem: DeutschBem: DeutschDesc: Deckel, kpl. InternBDB: InternKon: SerienBem: Zwhead_Deu: Zwhead_Eng: |
|||
| ? | 377 750 99 | Hexagon head bolt | 14 | EnglischBem: DeutschBem: DeutschDesc: Sechskantschraube InternBDB: InternKon: SerienBem: Zwhead_Deu: Zwhead_Eng: |
|||
| ? | 332 332 99 | Hexagon nut | 10 | EnglischBem: DeutschBem: DeutschDesc: Sechskantmutter InternBDB: InternKon: SerienBem: Zwhead_Deu: Zwhead_Eng: |
|||
| ? | 519 654 98 | Eyebolt | 4 | EnglischBem: DeutschBem: DeutschDesc: Augenschraube InternBDB: InternKon: SerienBem: Zwhead_Deu: Zwhead_Eng: |
|||
| ? | 377 752 99 | Hexagon head bolt | 8 | EnglischBem: DeutschBem: DeutschDesc: Sechskantschraube InternBDB: InternKon: SerienBem: Zwhead_Deu: Zwhead_Eng: |
|||
| ? | 799 289 73 | Flag | 2 | EnglischBem: DeutschBem: DeutschDesc: Markierungsfahne gelb/rot InternBDB: InternKon: SerienBem: Zwhead_Deu: Zwhead_Eng: |
|||
| ? | Cover plate | 1 | EnglischBem: DeutschBem: DeutschDesc: Abdeckblech InternBDB: InternKon: SerienBem: Zwhead_Deu: Zwhead_Eng: |
||||
| ? | Cover plate | 1 | EnglischBem: DeutschBem: DeutschDesc: Abdeckblech InternBDB: InternKon: SerienBem: Zwhead_Deu: Zwhead_Eng: |
||||
| ? | Cover plate | 1 | EnglischBem: DeutschBem: DeutschDesc: Abdeckblech InternBDB: InternKon: SerienBem: Zwhead_Deu: Zwhead_Eng: |
||||
| ? | Holder | 1 | EnglischBem: DeutschBem: DeutschDesc: Halterung 01 InternBDB: InternKon: SerienBem: Zwhead_Deu: Zwhead_Eng: |
||||
| ? | Holder | 1 | EnglischBem: DeutschBem: DeutschDesc: Halterung 02 InternBDB: InternKon: SerienBem: Zwhead_Deu: Zwhead_Eng: |
||||
| ? | Holder | 1 | EnglischBem: DeutschBem: DeutschDesc: Halterung 03 InternBDB: InternKon: SerienBem: Zwhead_Deu: Zwhead_Eng: |
||||
| ? | Sprocket holder | 1 | EnglischBem: DeutschBem: DeutschDesc: Halterung Kettenrдder InternBDB: InternKon: SerienBem: Zwhead_Deu: Zwhead_Eng: |
||||
| ? | Sprocket cover | 1 | EnglischBem: DeutschBem: DeutschDesc: Deckelblech InternBDB: InternKon: SerienBem: Zwhead_Deu: Zwhead_Eng: |
||||
| ? | Replacement sprocket | 1 | EnglischBem: DeutschBem: DeutschDesc: Kettenradscheibe InternBDB: InternKon: SerienBem: Zwhead_Deu: Zwhead_Eng: |
||||
| ? | Replacement sprocket | 1 | EnglischBem: DeutschBem: DeutschDesc: Kettenradscheibe InternBDB: InternKon: SerienBem: Zwhead_Deu: Zwhead_Eng: |
||||
| ? | Angle | 1 | EnglischBem: DeutschBem: DeutschDesc: Winkel InternBDB: InternKon: SerienBem: Zwhead_Deu: Zwhead_Eng: |
||||
| ? | Hexagon head bolt | 1 | EnglischBem: DeutschBem: DeutschDesc: Sechskantschraube InternBDB: InternKon: SerienBem: Zwhead_Deu: Zwhead_Eng: |
||||
| ? | 340 508 99 | Washer | 2 | EnglischBem: DeutschBem: DeutschDesc: Scheibe InternBDB: InternKon: SerienBem: Zwhead_Deu: Zwhead_Eng: |
|||
| ? | 512 557 98 | Hexagon nut | 1 | EnglischBem: DeutschBem: DeutschDesc: Sechskantmutter InternBDB: InternKon: SerienBem: Zwhead_Deu: Zwhead_Eng: |
|||
| ? | Corrugated head bolt | 12 | EnglischBem: DeutschBem: DeutschDesc: Sicherungsschraube InternBDB: InternKon: SerienBem: Zwhead_Deu: Zwhead_Eng: |
||||
| ? | Corrugated head bolt | 3 | EnglischBem: DeutschBem: DeutschDesc: Sicherungsschraube InternBDB: InternKon: SerienBem: Zwhead_Deu: Zwhead_Eng: |
||||
| ? | 377 752 99 | Hexagon head bolt | 4 | EnglischBem: DeutschBem: DeutschDesc: Sechskantschraube InternBDB: InternKon: SerienBem: Zwhead_Deu: Zwhead_Eng: |
|||
| ? | Corrugated head bolt | 4 | EnglischBem: DeutschBem: DeutschDesc: Sicherungsschraube InternBDB: InternKon: SerienBem: Zwhead_Deu: Zwhead_Eng: |
||||
| ? | Hexagon head bolt | 4 | EnglischBem: DeutschBem: DeutschDesc: Sechskantschraube InternBDB: InternKon: SerienBem: Zwhead_Deu: Zwhead_Eng: |
||||
| ? | 512 557 98 | Hexagon nut | 11 | EnglischBem: DeutschBem: DeutschDesc: Sechskantmutter InternBDB: InternKon: SerienBem: Zwhead_Deu: Zwhead_Eng: |
|||
| ? | Lock washer | 4 | EnglischBem: DeutschBem: DeutschDesc: Ripplocck-Scheibe 8 InternBDB: InternKon: SerienBem: Zwhead_Deu: Zwhead_Eng: |
||||
| ? | Hexagon nut | 4 | EnglischBem: DeutschBem: DeutschDesc: Sechskantmutter InternBDB: InternKon: SerienBem: Zwhead_Deu: Zwhead_Eng: |
||||
| ? | A/R | EnglischBem: DeutschBem: DeutschDesc: InternBDB: InternKon: SerienBem: Zwhead_Deu: Zwhead_Eng: |
|||||
| ? | A/R | EnglischBem: DeutschBem: DeutschDesc: InternBDB: InternKon: SerienBem: Zwhead_Deu: Zwhead_Eng: |
|||||
| ? | A/R | EnglischBem: DeutschBem: DeutschDesc: InternBDB: InternKon: SerienBem: Zwhead_Deu: Zwhead_Eng: |
|||||
| ? | A/R | EnglischBem: DeutschBem: DeutschDesc: InternBDB: InternKon: SerienBem: Zwhead_Deu: Zwhead_Eng: |
|||||
| ? | A/R | EnglischBem: DeutschBem: DeutschDesc: InternBDB: InternKon: SerienBem: Zwhead_Deu: Zwhead_Eng: |
|||||
| ? | A/R | EnglischBem: DeutschBem: DeutschDesc: InternBDB: InternKon: SerienBem: Zwhead_Deu: Zwhead_Eng: |
|||||
| ? | A/R | EnglischBem: DeutschBem: DeutschDesc: InternBDB: InternKon: SerienBem: Zwhead_Deu: Zwhead_Eng: |
|||||
| ? | A/R | EnglischBem: DeutschBem: DeutschDesc: InternBDB: InternKon: SerienBem: Zwhead_Deu: Zwhead_Eng: |
|||||
| ? | A/R | EnglischBem: DeutschBem: DeutschDesc: InternBDB: InternKon: SerienBem: Zwhead_Deu: Zwhead_Eng: |
|||||
| ? | A/R | EnglischBem: DeutschBem: DeutschDesc: InternBDB: InternKon: SerienBem: Zwhead_Deu: Zwhead_Eng: |
|||||
| ? | A/R | EnglischBem: DeutschBem: DeutschDesc: InternBDB: InternKon: SerienBem: Zwhead_Deu: Zwhead_Eng: |
|||||
| ? | A/R | EnglischBem: DeutschBem: DeutschDesc: InternBDB: InternKon: SerienBem: Zwhead_Deu: Zwhead_Eng: |
|||||
| ? | A/R | EnglischBem: DeutschBem: DeutschDesc: InternBDB: InternKon: SerienBem: Zwhead_Deu: Zwhead_Eng: |
|||||
| ? | A/R | EnglischBem: DeutschBem: DeutschDesc: InternBDB: InternKon: SerienBem: Zwhead_Deu: Zwhead_Eng: |
|||||
| ? | A/R | EnglischBem: DeutschBem: DeutschDesc: InternBDB: InternKon: SerienBem: Zwhead_Deu: Zwhead_Eng: |
|||||
| ? | A/R | EnglischBem: DeutschBem: DeutschDesc: InternBDB: InternKon: SerienBem: Zwhead_Deu: Zwhead_Eng: |
|||||
| ? | A/R | EnglischBem: DeutschBem: DeutschDesc: InternBDB: InternKon: SerienBem: Zwhead_Deu: Zwhead_Eng: |
|||||
| ? | A/R | EnglischBem: DeutschBem: DeutschDesc: InternBDB: InternKon: SerienBem: Zwhead_Deu: Zwhead_Eng: |
|||||
| ? | A/R | EnglischBem: DeutschBem: DeutschDesc: InternBDB: InternKon: SerienBem: Zwhead_Deu: Zwhead_Eng: |
|||||
| ? | A/R | EnglischBem: DeutschBem: DeutschDesc: InternBDB: InternKon: SerienBem: Zwhead_Deu: Zwhead_Eng: |
|||||
| ? | A/R | EnglischBem: DeutschBem: DeutschDesc: InternBDB: InternKon: SerienBem: Zwhead_Deu: Zwhead_Eng: |
|||||
| ? | A/R | EnglischBem: DeutschBem: DeutschDesc: InternBDB: InternKon: SerienBem: Zwhead_Deu: Zwhead_Eng: |
|||||
| ? | A/R | EnglischBem: DeutschBem: DeutschDesc: InternBDB: InternKon: SerienBem: Zwhead_Deu: Zwhead_Eng: |
|||||
| ? | A/R | EnglischBem: DeutschBem: DeutschDesc: InternBDB: InternKon: SerienBem: Zwhead_Deu: Zwhead_Eng: |
|||||
| ? | A/R | EnglischBem: DeutschBem: DeutschDesc: InternBDB: InternKon: SerienBem: Zwhead_Deu: Zwhead_Eng: |
|||||
| ? | A/R | EnglischBem: DeutschBem: DeutschDesc: InternBDB: InternKon: SerienBem: Zwhead_Deu: Zwhead_Eng: |
|||||
| ? | A/R | EnglischBem: DeutschBem: DeutschDesc: InternBDB: InternKon: SerienBem: Zwhead_Deu: Zwhead_Eng: |
|||||
| ? | A/R | EnglischBem: DeutschBem: DeutschDesc: InternBDB: InternKon: SerienBem: Zwhead_Deu: Zwhead_Eng: |
|||||
| ? | A/R | EnglischBem: DeutschBem: DeutschDesc: InternBDB: InternKon: SerienBem: Zwhead_Deu: Zwhead_Eng: |
|||||
| ? | A/R | EnglischBem: DeutschBem: DeutschDesc: InternBDB: InternKon: SerienBem: Zwhead_Deu: Zwhead_Eng: |
|||||
| ? | A/R | EnglischBem: DeutschBem: DeutschDesc: InternBDB: InternKon: SerienBem: Zwhead_Deu: Zwhead_Eng: |
|||||
| ? | A/R | EnglischBem: DeutschBem: DeutschDesc: InternBDB: InternKon: SerienBem: Zwhead_Deu: Zwhead_Eng: |
|||||
| ? | A/R | EnglischBem: DeutschBem: DeutschDesc: InternBDB: InternKon: SerienBem: Zwhead_Deu: Zwhead_Eng: |
|||||
| ? | A/R | EnglischBem: DeutschBem: DeutschDesc: InternBDB: InternKon: SerienBem: Zwhead_Deu: Zwhead_Eng: |
|||||
| ? | A/R | EnglischBem: DeutschBem: DeutschDesc: InternBDB: InternKon: SerienBem: Zwhead_Deu: Zwhead_Eng: |
|||||
| ? | A/R | EnglischBem: DeutschBem: DeutschDesc: InternBDB: InternKon: SerienBem: Zwhead_Deu: Zwhead_Eng: |
|||||
| ? | A/R | EnglischBem: DeutschBem: DeutschDesc: InternBDB: InternKon: SerienBem: Zwhead_Deu: Zwhead_Eng: |
|||||
| ? | A/R | EnglischBem: DeutschBem: DeutschDesc: InternBDB: InternKon: SerienBem: Zwhead_Deu: Zwhead_Eng: |
|||||
| ? | A/R | EnglischBem: DeutschBem: DeutschDesc: InternBDB: InternKon: SerienBem: Zwhead_Deu: Zwhead_Eng: |
|||||
| ? | A/R | EnglischBem: DeutschBem: DeutschDesc: InternBDB: InternKon: SerienBem: Zwhead_Deu: Zwhead_Eng: |
|||||
| ? | A/R | EnglischBem: DeutschBem: DeutschDesc: InternBDB: InternKon: SerienBem: Zwhead_Deu: Zwhead_Eng: |
|||||
| ? | A/R | EnglischBem: DeutschBem: DeutschDesc: InternBDB: InternKon: SerienBem: Zwhead_Deu: Zwhead_Eng: |
|||||
| ? | A/R | EnglischBem: DeutschBem: DeutschDesc: InternBDB: InternKon: SerienBem: Zwhead_Deu: Zwhead_Eng: |
|||||
| ? | A/R | EnglischBem: DeutschBem: DeutschDesc: InternBDB: InternKon: SerienBem: Zwhead_Deu: Zwhead_Eng: |
|||||
| ? | A/R | EnglischBem: DeutschBem: DeutschDesc: InternBDB: InternKon: SerienBem: Zwhead_Deu: Zwhead_Eng: |
|||||
| ? | A/R | EnglischBem: DeutschBem: DeutschDesc: InternBDB: InternKon: SerienBem: Zwhead_Deu: Zwhead_Eng: |
|||||
| ? | A/R | EnglischBem: DeutschBem: DeutschDesc: InternBDB: InternKon: SerienBem: Zwhead_Deu: Zwhead_Eng: |
|||||
| ? | A/R | EnglischBem: DeutschBem: DeutschDesc: InternBDB: InternKon: SerienBem: Zwhead_Deu: Zwhead_Eng: |
|||||
| ? | A/R | EnglischBem: DeutschBem: DeutschDesc: InternBDB: InternKon: SerienBem: Zwhead_Deu: Zwhead_Eng: |
|||||
| ? | A/R | EnglischBem: DeutschBem: DeutschDesc: InternBDB: InternKon: SerienBem: Zwhead_Deu: Zwhead_Eng: |
|||||
| ? | A/R | EnglischBem: DeutschBem: DeutschDesc: InternBDB: InternKon: SerienBem: Zwhead_Deu: Zwhead_Eng: |
|||||
| ? | A/R | EnglischBem: DeutschBem: DeutschDesc: InternBDB: InternKon: SerienBem: Zwhead_Deu: Zwhead_Eng: |
|||||
| ? | A/R | EnglischBem: DeutschBem: DeutschDesc: InternBDB: InternKon: SerienBem: Zwhead_Deu: Zwhead_Eng: |
|||||
| ? | A/R | EnglischBem: DeutschBem: DeutschDesc: InternBDB: InternKon: SerienBem: Zwhead_Deu: Zwhead_Eng: |
|||||
| ? | A/R | EnglischBem: DeutschBem: DeutschDesc: InternBDB: InternKon: SerienBem: Zwhead_Deu: Zwhead_Eng: |
|||||
| ? | A/R | EnglischBem: DeutschBem: DeutschDesc: InternBDB: InternKon: SerienBem: Zwhead_Deu: Zwhead_Eng: |
|||||
| ? | A/R | EnglischBem: DeutschBem: DeutschDesc: InternBDB: InternKon: SerienBem: Zwhead_Deu: Zwhead_Eng: |
|||||
| ? | A/R | EnglischBem: DeutschBem: DeutschDesc: InternBDB: InternKon: SerienBem: Zwhead_Deu: Zwhead_Eng: |
|||||
| ? | A/R | EnglischBem: DeutschBem: DeutschDesc: InternBDB: InternKon: SerienBem: Zwhead_Deu: Zwhead_Eng: |
|||||
| ? | A/R | EnglischBem: DeutschBem: DeutschDesc: InternBDB: InternKon: SerienBem: Zwhead_Deu: Zwhead_Eng: |
|||||
| ? | A/R | EnglischBem: DeutschBem: DeutschDesc: InternBDB: InternKon: SerienBem: Zwhead_Deu: Zwhead_Eng: |
|||||
| ? | A/R | EnglischBem: DeutschBem: DeutschDesc: InternBDB: InternKon: SerienBem: Zwhead_Deu: Zwhead_Eng: |
|||||
| ? | A/R | EnglischBem: DeutschBem: DeutschDesc: InternBDB: InternKon: SerienBem: Zwhead_Deu: Zwhead_Eng: |
|||||
| ? | A/R | EnglischBem: DeutschBem: DeutschDesc: InternBDB: InternKon: SerienBem: Zwhead_Deu: Zwhead_Eng: |
|||||
| ? | A/R | EnglischBem: DeutschBem: DeutschDesc: InternBDB: InternKon: SerienBem: Zwhead_Deu: Zwhead_Eng: |
|||||
| ? | A/R | EnglischBem: DeutschBem: DeutschDesc: InternBDB: InternKon: SerienBem: Zwhead_Deu: Zwhead_Eng: |
|||||
| ? | A/R | EnglischBem: DeutschBem: DeutschDesc: InternBDB: InternKon: SerienBem: Zwhead_Deu: Zwhead_Eng: |
|||||
| ? | A/R | EnglischBem: DeutschBem: DeutschDesc: InternBDB: InternKon: SerienBem: Zwhead_Deu: Zwhead_Eng: |
|||||
| ? | A/R | EnglischBem: DeutschBem: DeutschDesc: InternBDB: InternKon: SerienBem: Zwhead_Deu: Zwhead_Eng: |
|||||
| ? | A/R | EnglischBem: DeutschBem: DeutschDesc: InternBDB: InternKon: SerienBem: Zwhead_Deu: Zwhead_Eng: |
|||||
| ? | A/R | EnglischBem: DeutschBem: DeutschDesc: InternBDB: InternKon: SerienBem: Zwhead_Deu: Zwhead_Eng: |
|||||
| ? | A/R | EnglischBem: DeutschBem: DeutschDesc: InternBDB: InternKon: SerienBem: Zwhead_Deu: Zwhead_Eng: |
|||||
| ? | A/R | EnglischBem: DeutschBem: DeutschDesc: InternBDB: InternKon: SerienBem: Zwhead_Deu: Zwhead_Eng: |
|||||
| ? | A/R | EnglischBem: DeutschBem: DeutschDesc: InternBDB: InternKon: SerienBem: Zwhead_Deu: Zwhead_Eng: |
|||||
| ? | A/R | EnglischBem: DeutschBem: DeutschDesc: InternBDB: InternKon: SerienBem: Zwhead_Deu: Zwhead_Eng: |
|||||
| ? | A/R | EnglischBem: DeutschBem: DeutschDesc: InternBDB: InternKon: SerienBem: Zwhead_Deu: Zwhead_Eng: |
|||||
| ? | A/R | EnglischBem: DeutschBem: DeutschDesc: InternBDB: InternKon: SerienBem: Zwhead_Deu: Zwhead_Eng: |
|||||
| ? | A/R | EnglischBem: DeutschBem: DeutschDesc: InternBDB: InternKon: SerienBem: Zwhead_Deu: Zwhead_Eng: |
|||||
| ? | A/R | EnglischBem: DeutschBem: DeutschDesc: InternBDB: InternKon: SerienBem: Zwhead_Deu: Zwhead_Eng: |
|||||
| ? | A/R | EnglischBem: DeutschBem: DeutschDesc: InternBDB: InternKon: SerienBem: Zwhead_Deu: Zwhead_Eng: |
|||||
| ? | A/R | EnglischBem: DeutschBem: DeutschDesc: InternBDB: InternKon: SerienBem: Zwhead_Deu: Zwhead_Eng: |
|||||
| ? | A/R | EnglischBem: DeutschBem: DeutschDesc: InternBDB: InternKon: SerienBem: Zwhead_Deu: Zwhead_Eng: |
|||||
| ? | A/R | EnglischBem: DeutschBem: DeutschDesc: InternBDB: InternKon: SerienBem: Zwhead_Deu: Zwhead_Eng: |
|||||
| ? | A/R | EnglischBem: DeutschBem: DeutschDesc: InternBDB: InternKon: SerienBem: Zwhead_Deu: Zwhead_Eng: |
|||||
| ? | A/R | EnglischBem: DeutschBem: DeutschDesc: InternBDB: InternKon: SerienBem: Zwhead_Deu: Zwhead_Eng: |
|||||
| ? | A/R | EnglischBem: DeutschBem: DeutschDesc: InternBDB: InternKon: SerienBem: Zwhead_Deu: Zwhead_Eng: |
|||||
| ? | A/R | EnglischBem: DeutschBem: DeutschDesc: InternBDB: InternKon: SerienBem: Zwhead_Deu: Zwhead_Eng: |
|||||
| ? | A/R | EnglischBem: DeutschBem: DeutschDesc: InternBDB: InternKon: SerienBem: Zwhead_Deu: Zwhead_Eng: |
|||||
| ? | A/R | EnglischBem: DeutschBem: DeutschDesc: InternBDB: InternKon: SerienBem: Zwhead_Deu: Zwhead_Eng: |
|||||
| ? | A/R | EnglischBem: DeutschBem: DeutschDesc: InternBDB: InternKon: SerienBem: Zwhead_Deu: Zwhead_Eng: |
|||||
| ? | A/R | EnglischBem: DeutschBem: DeutschDesc: InternBDB: InternKon: SerienBem: Zwhead_Deu: Zwhead_Eng: |
|||||
| ? | A/R | EnglischBem: DeutschBem: DeutschDesc: InternBDB: InternKon: SerienBem: Zwhead_Deu: Zwhead_Eng: |
|||||
| ? | A/R | EnglischBem: DeutschBem: DeutschDesc: InternBDB: InternKon: SerienBem: Zwhead_Deu: Zwhead_Eng: |
|||||
| ? | A/R | EnglischBem: DeutschBem: DeutschDesc: InternBDB: InternKon: SerienBem: Zwhead_Deu: Zwhead_Eng: |
|||||
| ? | A/R | EnglischBem: DeutschBem: DeutschDesc: InternBDB: InternKon: SerienBem: Zwhead_Deu: Zwhead_Eng: |
|||||
| ? | A/R | EnglischBem: DeutschBem: DeutschDesc: InternBDB: InternKon: SerienBem: Zwhead_Deu: Zwhead_Eng: |
|||||
| ? | A/R | EnglischBem: DeutschBem: DeutschDesc: InternBDB: InternKon: SerienBem: Zwhead_Deu: Zwhead_Eng: |
|||||
| ? | A/R | EnglischBem: DeutschBem: DeutschDesc: InternBDB: InternKon: SerienBem: Zwhead_Deu: Zwhead_Eng: |
|||||
| ? | A/R | EnglischBem: DeutschBem: DeutschDesc: InternBDB: InternKon: SerienBem: Zwhead_Deu: Zwhead_Eng: |
|||||
| ? | A/R | EnglischBem: DeutschBem: DeutschDesc: InternBDB: InternKon: SerienBem: Zwhead_Deu: Zwhead_Eng: |
|||||
| ? | A/R | EnglischBem: DeutschBem: DeutschDesc: InternBDB: InternKon: SerienBem: Zwhead_Deu: Zwhead_Eng: |
|||||
| ? | A/R | EnglischBem: DeutschBem: DeutschDesc: InternBDB: InternKon: SerienBem: Zwhead_Deu: Zwhead_Eng: |
|||||
| ? | A/R | EnglischBem: DeutschBem: DeutschDesc: InternBDB: InternKon: SerienBem: Zwhead_Deu: Zwhead_Eng: |
|||||
| ? | A/R | EnglischBem: DeutschBem: DeutschDesc: InternBDB: InternKon: SerienBem: Zwhead_Deu: Zwhead_Eng: |
|||||
| ? | A/R | EnglischBem: DeutschBem: DeutschDesc: InternBDB: InternKon: SerienBem: Zwhead_Deu: Zwhead_Eng: |
|||||
| ? | A/R | EnglischBem: DeutschBem: DeutschDesc: InternBDB: InternKon: SerienBem: Zwhead_Deu: Zwhead_Eng: |
|||||
| ? | A/R | EnglischBem: DeutschBem: DeutschDesc: InternBDB: InternKon: SerienBem: Zwhead_Deu: Zwhead_Eng: |
|||||
| ? | A/R | EnglischBem: DeutschBem: DeutschDesc: InternBDB: InternKon: SerienBem: Zwhead_Deu: Zwhead_Eng: |
|||||
| ? | A/R | EnglischBem: DeutschBem: DeutschDesc: InternBDB: InternKon: SerienBem: Zwhead_Deu: Zwhead_Eng: |
|||||
| ? | A/R | EnglischBem: DeutschBem: DeutschDesc: InternBDB: InternKon: SerienBem: Zwhead_Deu: Zwhead_Eng: |
|||||
| ? | A/R | EnglischBem: DeutschBem: DeutschDesc: InternBDB: InternKon: SerienBem: Zwhead_Deu: Zwhead_Eng: |
|||||
| ? | A/R | EnglischBem: DeutschBem: DeutschDesc: InternBDB: InternKon: SerienBem: Zwhead_Deu: Zwhead_Eng: |
|||||
| ? | A/R | EnglischBem: DeutschBem: DeutschDesc: InternBDB: InternKon: SerienBem: Zwhead_Deu: Zwhead_Eng: |
|||||
| ? | A/R | EnglischBem: DeutschBem: DeutschDesc: InternBDB: InternKon: SerienBem: Zwhead_Deu: Zwhead_Eng: |
|||||
| ? | A/R | EnglischBem: DeutschBem: DeutschDesc: InternBDB: InternKon: SerienBem: Zwhead_Deu: Zwhead_Eng: |
|||||
| ? | A/R | EnglischBem: DeutschBem: DeutschDesc: InternBDB: InternKon: SerienBem: Zwhead_Deu: Zwhead_Eng: |
|||||
| ? | A/R | EnglischBem: DeutschBem: DeutschDesc: InternBDB: InternKon: SerienBem: Zwhead_Deu: Zwhead_Eng: |
|||||
| ? | A/R | EnglischBem: DeutschBem: DeutschDesc: InternBDB: InternKon: SerienBem: Zwhead_Deu: Zwhead_Eng: |
|||||
| ? | A/R | EnglischBem: DeutschBem: DeutschDesc: InternBDB: InternKon: SerienBem: Zwhead_Deu: Zwhead_Eng: |
|||||
| ? | A/R | EnglischBem: DeutschBem: DeutschDesc: InternBDB: InternKon: SerienBem: Zwhead_Deu: Zwhead_Eng: |
|||||
| ? | A/R | EnglischBem: DeutschBem: DeutschDesc: InternBDB: InternKon: SerienBem: Zwhead_Deu: Zwhead_Eng: |
|||||
| ? | A/R | EnglischBem: DeutschBem: DeutschDesc: InternBDB: InternKon: SerienBem: Zwhead_Deu: Zwhead_Eng: |
|||||
| ? | A/R | EnglischBem: DeutschBem: DeutschDesc: InternBDB: InternKon: SerienBem: Zwhead_Deu: Zwhead_Eng: |
|||||
| ? | A/R | EnglischBem: DeutschBem: DeutschDesc: InternBDB: InternKon: SerienBem: Zwhead_Deu: Zwhead_Eng: |
|||||
| ? | A/R | EnglischBem: DeutschBem: DeutschDesc: InternBDB: InternKon: SerienBem: Zwhead_Deu: Zwhead_Eng: |
|||||
| ? | A/R | EnglischBem: DeutschBem: DeutschDesc: InternBDB: InternKon: SerienBem: Zwhead_Deu: Zwhead_Eng: |
|||||
| ? | A/R | EnglischBem: DeutschBem: DeutschDesc: InternBDB: InternKon: SerienBem: Zwhead_Deu: Zwhead_Eng: |
|||||
| ? | A/R | EnglischBem: DeutschBem: DeutschDesc: InternBDB: InternKon: SerienBem: Zwhead_Deu: Zwhead_Eng: |
|||||
| ? | A/R | EnglischBem: DeutschBem: DeutschDesc: InternBDB: InternKon: SerienBem: Zwhead_Deu: Zwhead_Eng: |
|||||
| ? | A/R | EnglischBem: DeutschBem: DeutschDesc: InternBDB: InternKon: SerienBem: Zwhead_Deu: Zwhead_Eng: |
|||||
| ? | A/R | EnglischBem: DeutschBem: DeutschDesc: InternBDB: InternKon: SerienBem: Zwhead_Deu: Zwhead_Eng: |
|||||
| ? | A/R | EnglischBem: DeutschBem: DeutschDesc: InternBDB: InternKon: SerienBem: Zwhead_Deu: Zwhead_Eng: |
|||||
| ? | A/R | EnglischBem: DeutschBem: DeutschDesc: InternBDB: InternKon: SerienBem: Zwhead_Deu: Zwhead_Eng: |