k-part
Номер на схеме Каталожный номер Название Количество Детали
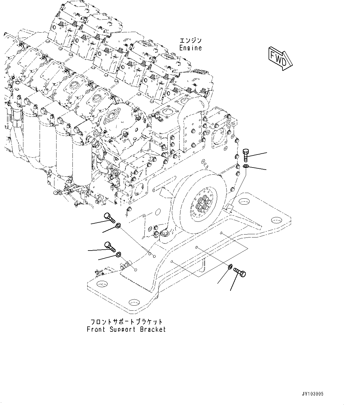
? 01010-81016 Bolt 8
SN: 93001-
KIT-FLAG: _-
SCC:
SERIALNO: 93001-
? 01643-31032 Washer 8
SN: 93001-
KIT-FLAG: _-
SCC:
SERIALNO: 93001-

Wheel Loaders Komatsu / WA900-8E0 S/N 93001-UP(1001638C) / Engine Unit, Blind Parts (With KOWA Sampling Points, Engine Oil Quick Charge) (#93001-)(B001010 : B0000-005011)
?
?
?
?
?
?
?
?