| Номер на схеме | Каталожный номер | Название | Количество | Детали | |||
|---|---|---|---|---|---|---|---|
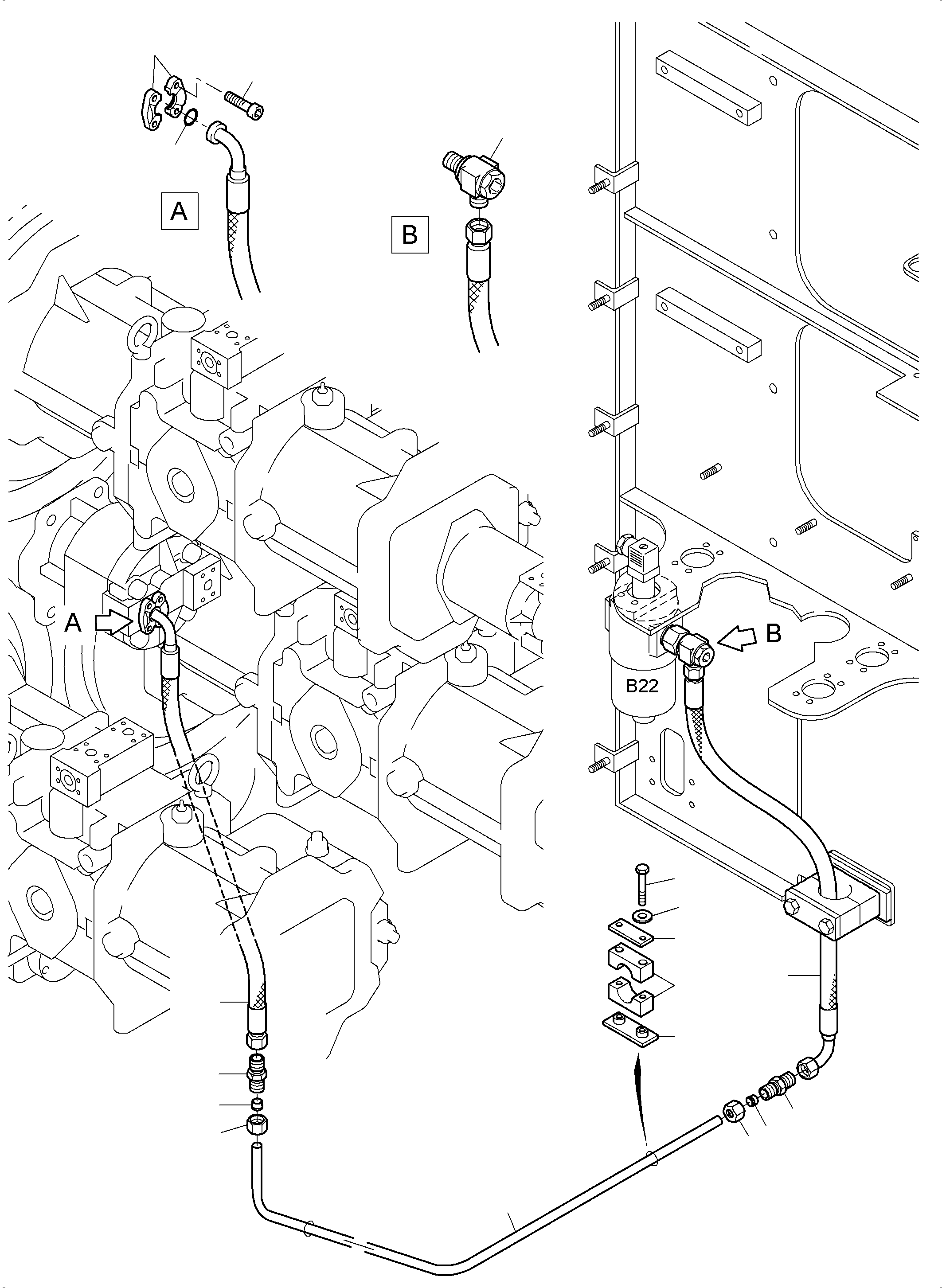
| ? | 517 730 98 | Hose assy. DN 25x950 | 1 | EnglischBem: DeutschBem: DeutschDesc: Schlauchleitung DN 25x950 InternBDB: InternKon: SerienBem: Zwhead_Deu: Zwhead_Eng: |
|||
| ? | 516 750 98 | Socket | 2 | EnglischBem: DeutschBem: DeutschDesc: Stutzen InternBDB: InternKon: SerienBem: Zwhead_Deu: Zwhead_Eng: |
|||
| ? | 906 350 40 | Olive | 2 | EnglischBem: DeutschBem: DeutschDesc: Schneidring InternBDB: InternKon: SerienBem: Zwhead_Deu: Zwhead_Eng: |
|||
| ? | 371 278 99 | Union Nut | 2 | EnglischBem: DeutschBem: DeutschDesc: Ьberwurfmutter InternBDB: InternKon: SerienBem: Zwhead_Deu: Zwhead_Eng: |
|||
| ? | 977 528 40 | Pipe | 1 | EnglischBem: DeutschBem: DeutschDesc: Rohr InternBDB: InternKon: SerienBem: Zwhead_Deu: Zwhead_Eng: |
|||
| ? | 517 787 98 | Hose assy. DN 25x900 | 1 | EnglischBem: DeutschBem: DeutschDesc: Schlauchleitung DN 25x900 InternBDB: InternKon: SerienBem: Zwhead_Deu: Zwhead_Eng: |
|||
| ? | 006 632 98 | Half flange | 2 | EnglischBem: DeutschBem: DeutschDesc: Flanschhдlfte InternBDB: InternKon: SerienBem: Zwhead_Deu: Zwhead_Eng: |
|||
| ? | 324 524 40 | Flange seal | 1 | EnglischBem: DeutschBem: DeutschDesc: Flanschdichtung InternBDB: InternKon: SerienBem: Zwhead_Deu: Zwhead_Eng: |
|||
| ? | 319 148 99 | Bolt | 4 | EnglischBem: DeutschBem: DeutschDesc: Schraube InternBDB: InternKon: SerienBem: Zwhead_Deu: Zwhead_Eng: |
|||
| ? | 502 954 98 | Pair of clamps | 12 | EnglischBem: DeutschBem: DeutschDesc: Klemmenpaar InternBDB: InternKon: SerienBem: Zwhead_Deu: Zwhead_Eng: |
|||
| ? | 534 001 99 | Cover plate | 18 | EnglischBem: DeutschBem: DeutschDesc: Deckplatte InternBDB: InternKon: SerienBem: Zwhead_Deu: Zwhead_Eng: |
|||
| ? | 308 579 99 | Bolt | 28 | EnglischBem: DeutschBem: DeutschDesc: Schraube InternBDB: InternKon: SerienBem: Zwhead_Deu: Zwhead_Eng: |
|||
| ? | 343 005 99 | Washer | 28 | EnglischBem: DeutschBem: DeutschDesc: Scheibe InternBDB: InternKon: SerienBem: Zwhead_Deu: Zwhead_Eng: |
|||
| ? | 534 002 99 | Weld on plate | 4 | EnglischBem: DeutschBem: DeutschDesc: AnschweiЯplatte InternBDB: InternKon: SerienBem: Zwhead_Deu: Zwhead_Eng: |
|||
| ? | 517 090 98 | Union | 1 | EnglischBem: DeutschBem: DeutschDesc: Verschraubung InternBDB: InternKon: SerienBem: Zwhead_Deu: Zwhead_Eng: |