k-part
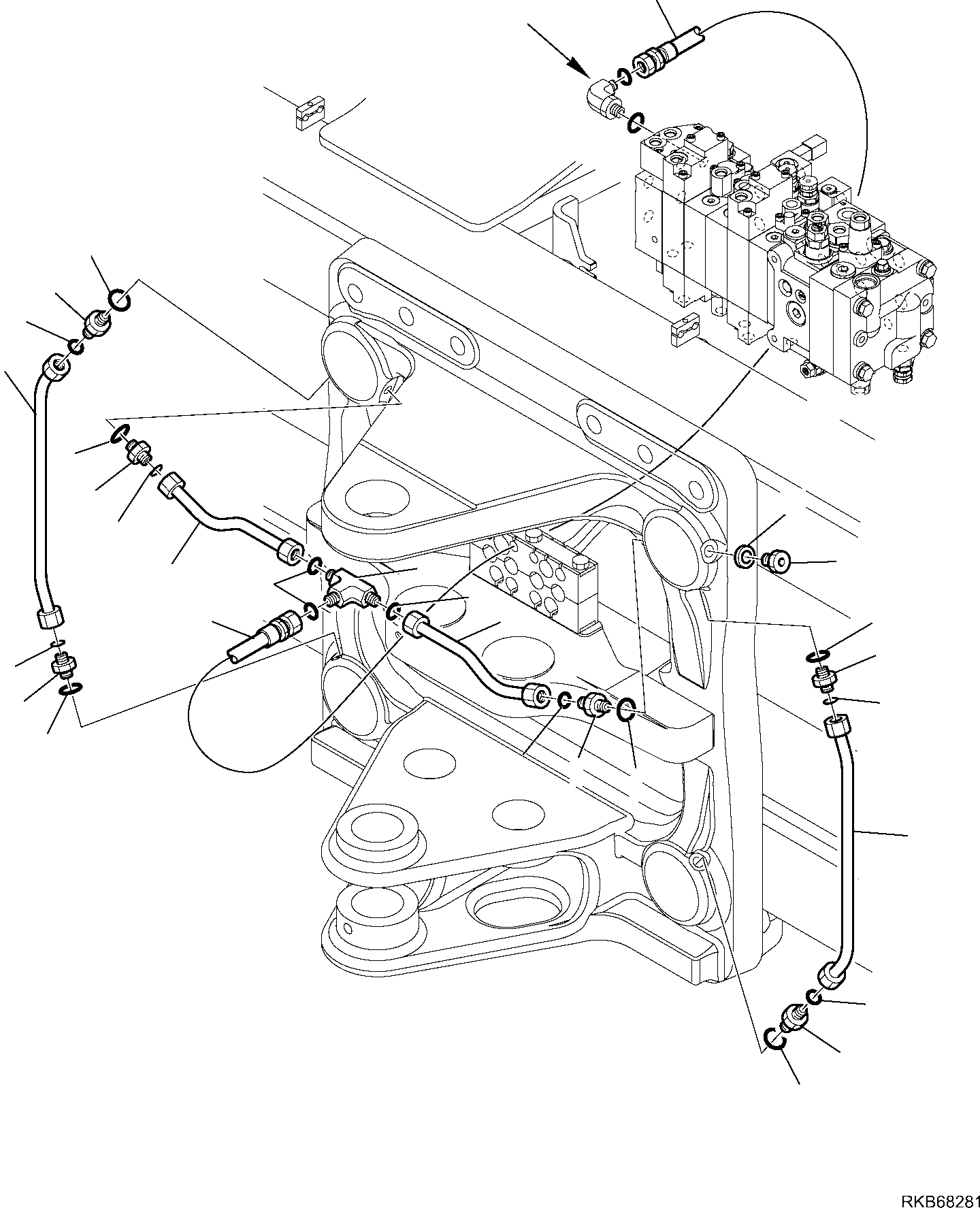
Номер на схеме Каталожный номер Название Количество Детали
? 42N-62-13480 HOSE 1
SN: F30541-
? 42N-833-1420 TEE 1
SN: F30541-
? 02896-11009 • O-RING 3
SN: F30541-
? 42N-62-13461 PIPE 2
SN: F30541-
? 37D-09-66103 UNION 6
SN: F30541-
? 21D-09-69960 • O-RING 1
SN: F30541-
? 02896-11009 • O-RING 1
SN: F30541-
? 42N-62-13471 PIPE 2
SN: F30541-
? 21D-09-55130 PLUG 2
SN: F30541-
? 21D-09-86280 WASHER 2
SN: F30541-
? SEE FIG. 6389 6389

Backhoeloaders Komatsu / WB97S-5E0 S/N F30541 AND F30542 (RUSSIA SPECIFICATION TIER 2 ENG. INSTALLED)(WB97S5RU) / HYDRAULIC PIPING (SLIDING PLATE LOCKING LINE)(F-6710 : 6710)
?
?
?
?
?
?
?
?
?
?
?
?
?
?
?
?
?
?
?
?
?
?
?
?
?
?
?
?
?
?