k-part
Номер на схеме Каталожный номер Название Количество Детали
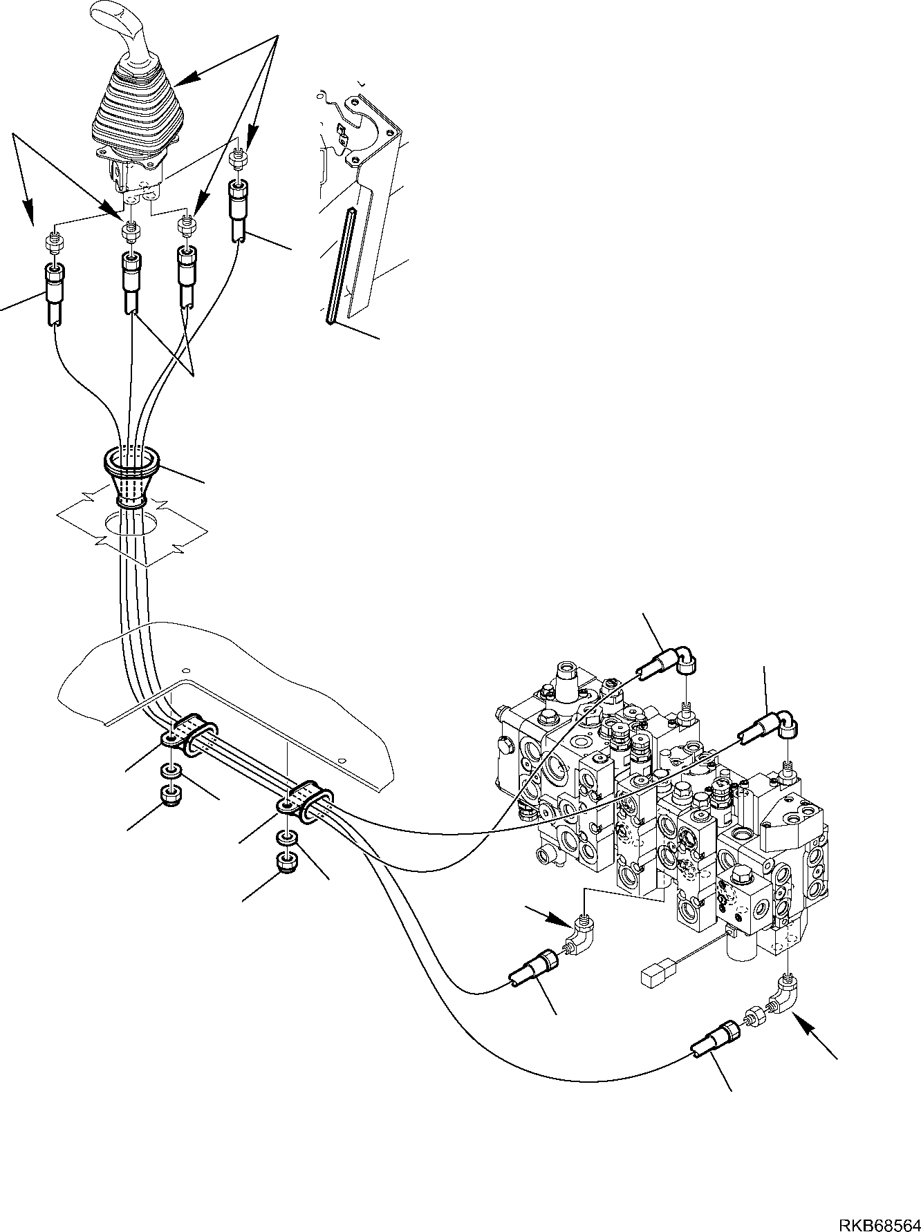
? 42N-62-11950 HOSE 2
SN: F30541-
? 42N-62-11870 HOSE 2
SN: F30541-
? 42N-62-15330 GASKET 1
SN: F30541-
? 22M-62-21341 GASKET 1
SN: F30541-
? 37A-09-5N505 CLAMP 2
SN: F30541-
? 21D-09-24190 NUT 2
SN: F30541-
? 01643-11032 WASHER 2
SN: F30541-
? SEE FIG. 4220 4220
? SEE FIG. 6386 6386

Backhoeloaders Komatsu / WB97S-5E0 S/N F30541 AND F30542 (RUSSIA SPECIFICATION TIER 2 ENG. INSTALLED)(WB97S5RU) / HYDRAULIC PIPING (SERVOCONTROL LINE) (SHOVEL BUCKET LIFTING AND TIPPING LINE)(F-6475 : 6475)
?
?
?
?
?
?
?
?
?
?
?
?
?
?
?
?
?
?
?