| Номер на схеме | Каталожный номер | Название | Количество | Детали | |||
|---|---|---|---|---|---|---|---|
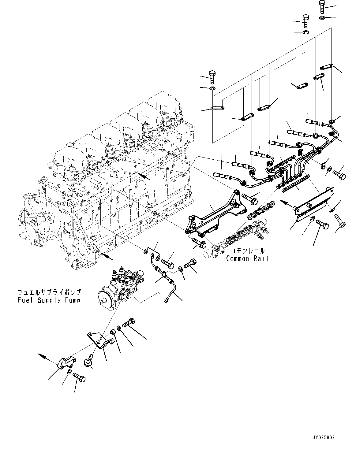
| ? | 6251-21-6110 | Bracket | 1 | SN: 864286- KIT-FLAG: _- SCC: SERIALNO: 864286- |
|||
| ? | 01435-01030 | Bolt | 2 | SN: 864286- KIT-FLAG: _- SCC: SERIALNO: 864286- |
|||
| ? | 01435-01040 | Bolt | 1 | SN: 864286- KIT-FLAG: _- SCC: SERIALNO: 864286- |
|||
| ? | 6252-21-6160 | Bracket | 1 | SN: 864286- KIT-FLAG: _- SCC: SERIALNO: 864286- |
|||
| ? | 01010-81050 | Bolt | 2 | SN: 864286- KIT-FLAG: _- SCC: SERIALNO: 864286- |
|||
| ? | 01643-31032 | Washer | 2 | SN: 864286- KIT-FLAG: _- SCC: SERIALNO: 864286- |
|||
| ? | 6252-21-6150 | Bracket | 1 | SN: 864286- KIT-FLAG: _- SCC: SERIALNO: 864286- |
|||
| ? | 6144-85-6550 | Spacer | 1 | SN: 864286- KIT-FLAG: _- SCC: SERIALNO: 864286- |
|||
| ? | 01010-81250 | Bolt | 1 | SN: 864286- KIT-FLAG: _- SCC: SERIALNO: 864286- |
|||
| ? | 01643-31232 | Washer | 1 | SN: 864286- KIT-FLAG: _- SCC: SERIALNO: 864286- |
|||
| ? | 01435-01220 | Bolt | 2 | SN: 864286- KIT-FLAG: _- SCC: SERIALNO: 864286- |
|||
| ? | 6252-71-5470 | Hose | 1 | SN: 864286- KIT-FLAG: _- SCC: SERIALNO: 864286- |
|||
| ? | 07206-30710 | Bolt, Joint | 1 | SN: 864286- KIT-FLAG: _- SCC: SERIALNO: 864286- |
|||
| ? | 07005-01012 | Seal, Washer | 2 | SN: 864286- KIT-FLAG: S- SCC: SERIALNO: 864286- |
|||
| ? | 600-052-3120 | Clip | 1 | SN: 864286- KIT-FLAG: _- SCC: SERIALNO: 864286- |
|||
| ? | 01010-81020 | Bolt | 1 | SN: 864286- KIT-FLAG: _- SCC: SERIALNO: 864286- |
|||
| ? | 01643-31032 | Washer | 1 | SN: 864286- KIT-FLAG: _- SCC: SERIALNO: 864286- |
|||
| ? | 6252-71-5110 | Tube | 1 | SN: 864286- KIT-FLAG: _- SCC: SERIALNO: 864286- |
|||
| ? | 6252-71-5120 | Tube | 1 | SN: 864286- KIT-FLAG: _- SCC: SERIALNO: 864286- |
|||
| ? | 6252-71-5130 | Tube | 1 | SN: 864286- KIT-FLAG: _- SCC: SERIALNO: 864286- |
|||
| ? | 6252-71-5140 | Tube | 1 | SN: 864286- KIT-FLAG: _- SCC: SERIALNO: 864286- |
|||
| ? | 6252-71-5150 | Tube | 1 | SN: 864286- KIT-FLAG: _- SCC: SERIALNO: 864286- |
|||
| ? | 6252-71-5160 | Tube | 1 | SN: 864286- KIT-FLAG: _- SCC: SERIALNO: 864286- |
|||
| ? | 6252-71-5810 | Bracket | 1 | SN: 864286- KIT-FLAG: _- SCC: SERIALNO: 864286- |
|||
| ? | 01010-81055 | Bolt | 2 | SN: 864286- KIT-FLAG: _- SCC: SERIALNO: 864286- |
|||
| ? | 01643-31032 | Washer | 2 | SN: 864286- KIT-FLAG: _- SCC: SERIALNO: 864286- |
|||
| ? | 6217-71-5261 | Clamp | 1 | SN: 864286- KIT-FLAG: _- SCC: SERIALNO: 864286- |
|||
| ? | 6217-71-5761 | Clamp | 1 | SN: 864286- KIT-FLAG: _- SCC: SERIALNO: 864286- |
|||
| ? | 01010-80640 | Bolt | 7 | SN: 864286- KIT-FLAG: _- SCC: SERIALNO: 864286- |
|||
| ? | 01643-30623 | Washer | 7 | SN: 864286- KIT-FLAG: _- SCC: SERIALNO: 864286- |
|||
| ? | 6251-71-5230 | Bracket | 5 | SN: 864286- KIT-FLAG: _- SCC: SERIALNO: 864286- |
|||
| ? | 01010-81025 | Bolt | 4 | SN: 864286- KIT-FLAG: _- SCC: SERIALNO: 864286- |
|||
| ? | 01643-31032 | Washer | 4 | SN: 864286- KIT-FLAG: _- SCC: SERIALNO: 864286- |
|||
| ? | 6251-71-5220 | Bracket | 1 | SN: 864286- KIT-FLAG: _- SCC: SERIALNO: 864286- |
|||
| ? | 01010-81030 | Bolt | 1 | SN: 864286- KIT-FLAG: _- SCC: SERIALNO: 864286- |
|||
| ? | 01643-31032 | Washer | 1 | SN: 864286- KIT-FLAG: _- SCC: SERIALNO: 864286- |
|||
| ? | 6261-71-6660 | Clamp | 6 | SN: 864286- KIT-FLAG: _- SCC: SERIALNO: 864286- |
|||
| ? | 6261-71-6670 | Clamp | 6 | SN: 864286- KIT-FLAG: _- SCC: SERIALNO: 864286- |
|||
| ? | 01010-80630 | Bolt | 6 | SN: 864286- KIT-FLAG: _- SCC: SERIALNO: 864286- |
|||
| ? | 01643-30623 | Washer | 6 | SN: 864286- KIT-FLAG: _- SCC: SERIALNO: 864286- |
|||
| ? | 6251-71-5840 | Clamp | 4 | SN: 864286- KIT-FLAG: _- SCC: SERIALNO: 864286- |
|||
| ? | 6251-71-5850 | Clamp | 4 | SN: 864286- KIT-FLAG: _- SCC: SERIALNO: 864286- |
|||
| ? | 01010-80625 | Bolt | 4 | SN: 864286- KIT-FLAG: _- SCC: SERIALNO: 864286- |
|||
| ? | 01643-30623 | Washer | 4 | SN: 864286- KIT-FLAG: _- SCC: SERIALNO: 864286- |