k-part
Номер на схеме Каталожный номер Название Количество Детали
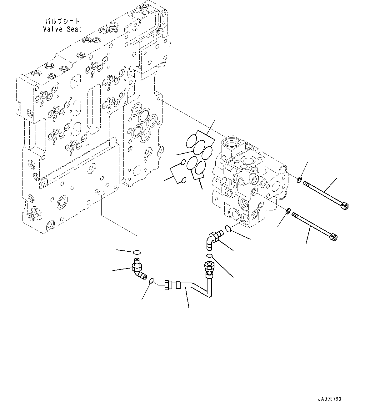
? 425-15-41010 Transmission Assembly 1
SN: H50151-
KIT-FLAG: _-
SCC:
SERIALNO: H50151-
? 425-15-45011 • Valve Assembly 1
SN: H50151-
KIT-FLAG: _-
SCC:
SERIALNO: H50151-
? 07000-73030 • • O-Ring, (Kit : K03) 4
SN: H50151-
KIT-FLAG: _-
SCC:
SERIALNO: H50151-
? 07000-73034 • • O-Ring, (Kit : K03) 1
SN: H50151-
KIT-FLAG: _-
SCC:
SERIALNO: H50151-
? 07000-72012 • • O-Ring, (Kit : K03) 2
SN: H50151-
KIT-FLAG: _-
SCC:
SERIALNO: H50151-
? 569-15-75140 • • Bolt 2
SN: H50151-
KIT-FLAG: _-
SCC:
SERIALNO: H50151-
? 290H-20-1950 • • Bolt 1
SN: H50151-
KIT-FLAG: _-
SCC:
SERIALNO: H50151-
? 01643-51032 • • Washer 3
SN: H50151-
KIT-FLAG: _-
SCC:
SERIALNO: H50151-
? 425-15-45710 • • Tube 1
SN: H50151-
KIT-FLAG: _-
SCC:
SERIALNO: H50151-
? 02896-11008 • • O-Ring, (Kit : K03) 2
SN: H50151-
KIT-FLAG: _-
SCC:
SERIALNO: H50151-
? 02782-10210 • • Elbow 2
SN: H50151-
KIT-FLAG: _-
SCC:
SERIALNO: H50151-
? 07002-61423 • • O-Ring, (Kit : K03) 2
SN: H50151-
KIT-FLAG: _-
SCC:
SERIALNO: H50151-

Wheel Loaders Komatsu / WA500-8E0 S/N H50151-UP(WA00037H) / Torque Converter and Transmission, Relief Valve Mounting(F002023 : F4300-001023)
?
?
?
?
?
?
?
?
?
?
?
?
?
?
?