k-part
Номер на схеме Каталожный номер Название Количество Детали
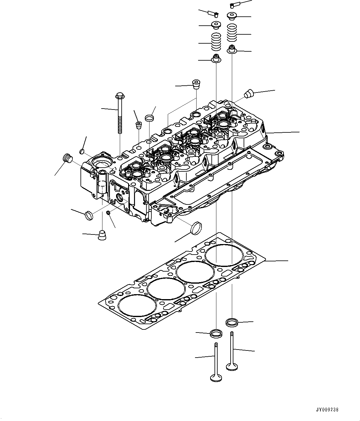
? 6751-11-1210 Head Assembly 1
SN: 22296044-
KIT-FLAG: _-
SCC:
SERIALNO: 22296044-
? 6751-11-1102 • Head, Cylinder 1
SN: 22296044-
KIT-FLAG: _-
SCC:
SERIALNO: 22296044-
? 6754-11-1150 • • Plug 5
SN: 22296044-
KIT-FLAG: _-
SCC:
SERIALNO: 22296044-
? 6732-21-1820 • • Plug 9
SN: 22296044-
KIT-FLAG: _-
SCC:
SERIALNO: 22296044-
? 6735-21-5531 • • Plug, Expansion 7
SN: 22296044-
KIT-FLAG: _-
SCC:
SERIALNO: 22296044-
? 6754-11-1170 • • Insert, Intake Valve 8
SN: 22296044-
KIT-FLAG: _-
SCC:
SERIALNO: 22296044-
? 6754-11-1180 • • Insert, Exhaust Valve 8
SN: 22296044-
KIT-FLAG: _-
SCC:
SERIALNO: 22296044-
? 6744-11-1070 • • Plug 1
SN: 22296044-
KIT-FLAG: _-
SCC:
SERIALNO: 22296044-
? 6754-11-1160 • • Plug 2
SN: 22296044-
KIT-FLAG: _-
SCC:
SERIALNO: 22296044-
? • • Head, Cylinder 1
SN: 22296044-
KIT-FLAG: _-
SCC: C1
SERIALNO: 22296044-
? 6732-21-1981 • Plug, Pipe 2
SN: 22296044-
KIT-FLAG: _-
SCC:
SERIALNO: 22296044-
? 6732-11-1920 • Plug 3
SN: 22296044-
KIT-FLAG: _-
SCC:
SERIALNO: 22296044-
? 6732-61-2240 • Plug 1
SN: 22296044-
KIT-FLAG: _-
SCC:
SERIALNO: 22296044-
? 6216-14-6820 • Plug Assembly 1
SN: 22296044-
KIT-FLAG: _-
SCC:
SERIALNO: 22296044-
? 6216-14-6860 • • O-Ring 1
SN: 22296044-
KIT-FLAG: S-
SCC:
SERIALNO: 22296044-
? 6754-41-4541 Seal 8
SN: 22296044-
KIT-FLAG: _-
SCC:
SERIALNO: 22296044-
? 6754-41-4100 Valve Kit, Intake 8
SN: 22296044-
KIT-FLAG: _-
SCC:
SERIALNO: 22296044-
? 6754-41-4110 • Valve 1
SN: 22296044-
KIT-FLAG: _-
SCC:
SERIALNO: 22296044-
? 6744-11-1020 • Collet 2
SN: 22296044-
KIT-FLAG: _-
SCC:
SERIALNO: 22296044-
? 6754-41-4540 • Seal 1
SN: 22296044-
KIT-FLAG: S-
SCC:
SERIALNO: 22296044-
? 6754-41-4200 Valve Kit, Exhaust 8
SN: 22296044-
KIT-FLAG: _-
SCC:
SERIALNO: 22296044-
? 6754-41-4210 • Valve 1
SN: 22296044-
KIT-FLAG: _-
SCC:
SERIALNO: 22296044-
? 6744-11-1020 • Collet 2
SN: 22296044-
KIT-FLAG: _-
SCC:
SERIALNO: 22296044-
? 6754-41-4432 Spring 16
SN: 22296044-
KIT-FLAG: _-
SCC:
SERIALNO: 22296044-
? 6754-41-4510 Retainer 16
SN: 22296044-
KIT-FLAG: _-
SCC:
SERIALNO: 22296044-
? 6754-11-1610 Bolt 18
SN: 22296044-
KIT-FLAG: _-
SCC:
SERIALNO: 22296044-
? 6751-11-1810 Gasket 1
SN: 22296044-
KIT-FLAG: S-
SCC:
SERIALNO: 22296044-

Engines Komatsu / SAA4D107E-3A S/N 22296044-UP (For PW160-11)(PW00007H) / Cylinder Head(A004001 : A1009-001001)
?
?
?
?
?
?
?
?
?
?
?
?
?
?
?
?
?
?
?
?
?
?
?
?
?