| Номер на схеме | Каталожный номер | Название | Количество | Детали | |||
|---|---|---|---|---|---|---|---|
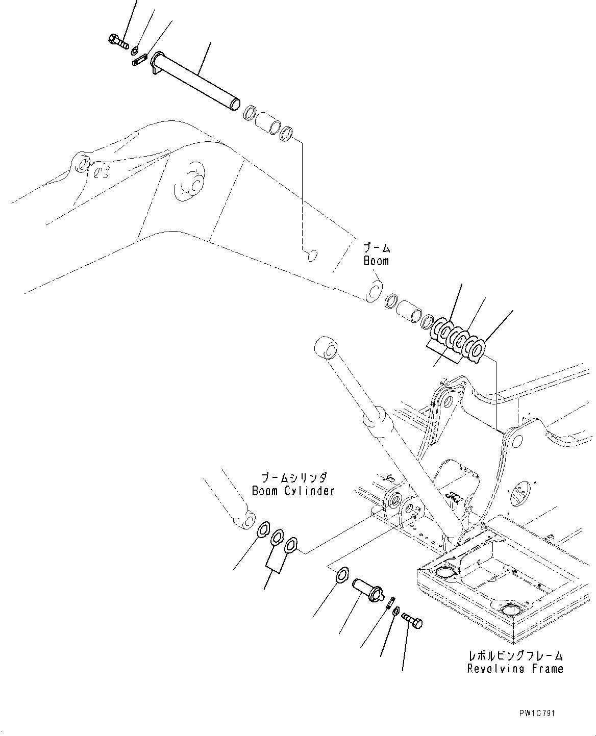
| ? | 206-70-55270 | Pin | 1 | SN: 85001- KIT-FLAG: _- SCC: SERIALNO: 85001- |
|||
| ? | 20Y-70-11190 | Plate | 1 | SN: 85001- KIT-FLAG: _- SCC: SERIALNO: 85001- |
|||
| ? | 01010-81640 | Bolt | 2 | SN: 85001- KIT-FLAG: _- SCC: SERIALNO: 85001- |
|||
| ? | 01643-31645 | Washer | 2 | SN: 85001- KIT-FLAG: _- SCC: SERIALNO: 85001- |
|||
| ? | 206-70-55250 | Spacer, T=0.8mm | 2 | SN: 85001- KIT-FLAG: _- SCC: SERIALNO: 85001- |
|||
| ? | 206-70-55260 | Spacer, T=1.5mm | 4 | SN: 85001- KIT-FLAG: _- SCC: SERIALNO: 85001- |
|||
| ? | 205-70-65750 | Pin | 2 | SN: 85001- KIT-FLAG: _- SCC: SERIALNO: 85001- |
|||
| ? | 205-70-66580 | Plate | 2 | SN: 85001- KIT-FLAG: _- SCC: SERIALNO: 85001- |
|||
| ? | 01010-81235 | Bolt | 4 | SN: 85001- KIT-FLAG: _- SCC: SERIALNO: 85001- |
|||
| ? | 01643-31232 | Washer | 4 | SN: 85001- KIT-FLAG: _- SCC: SERIALNO: 85001- |
|||
| ? | 20Y-70-11350 | Spacer, T=0.8mm | 2 | SN: 85001- KIT-FLAG: _- SCC: SERIALNO: 85001- |
|||
| ? | 206-70-55290 | Spacer, T=1.5mm | 6 | SN: 85001- KIT-FLAG: _- SCC: SERIALNO: 85001- |