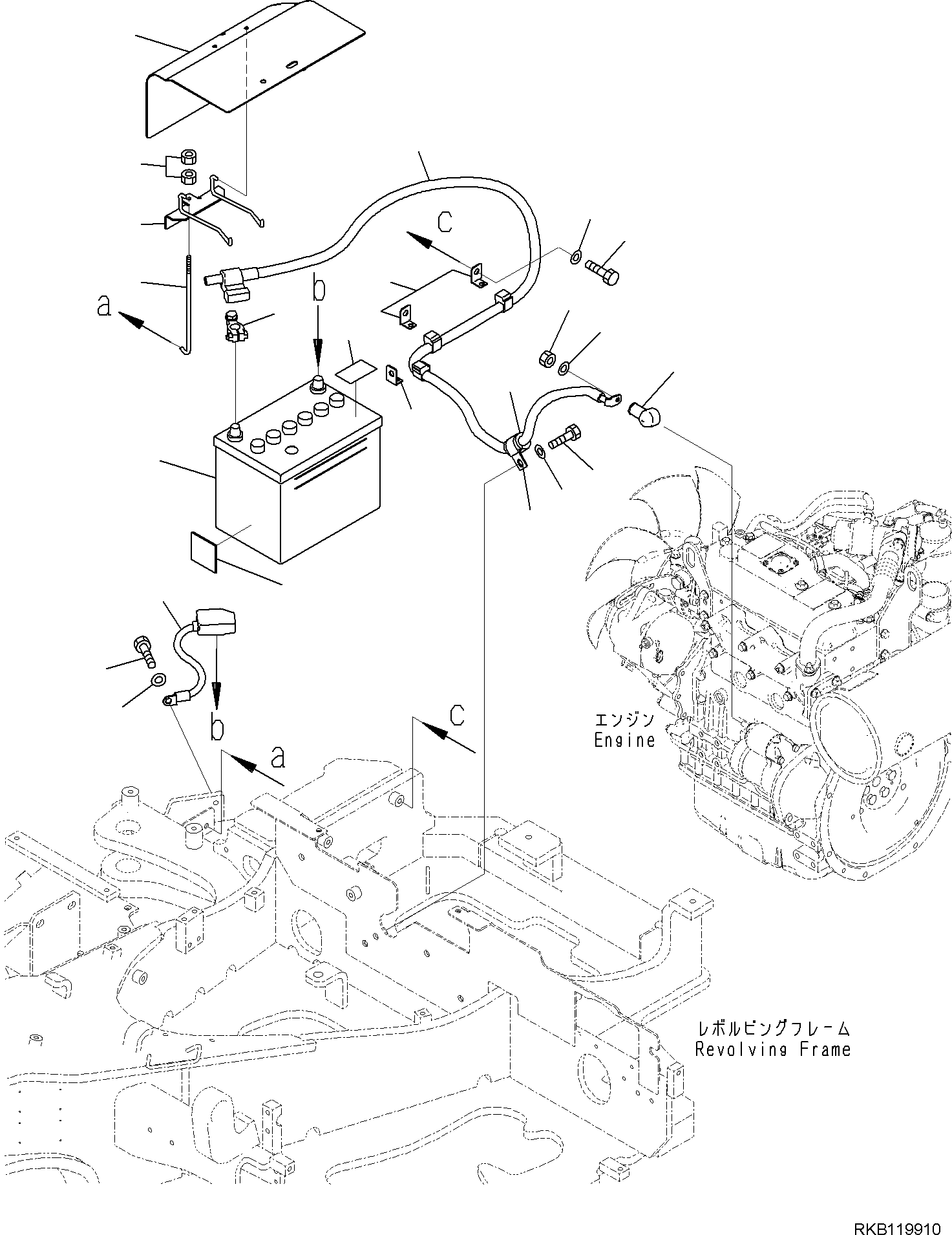
| Номер на схеме | Каталожный номер | Название | Количество | Детали | |||
|---|---|---|---|---|---|---|---|
| ? | 22L-06-21111 | BATTERY | 1 | SN: 31611- |
X | ||
| ? | 09664-60000 | • PLATE, SAFETY | 1 | SN: 31611- |
|||
| ? | 22F-06-51510 | HOLDER | 1 | SN: 31611- |
|||
| ? | 20N-06-78130 | ROD | 1 | SN: 31611- |
|||
| ? | 01580-10605 | NUT | 2 | SN: 31611- |
|||
| ? | 22F-06-51560 | SHEET | 1 | SN: 31611- |
|||
| ? | 08000-00020 | BATTERY TERMINAL (+) | 1 | SN: 31611- |
|||
| ? | 22F-06-51520 | CABLE | 1 | SN: 31611- |
|||
| ? | 08038-04030 | CAP | 1 | SN: 31611- |
|||
| ? | 01580-10806 | NUT | 1 | SN: 31611- |
|||
| ? | 01643-30823 | WASHER | 1 | SN: 31611- |
|||
| ? | 04434-52511 | CLAMP | 1 | SN: 31611- |
|||
| ? | 07095-40318 | CUSHION | 1 | SN: 31611- |
|||
| ? | 01010-81020 | BOLT | 1 | SN: 31611- |
|||
| ? | 01643-31032 | WASHER | 1 | SN: 31611- |
|||
| ? | 08057-12010 | CLIP | 3 | SN: 31611- |
|||
| ? | 01010-81020 | BOLT | 3 | SN: 31611- |
|||
| ? | 01643-31032 | WASHER | 3 | SN: 31611- |
|||
| ? | 22F-06-51540 | CABLE | 1 | SN: 31611- |
|||
| ? | 01010-81020 | BOLT | 1 | SN: 31611- |
|||
| ? | 01643-31032 | WASHER | 1 | SN: 31611- |
|||
| ? | 22F-04-11190 | CUSHION | 1 | SN: 31611- |