k-part
Номер на схеме Каталожный номер Название Количество Детали
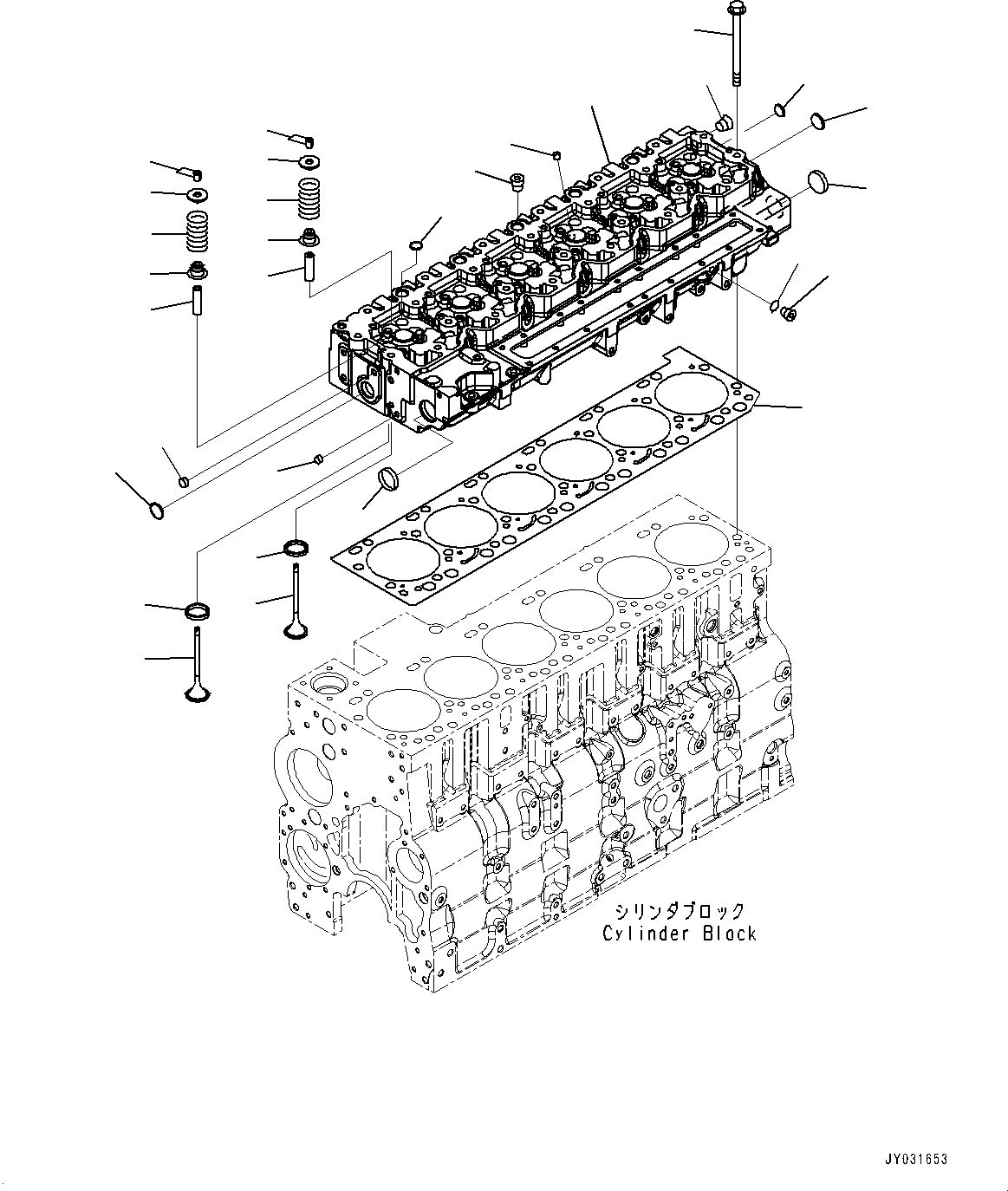
? 6745-11-1190 Cylinder Head Assembly 1
SN: 26866736-
KIT-FLAG: _-
SCC:
SERIALNO: 26866736-
? 6745-11-1123 • Head, Cylinder, Cylinder 1
SN: 26866736-
KIT-FLAG: _-
SCC:
SERIALNO: 26866736-
? 6742-01-2920 • • Plug 2
SN: 26866736-
KIT-FLAG: _-
SCC:
SERIALNO: 26866736-
? 6735-21-5531 • • Plug, Expansion 18
SN: 26866736-
KIT-FLAG: _-
SCC:
SERIALNO: 26866736-
? 6745-41-4210 • • Insert, Intake Valve 12
SN: 26866736-
KIT-FLAG: _-
SCC:
SERIALNO: 26866736-
? 6745-49-4130 • • Guide 24
SN: 26866736-
KIT-FLAG: _-
SCC:
SERIALNO: 26866736-
? 6744-41-4110 • • Plug 1
SN: 26866736-
KIT-FLAG: _-
SCC:
SERIALNO: 26866736-
? 6744-11-1070 • • Plug 2
SN: 26866736-
KIT-FLAG: _-
SCC:
SERIALNO: 26866736-
? 6744-41-4120 • • Plug 1
SN: 26866736-
KIT-FLAG: _-
SCC:
SERIALNO: 26866736-
? 6754-11-1160 • • Plug 6
SN: 26866736-
KIT-FLAG: _-
SCC:
SERIALNO: 26866736-
? 6745-41-4220 • • Insert, Exhaust Valve 12
SN: 26866736-
KIT-FLAG: _-
SCC:
SERIALNO: 26866736-
? • • Head 1
SN: 26870379-
KIT-FLAG: _-
SCC: C1
SERIALNO: 26870379-
? • • Head, Cylinder 1
SN: 26866736-26870378
KIT-FLAG: _-
SCC: C1
SERIALNO: 26866736-26870378
? 6732-11-1910 • Plug, Pipe 5
SN: 26866736-
KIT-FLAG: _-
SCC:
SERIALNO: 26866736-
? 6732-11-1920 • Plug 1
SN: 26866736-
KIT-FLAG: _-
SCC:
SERIALNO: 26866736-
? 6732-21-1960 • Plug Assembly 1
SN: 26866736-
KIT-FLAG: _-
SCC:
SERIALNO: 26866736-
? 6215-81-9510 • • Plug 1
SN: 26866736-
KIT-FLAG: _-
SCC:
SERIALNO: 26866736-
? 6735-21-1970 • • O-Ring 1
SN: 26866736-
KIT-FLAG: _-
SCC:
SERIALNO: 26866736-
? 6745-41-4161 Valve, Intake 12
SN: 26866736-
KIT-FLAG: _-
SCC:
SERIALNO: 26866736-
? 6745-41-4151 Valve, Exhaust 12
SN: 26866736-
KIT-FLAG: _-
SCC:
SERIALNO: 26866736-
? 6744-41-4080 Seal 24
SN: 26871609-
KIT-FLAG: S-
SCC:
SERIALNO: 26871609-
? 6746-41-4210 Seal 24
SN: 26866736-26871608
KIT-FLAG: _-
SCC: A1
SERIALNO: 26866736-26871608
? 6745-41-4110 Spring 24
SN: 26872423-
KIT-FLAG: _-
SCC:
SERIALNO: 26872423-
? 6744-41-4033 Spring 24
SN: 26868633-26872422
KIT-FLAG: _-
SCC: A3
SERIALNO: 26868633-26872422
? 6744-41-4032 Spring 24
SN: 26868369-26868632
KIT-FLAG: _-
SCC:
SERIALNO: 26868369-26868632
? 6744-41-4031 Spring 24
SN: 26866736-26868368
KIT-FLAG: _-
SCC: A1
SERIALNO: 26866736-26868368
? 6744-41-4050 Retainer 24
SN: 26866736-
KIT-FLAG: _-
SCC:
SERIALNO: 26866736-
? 6732-41-4520 Collet 48
SN: 26866736-
KIT-FLAG: _-
SCC:
SERIALNO: 26866736-
? 6743-11-1610 Bolt 26
SN: 26866736-
KIT-FLAG: _-
SCC:
SERIALNO: 26866736-
? 6745-11-1811 Gasket 1
SN: 26866736-
KIT-FLAG: S-
SCC:
SERIALNO: 26866736-

Engines Komatsu / SAA6D114E-3F S/N 26866736-UP (For PC300-8M0/PC350LC-8M0)(PC00038U) / Cylinder Head(A003001 : A1009-001001)
?
?
?
?
?
?
?
?
?
?
?
?
?
?
?
?
?
?
?
?
?
?
?
?
?
?
?
?
?
?