k-part
Номер на схеме Каталожный номер Название Количество Детали
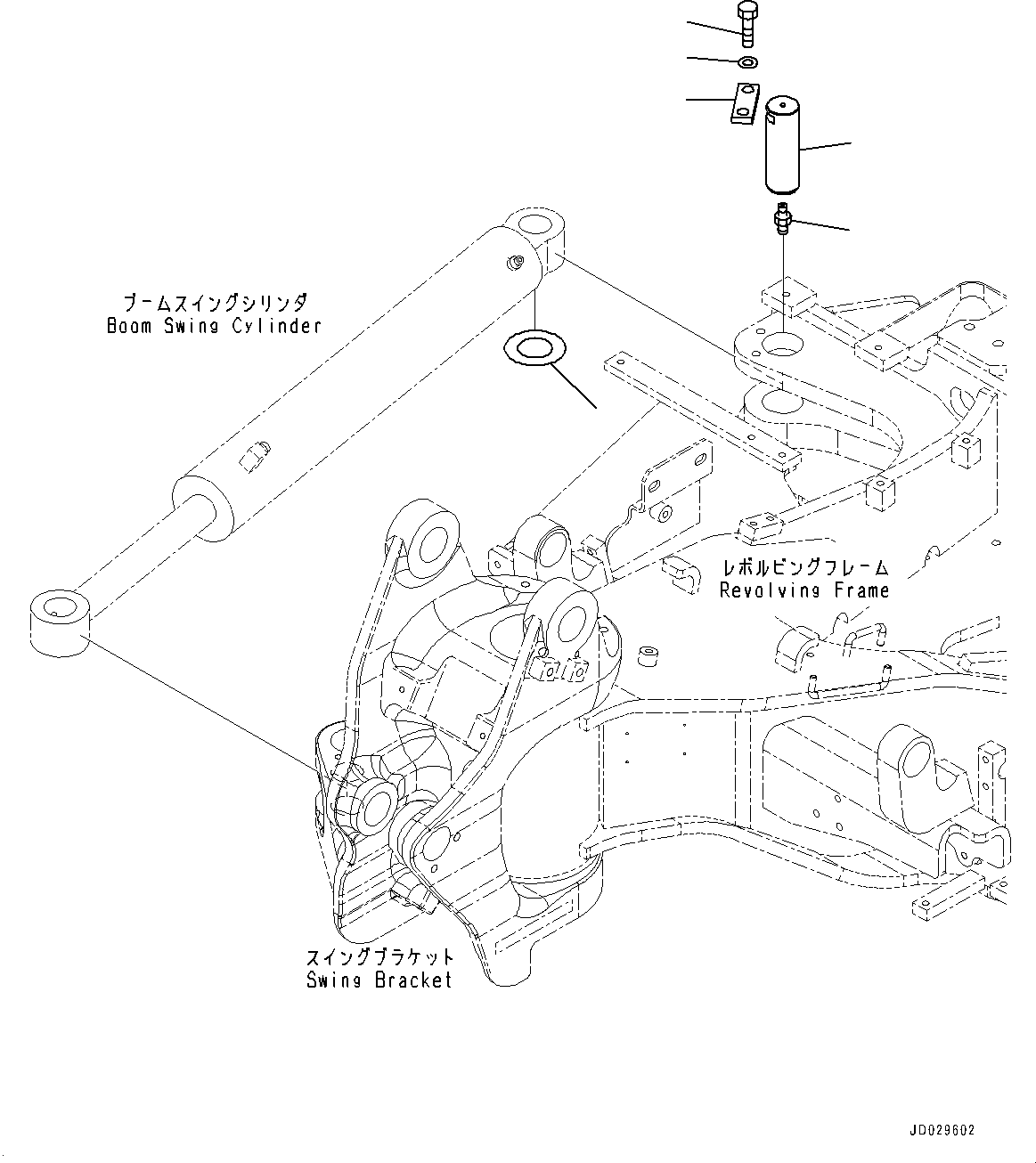
? 22F-70-21482 Pin 1
SN: 16595-
KIT-FLAG: _-
SCC:
SERIALNO: 16595-
? 07020-00000 Fitting, Grease 1
SN: 16595-
KIT-FLAG: _-
SCC:
SERIALNO: 16595-
? 04082-00212 Lock 1
SN: 16595-
KIT-FLAG: _-
SCC:
SERIALNO: 16595-
? 01010-81230 Bolt 2
SN: 16595-
KIT-FLAG: _-
SCC:
SERIALNO: 16595-
? 01643-31232 Washer 2
SN: 16595-
KIT-FLAG: _-
SCC:
SERIALNO: 16595-
? 20T-70-81760 Spacer, T=0.5mm 1
SN: 16595-
KIT-FLAG: _-
SCC:
SERIALNO: 16595-
? 20T-70-81730 Spacer, T=1.0mm 1
SN: 16595-
KIT-FLAG: _-
SCC:
SERIALNO: 16595-

Excavators Komatsu / PC35MR-3 S/N 16595-UP(0000460c) / Boom Swing Cylinder, Mounting (#16595-)(J007002 : J1220-001002)
?
?
?
?
?
?