| Номер на схеме | Каталожный номер | Название | Количество | Детали | |||
|---|---|---|---|---|---|---|---|
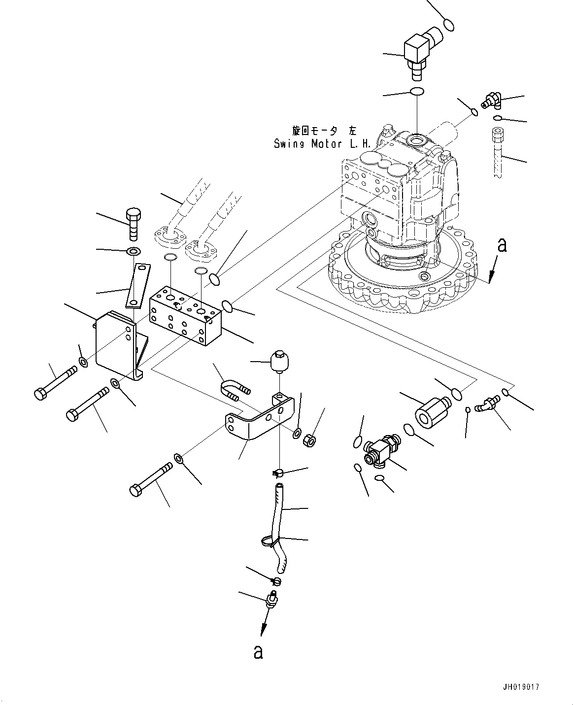
| ? | 20Y-62-21421 | Block | 1 | SN: 80013- KIT-FLAG: _- SCC: SERIALNO: 80013- |
|||
| ? | 07000-13030 | O-Ring | 2 | SN: 80013- KIT-FLAG: _- SCC: SERIALNO: 80013- |
|||
| ? | 21M-26-51110 | Bracket | 1 | SN: 80013- KIT-FLAG: _- SCC: SERIALNO: 80013- |
|||
| ? | 207-977-5120 | Bracket | 1 | SN: 80013- KIT-FLAG: _- SCC: SERIALNO: 80013- |
|||
| ? | 01010-81230 | Bolt | 1 | SN: 80013- KIT-FLAG: _- SCC: SERIALNO: 80013- |
|||
| ? | 01643-31232 | Washer | 1 | SN: 80013- KIT-FLAG: _- SCC: SERIALNO: 80013- |
|||
| ? | 01010-81085 | Bolt | 4 | SN: 80013- KIT-FLAG: _- SCC: SERIALNO: 80013- |
|||
| ? | 01643-31032 | Washer | 4 | SN: 80013- KIT-FLAG: _- SCC: SERIALNO: 80013- |
|||
| ? | 01010-81075 | Bolt | 4 | SN: 80013- KIT-FLAG: _- SCC: SERIALNO: 80013- |
|||
| ? | 01643-31032 | Washer | 4 | SN: 80013- KIT-FLAG: _- SCC: SERIALNO: 80013- |
|||
| ? | 11Y-62-12450 | Tee | 1 | SN: 80013- KIT-FLAG: _- SCC: SERIALNO: 80013- |
|||
| ? | 07002-12434 | O-Ring | 1 | SN: 80013- KIT-FLAG: _- SCC: SERIALNO: 80013- |
|||
| ? | 02896-11015 | O-Ring | 3 | SN: 80013- KIT-FLAG: _- SCC: SERIALNO: 80013- |
|||
| ? | 201-62-71810 | Joint | 1 | SN: 80013- KIT-FLAG: _- SCC: SERIALNO: 80013- |
|||
| ? | 07002-12434 | O-Ring | 1 | SN: 80013- KIT-FLAG: _- SCC: SERIALNO: 80013- |
|||
| ? | 207-62-72131 | Elbow | 1 | SN: 80013- KIT-FLAG: _- SCC: SERIALNO: 80013- |
|||
| ? | 07002-12434 | O-Ring | 1 | SN: 80013- KIT-FLAG: _- SCC: SERIALNO: 80013- |
|||
| ? | 207-62-64740 | O-Ring | 1 | SN: 80013- KIT-FLAG: _- SCC: SERIALNO: 80013- |
|||
| ? | 02782-10311 | Elbow | 1 | SN: 80013- KIT-FLAG: _- SCC: SERIALNO: 80013- |
|||
| ? | 07002-11423 | O-Ring | 1 | SN: 80013- KIT-FLAG: _- SCC: SERIALNO: 80013- |
|||
| ? | 02896-11009 | O-Ring | 1 | SN: 80013- KIT-FLAG: _- SCC: SERIALNO: 80013- |
|||
| ? | 21M-26-21190 | Bracket | 1 | SN: 80013- KIT-FLAG: _- SCC: SERIALNO: 80013- |
|||
| ? | 07283-22738 | Clip | 1 | SN: 80013- KIT-FLAG: _- SCC: SERIALNO: 80013- |
|||
| ? | 01643-31032 | Washer | 2 | SN: 80013- KIT-FLAG: _- SCC: SERIALNO: 80013- |
|||
| ? | 01597-01009 | Nut | 2 | SN: 80013- KIT-FLAG: _- SCC: SERIALNO: 80013- |
|||
| ? | 07030-00252 | Breather | 1 | SN: 80013- KIT-FLAG: _- SCC: SERIALNO: 80013- |
|||
| ? | 07286-01025 | Hose | 1 | SN: 80013- KIT-FLAG: _- SCC: SERIALNO: 80013- |
|||
| ? | 07285-00130 | Clip | 2 | SN: 80013- KIT-FLAG: _- SCC: SERIALNO: 80013- |
|||
| ? | 08034-40521 | Band | 1 | SN: 80013- KIT-FLAG: _- SCC: SERIALNO: 80013- |
|||
| ? | 6138-55-7610 | Nipple | 1 | SN: 80013- KIT-FLAG: _- SCC: SERIALNO: 80013- |
|||
| ? | 02782-10311 | Elbow | 1 | SN: 80013- KIT-FLAG: _- SCC: SERIALNO: 80013- |
|||
| ? | 07002-11423 | O-Ring | 1 | SN: 80013- KIT-FLAG: _- SCC: SERIALNO: 80013- |
|||
| ? | 02896-11009 | O-Ring | 1 | SN: 80013- KIT-FLAG: _- SCC: SERIALNO: 80013- |
|||
| ? | (02775-003A4) | Hose | KIT-FLAG: _- SCC: SERIALNO: - |
H1831-001007 | |||
| ? | (07097-00607) | Hose, Flange Type | KIT-FLAG: _- SCC: SERIALNO: - |
H1340-001001 |