| Номер на схеме | Каталожный номер | Название | Количество | Детали | |||
|---|---|---|---|---|---|---|---|
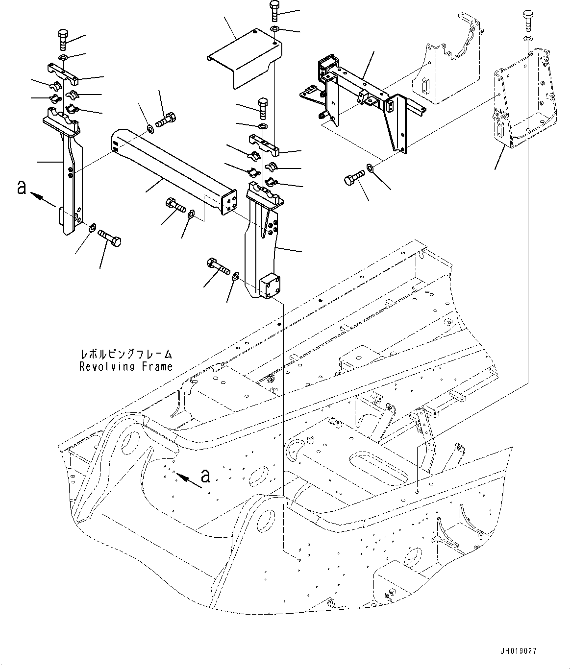
| ? | 21M-62-51980 | Bracket | 1 | SN: 80013- KIT-FLAG: _- SCC: SERIALNO: 80013- |
|||
| ? | 01010-81235 | Bolt | 4 | SN: 80013- KIT-FLAG: _- SCC: SERIALNO: 80013- |
|||
| ? | 01643-31232 | Washer | 4 | SN: 80013- KIT-FLAG: _- SCC: SERIALNO: 80013- |
|||
| ? | 21M-62-31980 | Bracket | 1 | SN: 80013- KIT-FLAG: _- SCC: SERIALNO: 80013- |
|||
| ? | 205-62-54622 | • Seat | 1 | SN: 80013- KIT-FLAG: _- SCC: SERIALNO: 80013- |
|||
| ? | 209-62-58520 | • Seat | 1 | SN: 80013- KIT-FLAG: _- SCC: SERIALNO: 80013- |
|||
| ? | 01011-81620 | Bolt | 4 | SN: 80013- KIT-FLAG: _- SCC: SERIALNO: 80013- |
|||
| ? | 01643-31645 | Washer | 4 | SN: 80013- KIT-FLAG: _- SCC: SERIALNO: 80013- |
|||
| ? | 21M-62-51950 | Bracket | 1 | SN: 80013- KIT-FLAG: _- SCC: SERIALNO: 80013- |
|||
| ? | 205-62-54622 | • Seat | 1 | SN: 80013- KIT-FLAG: _- SCC: SERIALNO: 80013- |
|||
| ? | 209-62-58520 | • Seat | 1 | SN: 80013- KIT-FLAG: _- SCC: SERIALNO: 80013- |
|||
| ? | 01011-81620 | Bolt | 4 | SN: 80013- KIT-FLAG: _- SCC: SERIALNO: 80013- |
|||
| ? | 01643-31645 | Washer | 4 | SN: 80013- KIT-FLAG: _- SCC: SERIALNO: 80013- |
|||
| ? | 21M-62-31491 | Bracket | 1 | SN: 80013- KIT-FLAG: _- SCC: SERIALNO: 80013- |
|||
| ? | 01010-81240 | Bolt | 4 | SN: 80013- KIT-FLAG: _- SCC: SERIALNO: 80013- |
|||
| ? | 01643-31232 | Washer | 4 | SN: 80013- KIT-FLAG: _- SCC: SERIALNO: 80013- |
|||
| ? | 01010-81240 | Bolt | 2 | SN: 80013- KIT-FLAG: _- SCC: SERIALNO: 80013- |
|||
| ? | 175-54-34170 | Washer | 2 | SN: 80013- KIT-FLAG: _- SCC: SERIALNO: 80013- |
|||
| ? | 21M-62-31510 | Clamp | 1 | SN: 80013- KIT-FLAG: _- SCC: SERIALNO: 80013- |
|||
| ? | 205-62-54622 | • Seat | 1 | SN: 80013- KIT-FLAG: _- SCC: SERIALNO: 80013- |
|||
| ? | 209-62-58520 | • Seat | 1 | SN: 80013- KIT-FLAG: _- SCC: SERIALNO: 80013- |
|||
| ? | 01010-81260 | Bolt | 3 | SN: 80013- KIT-FLAG: _- SCC: SERIALNO: 80013- |
|||
| ? | 01643-31232 | Washer | 3 | SN: 80013- KIT-FLAG: _- SCC: SERIALNO: 80013- |
|||
| ? | 21M-62-51960 | Clamp | 1 | SN: 80013- KIT-FLAG: _- SCC: SERIALNO: 80013- |
|||
| ? | 205-62-54622 | • Seat | 1 | SN: 80013- KIT-FLAG: _- SCC: SERIALNO: 80013- |
|||
| ? | 209-62-58520 | • Seat | 1 | SN: 80013- KIT-FLAG: _- SCC: SERIALNO: 80013- |
|||
| ? | 01010-81260 | Bolt | 2 | SN: 80013- KIT-FLAG: _- SCC: SERIALNO: 80013- |
|||
| ? | 01643-31232 | Washer | 2 | SN: 80013- KIT-FLAG: _- SCC: SERIALNO: 80013- |
|||
| ? | 21M-62-51970 | Cover | 1 | SN: 80013- KIT-FLAG: _- SCC: SERIALNO: 80013- |
|||
| ? | 01010-81250 | Bolt | 2 | SN: 80013- KIT-FLAG: _- SCC: SERIALNO: 80013- |
|||
| ? | 01643-31232 | Washer | 2 | SN: 80013- KIT-FLAG: _- SCC: SERIALNO: 80013- |
|||
| ? | (21M-62-51710) | Bracket | KIT-FLAG: _- SCC: SERIALNO: - |
H0120-001012 |