| Номер на схеме | Каталожный номер | Название | Количество | Детали | |||
|---|---|---|---|---|---|---|---|
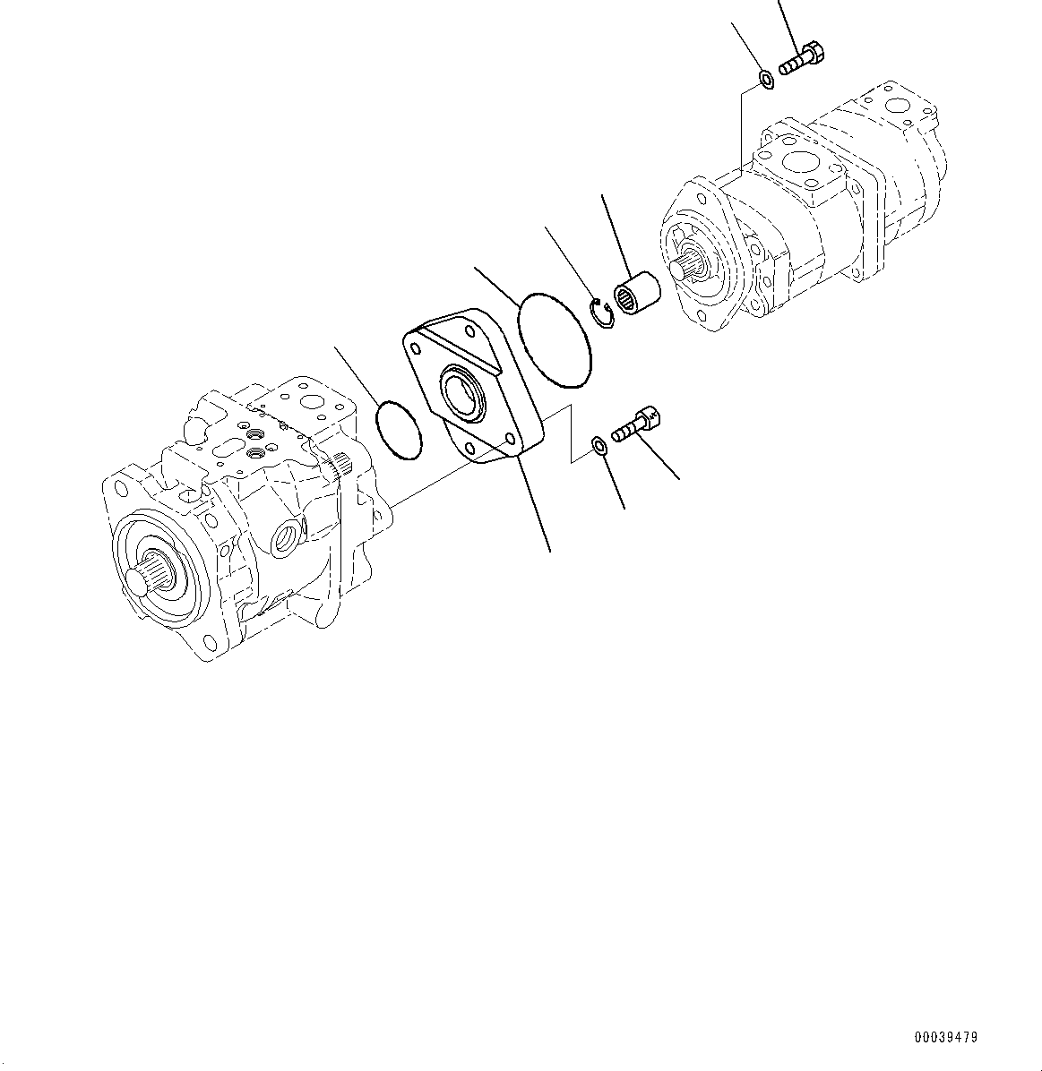
| ? | 708-1U-00260 | Pump Assembly | 1 | SN: 80013- KIT-FLAG: _- SCC: SERIALNO: 80013- |
|||
| ? | 708-1U-19120 | • Plate | 1 | SN: 80013- KIT-FLAG: _- SCC: SERIALNO: 80013- |
|||
| ? | 01252-61235 | • Bolt, Hexagon Socket Head | 2 | SN: 80013- KIT-FLAG: _- SCC: SERIALNO: 80013- |
|||
| ? | 01643-31232 | • Washer | 4 | SN: 80013- KIT-FLAG: _- SCC: SERIALNO: 80013- |
|||
| ? | 07372-21235 | • Bolt | 2 | SN: 80013- KIT-FLAG: _- SCC: SERIALNO: 80013- |
|||
| ? | 708-1W-28150 | • Coupling | 1 | SN: 80013- KIT-FLAG: _- SCC: SERIALNO: 80013- |
|||
| ? | 04065-02012 | • Ring, Snap | 1 | SN: 80013- KIT-FLAG: _- SCC: SERIALNO: 80013- |
|||
| ? | 07000-B2060 | • O-Ring | 1 | SN: 80013- KIT-FLAG: _- SCC: SERIALNO: 80013- |
|||
| ? | 07000-B2100 | • O-Ring | 1 | SN: 80013- KIT-FLAG: _- SCC: SERIALNO: 80013- |