| Номер на схеме | Каталожный номер | Название | Количество | Детали | |||
|---|---|---|---|---|---|---|---|
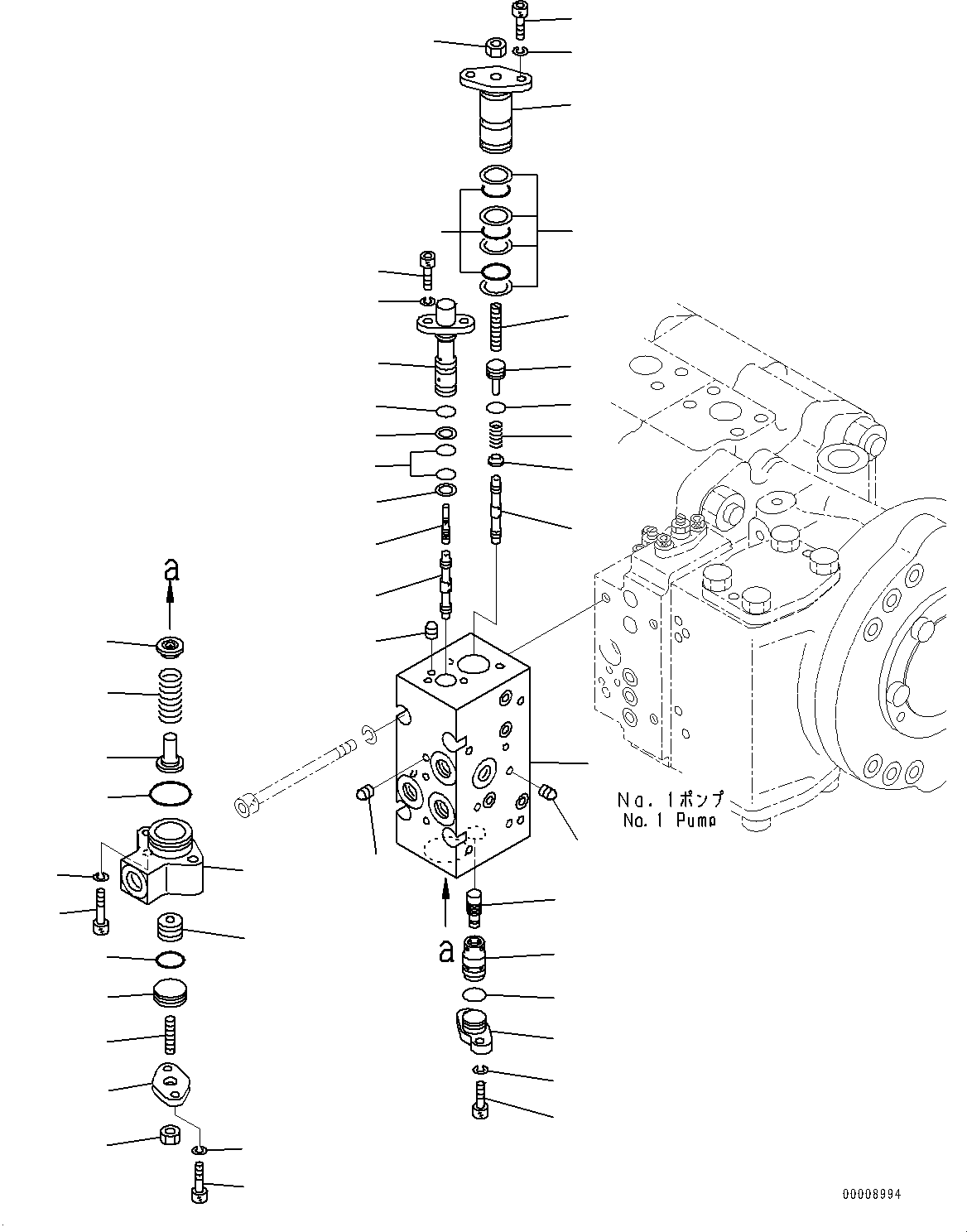
| ? | 708-2L-02011 | Pump Assembly | 1 | SN: 80013- KIT-FLAG: _- SCC: SERIALNO: 80013- |
|||
| ? | 708-25-85271 | • Valve Assembly, Servo, Rear | 1 | SN: 80013- KIT-FLAG: _- SCC: SERIALNO: 80013- |
|||
| ? | 708-25-09681 | • • Valve Assembly, NC and Cut-off | 1 | SN: 80013- KIT-FLAG: _- SCC: SERIALNO: 80013- |
|||
| ? | (708-23-00441) | • • • Body Assembly | 1 | SN: 80013- KIT-FLAG: _- SCC: C2 SERIALNO: 80013- |
|||
| ? | • • • • Body | 1 | SN: 80013- KIT-FLAG: _- SCC: C1 SERIALNO: 80013- |
||||
| ? | • • • • Expander | 15 | SN: 80013- KIT-FLAG: _- SCC: C1 SERIALNO: 80013- |
||||
| ? | (708-25-17460) | • • • Plug | 1 | SN: 80013- KIT-FLAG: _- SCC: C2 SERIALNO: 80013- |
|||
| ? | (708-25-17430) | • • • Screw | 1 | SN: 80013- KIT-FLAG: _- SCC: C2 SERIALNO: 80013- |
|||
| ? | (07000-B2010) | • • • O-Ring | 1 | SN: 80013- KIT-FLAG: _- SCC: C2 SERIALNO: 80013- |
|||
| ? | (708-25-17131) | • • • Cover | 1 | SN: 80013- KIT-FLAG: _- SCC: C2 SERIALNO: 80013- |
|||
| ? | (01580-10806) | • • • Nut | 1 | SN: 80013- KIT-FLAG: _- SCC: C2 SERIALNO: 80013- |
|||
| ? | (708-25-17141) | • • • Spool | 2 | SN: 80013- KIT-FLAG: _- SCC: C2 SERIALNO: 80013- |
|||
| ? | (708-25-17150) | • • • Sleeve | 1 | SN: 80013- KIT-FLAG: _- SCC: C2 SERIALNO: 80013- |
|||
| ? | (708-25-17160) | • • • Piston | 1 | SN: 80013- KIT-FLAG: _- SCC: C2 SERIALNO: 80013- |
|||
| ? | (708-25-17170) | • • • Cover | 1 | SN: 80013- KIT-FLAG: _- SCC: C2 SERIALNO: 80013- |
|||
| ? | (07000-B2014) | • • • O-Ring | 1 | SN: 80013- KIT-FLAG: _- SCC: C2 SERIALNO: 80013- |
|||
| ? | (708-25-17180) | • • • Seat | 1 | SN: 80013- KIT-FLAG: _- SCC: C2 SERIALNO: 80013- |
|||
| ? | (708-25-17690) | • • • Spring | 1 | SN: 80013- KIT-FLAG: _- SCC: C2 SERIALNO: 80013- |
|||
| ? | (708-25-17220) | • • • Piston | 1 | SN: 80013- KIT-FLAG: _- SCC: C2 SERIALNO: 80013- |
|||
| ? | (708-25-17370) | • • • Seat | 1 | SN: 80013- KIT-FLAG: _- SCC: C2 SERIALNO: 80013- |
|||
| ? | (708-25-17250) | • • • Spring | 1 | SN: 80013- KIT-FLAG: _- SCC: C2 SERIALNO: 80013- |
|||
| ? | (708-25-17470) | • • • Seat | 1 | SN: 80013- KIT-FLAG: _- SCC: C2 SERIALNO: 80013- |
|||
| ? | (708-23-17290) | • • • Cover | 1 | SN: 80013- KIT-FLAG: _- SCC: C2 SERIALNO: 80013- |
|||
| ? | (07000-B3028) | • • • O-Ring | 1 | SN: 80013- KIT-FLAG: _- SCC: C2 SERIALNO: 80013- |
|||
| ? | (708-25-17380) | • • • Plug | 1 | SN: 80013- KIT-FLAG: _- SCC: C2 SERIALNO: 80013- |
|||
| ? | (708-25-15340) | • • • Screw | 1 | SN: 80013- KIT-FLAG: _- SCC: C2 SERIALNO: 80013- |
|||
| ? | (07000-B2021) | • • • O-Ring | 1 | SN: 80013- KIT-FLAG: _- SCC: C2 SERIALNO: 80013- |
|||
| ? | (708-23-17240) | • • • Cover | 1 | SN: 80013- KIT-FLAG: _- SCC: C2 SERIALNO: 80013- |
|||
| ? | (708-25-17480) | • • • Piston | 1 | SN: 80013- KIT-FLAG: _- SCC: C2 SERIALNO: 80013- |
|||
| ? | (01252-60630) | • • • Bolt, Hexagon Socket Head | 2 | SN: 80013- KIT-FLAG: _- SCC: C2 SERIALNO: 80013- |
|||
| ? | (01602-20619) | • • • Washer | 2 | SN: 80013- KIT-FLAG: _- SCC: C2 SERIALNO: 80013- |
|||
| ? | (01252-60616) | • • • Bolt, Hexagon Socket Head | 4 | SN: 80013- KIT-FLAG: _- SCC: C2 SERIALNO: 80013- |
|||
| ? | (01602-20619) | • • • Washer | 4 | SN: 80013- KIT-FLAG: _- SCC: C2 SERIALNO: 80013- |
|||
| ? | (01580-10806) | • • • Nut | 1 | SN: 80013- KIT-FLAG: _- SCC: C2 SERIALNO: 80013- |
|||
| ? | (07000-B2012) | • • • O-Ring | 2 | SN: 80013- KIT-FLAG: _- SCC: C2 SERIALNO: 80013- |
|||
| ? | (07001-02012) | • • • Ring, Back-up | 2 | SN: 80013- KIT-FLAG: _- SCC: C2 SERIALNO: 80013- |
|||
| ? | (708-25-17451) | • • • Sleeve | 1 | SN: 80013- KIT-FLAG: _- SCC: C2 SERIALNO: 80013- |
|||
| ? | (07000-B2012) | • • • O-Ring | 1 | SN: 80013- KIT-FLAG: _- SCC: C2 SERIALNO: 80013- |
|||
| ? | (01252-60616) | • • • Bolt, Hexagon Socket Head | 4 | SN: 80013- KIT-FLAG: _- SCC: C2 SERIALNO: 80013- |
|||
| ? | (01602-20619) | • • • Washer | 4 | SN: 80013- KIT-FLAG: _- SCC: C2 SERIALNO: 80013- |
|||
| ? | (07000-B2021) | • • • O-Ring | 3 | SN: 80013- KIT-FLAG: _- SCC: C2 SERIALNO: 80013- |
|||
| ? | (07001-02021) | • • • Ring, Back-up | 4 | SN: 80013- KIT-FLAG: _- SCC: C2 SERIALNO: 80013- |