| Номер на схеме | Каталожный номер | Название | Количество | Детали | |||
|---|---|---|---|---|---|---|---|
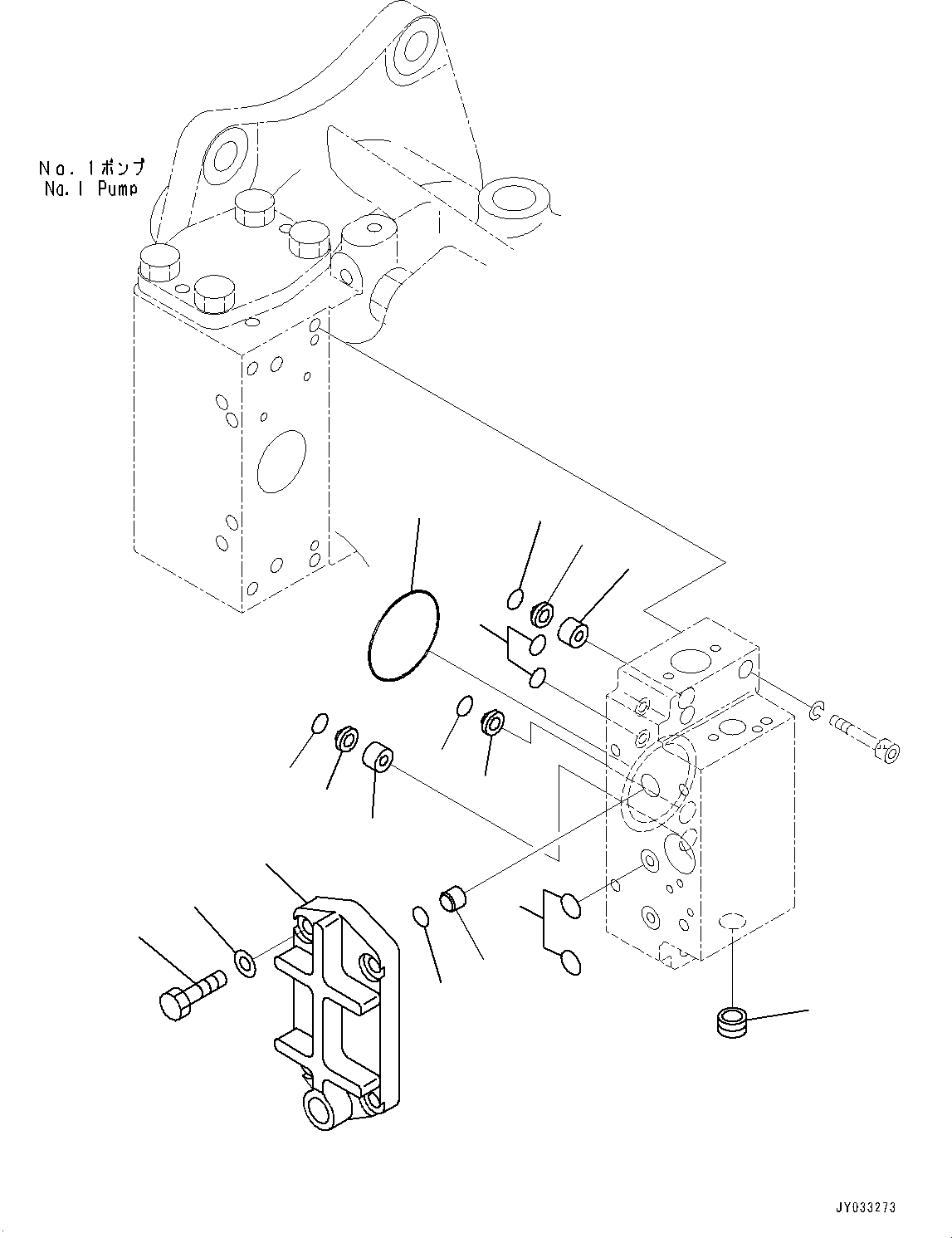
| ? | 708-2L-02011 | Pump Assembly | 1 | SN: 80013- KIT-FLAG: _- SCC: SERIALNO: 80013- |
|||
| ? | 708-25-08292 | • Valve Assembly, Servo, Front | 1 | SN: 80013- KIT-FLAG: _- SCC: SERIALNO: 80013- |
|||
| ? | 708-25-55110 | • • Plate | 1 | SN: 80013- KIT-FLAG: _- SCC: SERIALNO: 80013- |
|||
| ? | (708-25-19250) | • • Plug | 1 | SN: 80013- KIT-FLAG: _- SCC: C2 SERIALNO: 80013- |
|||
| ? | 708-2L-25490 | • • O-Ring | 2 | SN: 80013- KIT-FLAG: _- SCC: SERIALNO: 80013- |
|||
| ? | 07000-B2011 | • • O-Ring | 2 | SN: 80013- KIT-FLAG: _- SCC: SERIALNO: 80013- |
|||
| ? | 01010-80825 | • • Bolt | 4 | SN: 80013- KIT-FLAG: _- SCC: SERIALNO: 80013- |
|||
| ? | 01643-50823 | • • Washer | 4 | SN: 80013- KIT-FLAG: _- SCC: SERIALNO: 80013- |
|||
| ? | 708-25-19230 | • • Orifice | 2 | SN: 80013- KIT-FLAG: _- SCC: SERIALNO: 80013- |
|||
| ? | 708-2L-25480 | • • Filter | 3 | SN: 80013- KIT-FLAG: _- SCC: SERIALNO: 80013- |
|||
| ? | 708-2L-25490 | • • O-Ring | 2 | SN: 80013- KIT-FLAG: _- SCC: SERIALNO: 80013- |
|||
| ? | 07000-B1009 | • • O-Ring | 2 | SN: 80013- KIT-FLAG: _- SCC: SERIALNO: 80013- |
|||
| ? | 07000-B3048 | • • O-Ring | 1 | SN: 80013- KIT-FLAG: _- SCC: SERIALNO: 80013- |
|||
| ? | (708-25-15430) | • • Plug | 1 | SN: 80013- KIT-FLAG: _- SCC: C2 SERIALNO: 80013- |