| Номер на схеме | Каталожный номер | Название | Количество | Детали | |||
|---|---|---|---|---|---|---|---|
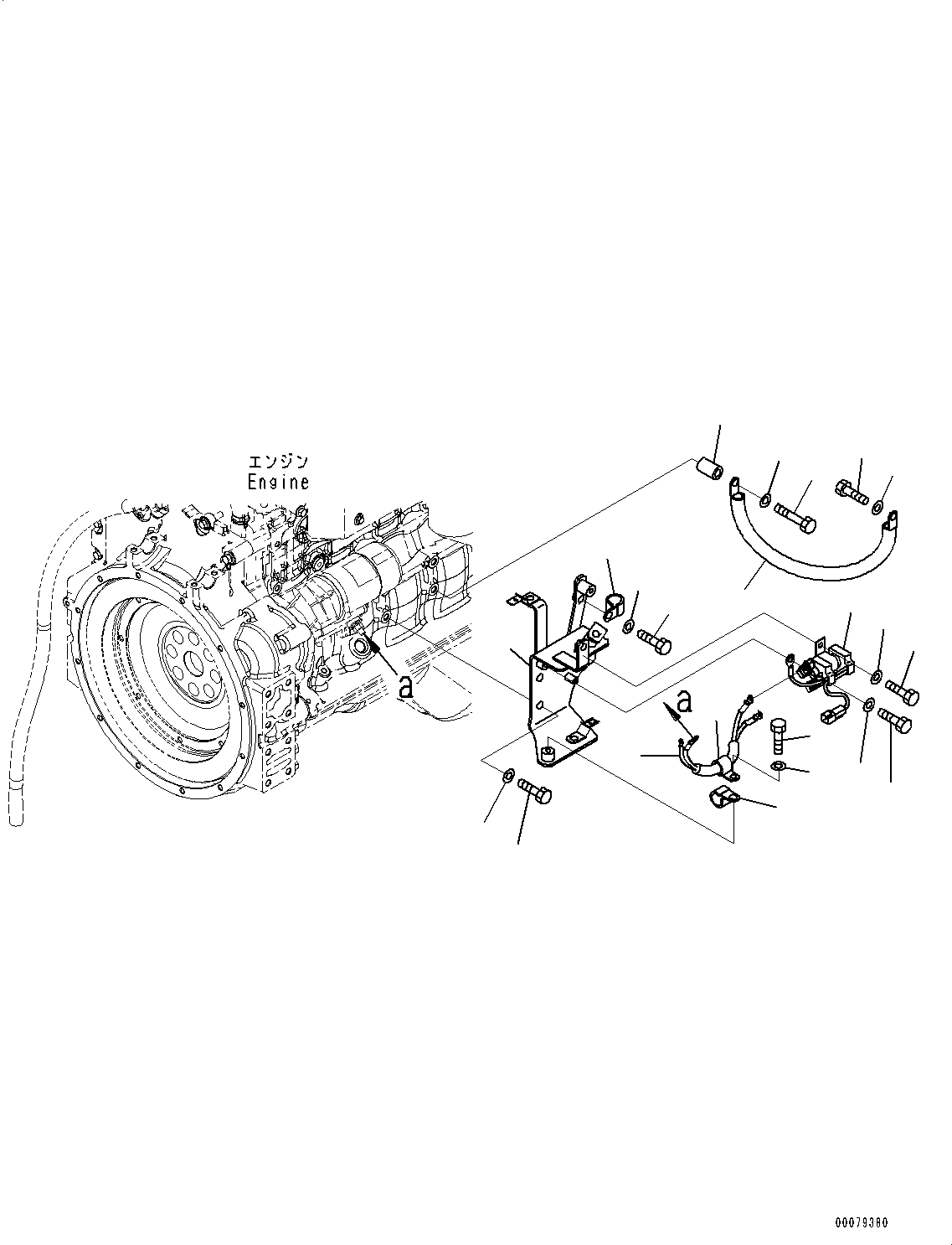
| ? | 418-06-42320 | Wire | 1 | SN: 75243- KIT-FLAG: _- SCC: SERIALNO: 75243- |
|||
| ? | 600-051-2200 | Clip | 1 | SN: 75243- KIT-FLAG: _- SCC: SERIALNO: 75243- |
|||
| ? | 600-051-2100 | Clip | 1 | SN: 75243- KIT-FLAG: _- SCC: SERIALNO: 75243- |
|||
| ? | 01010-81020 | Bolt | 1 | SN: 75243- KIT-FLAG: _- SCC: SERIALNO: 75243- |
|||
| ? | 01643-31032 | Washer | 1 | SN: 75243- KIT-FLAG: _- SCC: SERIALNO: 75243- |
|||
| ? | 418-06-42290 | Cable | 1 | SN: 75243- KIT-FLAG: _- SCC: SERIALNO: 75243- |
|||
| ? | 01010-81220 | Bolt | 1 | SN: 75243- KIT-FLAG: _- SCC: SERIALNO: 75243- |
|||
| ? | 01643-31232 | Washer | 1 | SN: 75243- KIT-FLAG: _- SCC: SERIALNO: 75243- |
|||
| ? | 205-03-71330 | Collar | 1 | SN: 75243- KIT-FLAG: _- SCC: SERIALNO: 75243- |
|||
| ? | 01010-81260 | Bolt | 1 | SN: 75243- KIT-FLAG: _- SCC: SERIALNO: 75243- |
|||
| ? | 01643-31232 | Washer | 1 | SN: 75243- KIT-FLAG: _- SCC: SERIALNO: 75243- |
|||
| ? | 11Y-06-11391 | Switch, Starter Relay | 1 | SN: 75243- KIT-FLAG: _- SCC: SERIALNO: 75243- |
|||
| ? | 01010-80612 | Bolt | 2 | SN: 75243- KIT-FLAG: _- SCC: SERIALNO: 75243- |
|||
| ? | 01643-30623 | Washer | 2 | SN: 75243- KIT-FLAG: _- SCC: SERIALNO: 75243- |
|||
| ? | 418-Z91-4330 | Bracket | 1 | SN: 75243- KIT-FLAG: _- SCC: SERIALNO: 75243- |
|||
| ? | 01010-81225 | Bolt | 3 | SN: 75243- KIT-FLAG: _- SCC: SERIALNO: 75243- |
|||
| ? | 01643-31232 | Washer | 3 | SN: 75243- KIT-FLAG: _- SCC: SERIALNO: 75243- |
|||
| ? | 01010-80816 | Bolt | 1 | SN: 75243- KIT-FLAG: _- SCC: SERIALNO: 75243- |
|||
| ? | 01643-30823 | Washer | 1 | SN: 75243- KIT-FLAG: _- SCC: SERIALNO: 75243- |
|||
| ? | 600-051-3240 | Clip | 1 | SN: 75243- KIT-FLAG: _- SCC: SERIALNO: 75243- |
|||
| ? | 01010-81020 | Bolt | 1 | SN: 75243- KIT-FLAG: _- SCC: SERIALNO: 75243- |
|||
| ? | 01643-31032 | Washer | 1 | SN: 75243- KIT-FLAG: _- SCC: SERIALNO: 75243- |