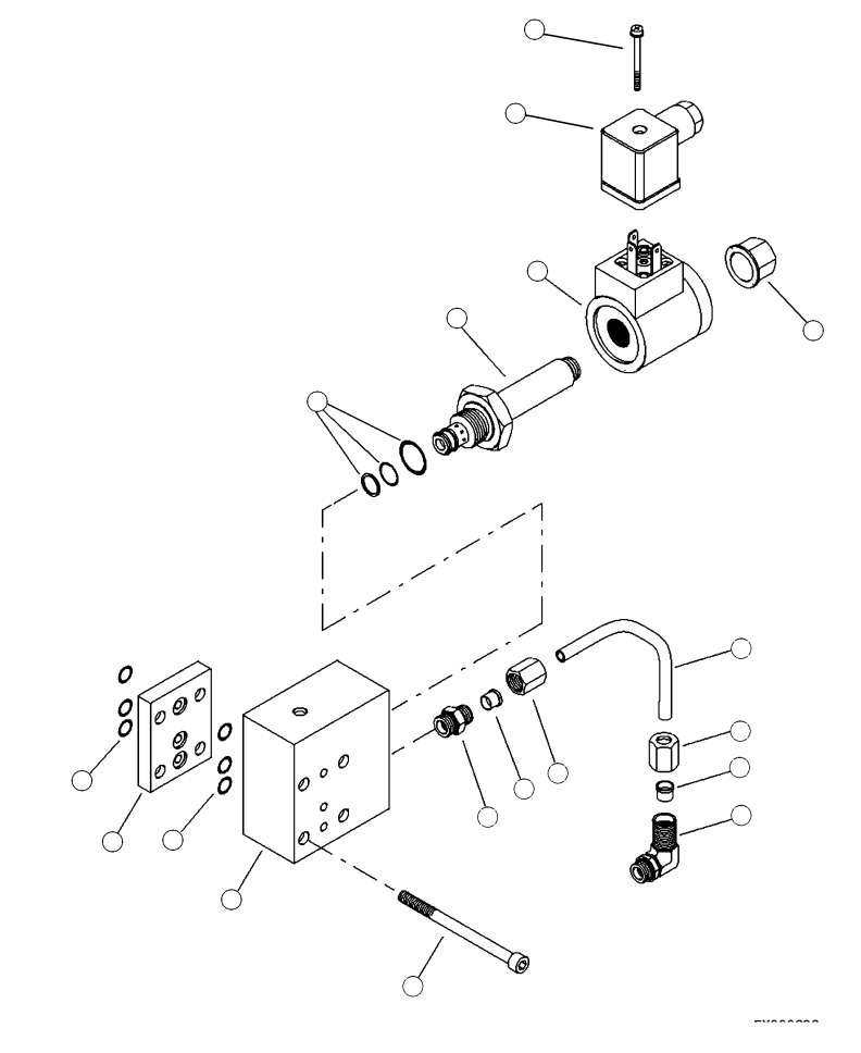
| Номер на схеме | Каталожный номер | Название | Количество | Детали | |||
|---|---|---|---|---|---|---|---|
| ? | 81767KF | COMPENSATOR, ELECTRIC DISC CONTROL | 1 | ||||
| ? | 27193 | • BLOCK | 1 | ||||
| ? | 27192 | • PLATE, BLOCK | 1 | ||||
| ? | 27200 | • O-RING | 6 | ||||
| ? | 81768KF | • CARTRIDGE, SOLENOID | 1 | ||||
| ? | (NSS) | • • CAP | 1 | ||||
| ? | 27410 | • REPAIR KIT, SEAL | 1 | ||||
| ? | 28311 | • COIL | 1 | ||||
| ? | 17145 | • CONNECTOR, ELECTRICAL | 1 | ||||
| ? | (NSS) | • • BOLT | 1 | ||||
| ? | 27198 | • CONNECTOR, TUBE | 1 | ||||
| ? | 22603 | • BOLT | 4 | ||||
| ? | 27196 | • FERRULE, TUBE | 2 | ||||
| ? | 27195 | • NUT, TUBE | 2 | ||||
| ? | 27197 | • TUBE, HYDRAULIC | 1 | ||||
| ? | 27194 | • ELBOW, 90 DEGREE TUBE | 1 |