k-part
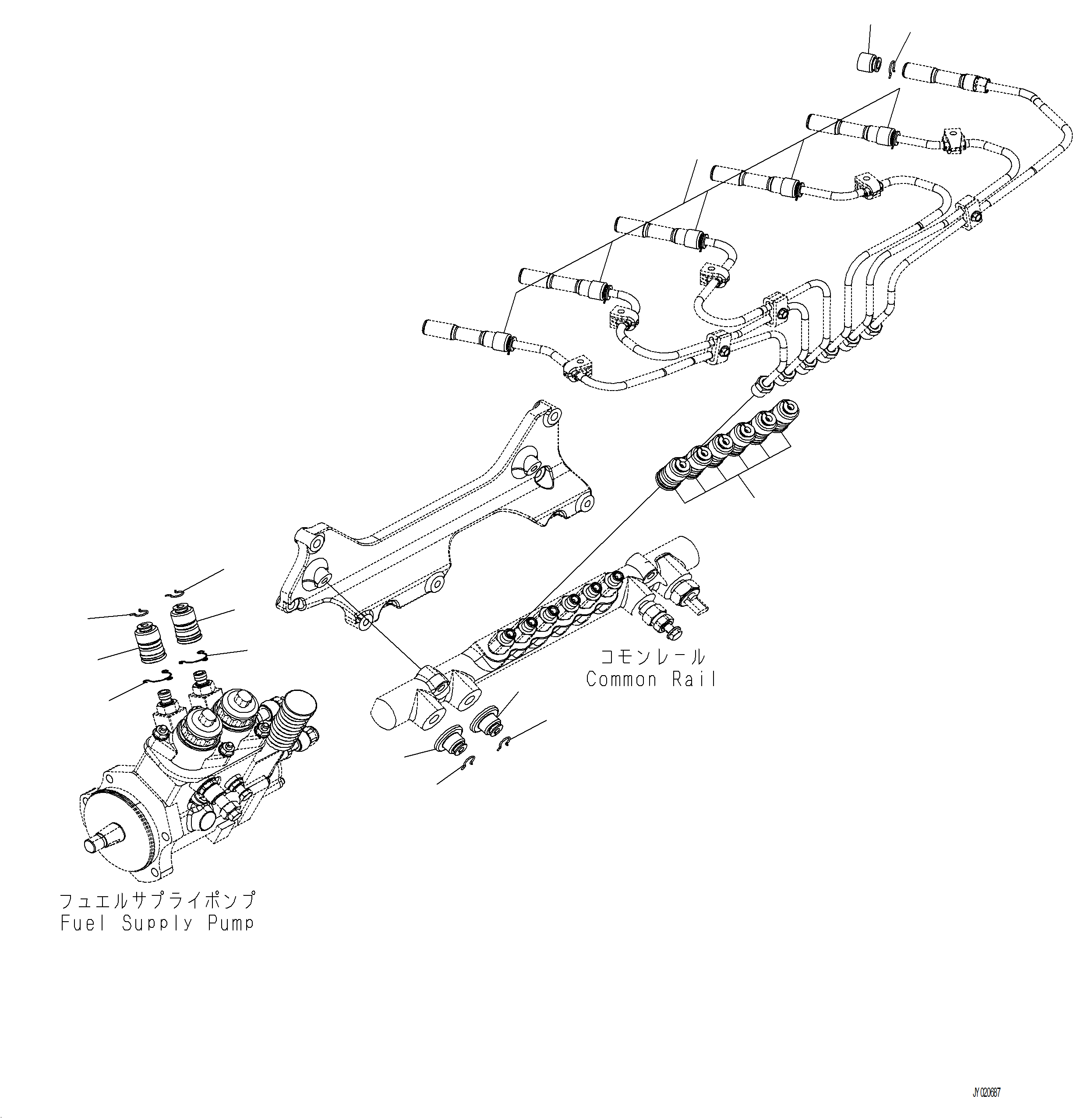
Номер на схеме Каталожный номер Название Количество Детали
? 6745-71-9710 COVER 2
? 6217-71-9791 COVER 8
? 6754-71-5750 CLIP 10
? 6156-71-9730 CLIP 2
? 6251-71-9710 COVER 6

Wheel Loaders Komatsu / WA480-8 SN A48001-UP(WA480-8) / A4030-001002 FUEL SUPPLY PUMP BRACKET AND PIPING COVER(A-130 : A4030-001002)
?
?
?
?
?
?
?
?
?
?
?
?
?
?