| Номер на схеме | Каталожный номер | Название | Количество | Детали | |||
|---|---|---|---|---|---|---|---|
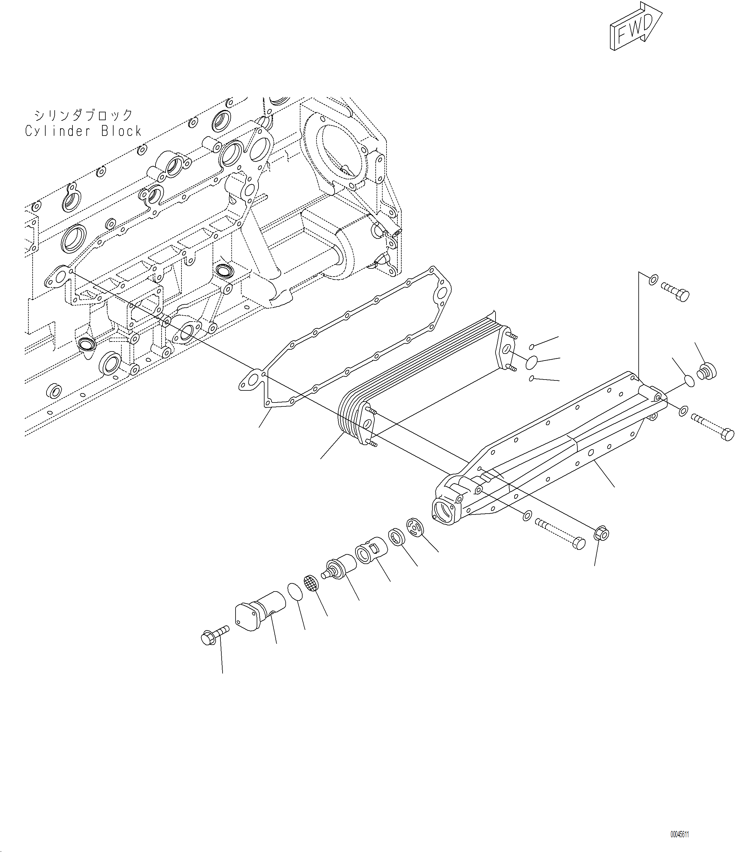
| ? | 6152-62-2210 | ELEMENT, OIL COOLER | 1 | ||||
| ? | 6150-61-2125 | COVER, OIL COOLER | 1 | ||||
| ? | 6150-61-2510 | O-RING | 2 | ||||
| ? | 6150-61-2520 | O-RING | 4 | ||||
| ? | 6150-61-2580 | NUT | 4 | ||||
| ? | 6150-61-2530 | PLUG | 1 | ||||
| ? | 6151-62-2130 | COVER | 1 | ||||
| ? | 07000-63042 | O-RING | 1 | ||||
| ? | 6251-61-2610 | THERMOSTAT | 1 | ||||
| ? | 6150-61-2540 | SEAL | 1 | ||||
| ? | 6150-61-2141 | CASE | 1 | ||||
| ? | 6150-61-2151 | PLATE | 1 | ||||
| ? | 6151-62-2180 | STRAINER | 1 | ||||
| ? | 01435-00825 | BOLT | 2 | ||||
| ? | 6150-61-2550 | O-RING | 1 | ||||
| ? | 6150-61-2815 | GASKET | 1 |