k-part
Номер на схеме Каталожный номер Название Количество Детали
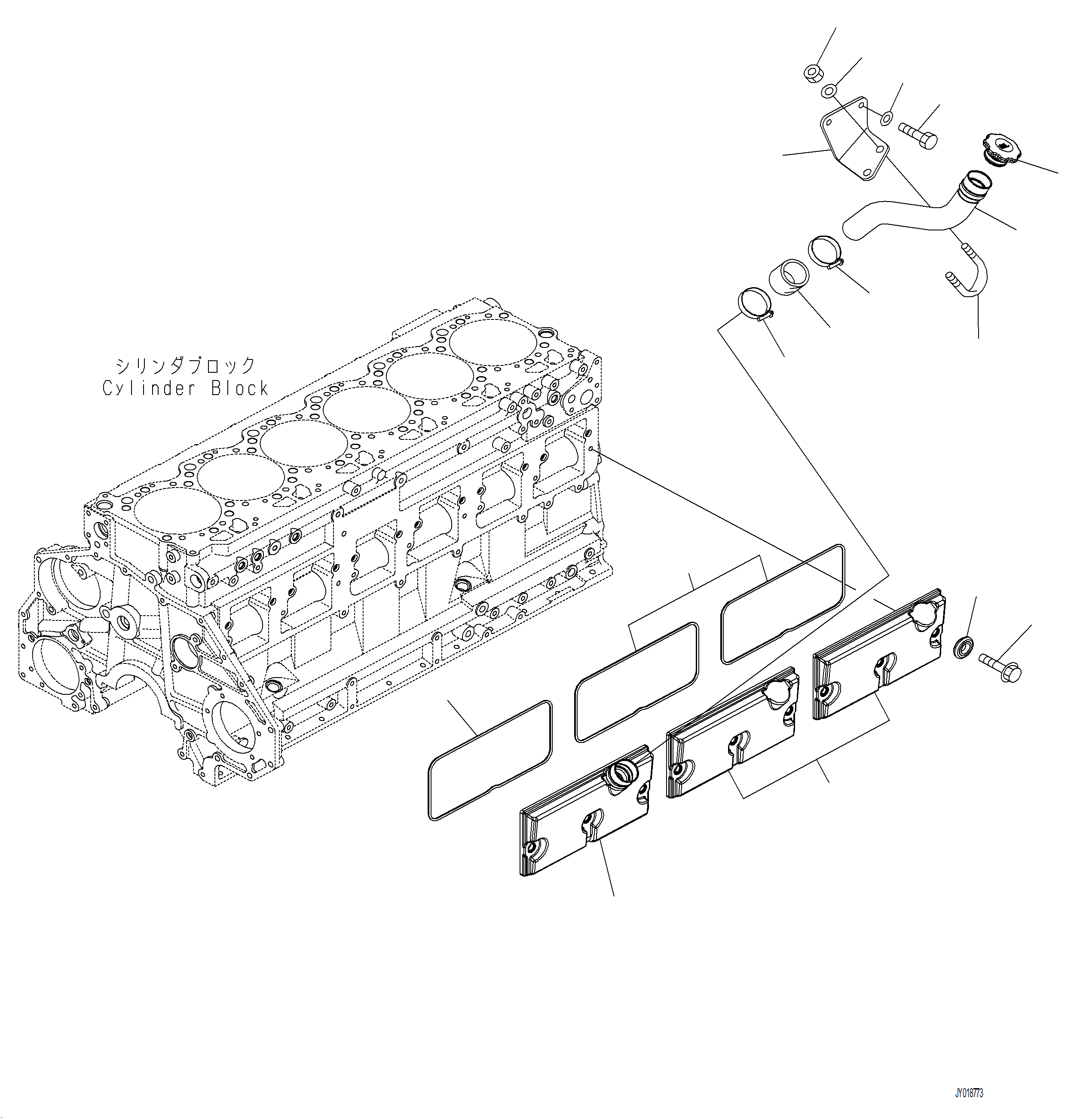
? 6251-21-6400 COVER ASSEMBLY 2
? 6150-22-6430 • COVER 1
? 6251-21-6450 • GASKET 1
? 6251-21-6800 COVER ASSEMBLY 1
? 6251-21-6500 • COVER ASSEMBLY 1
? (NSS) • • COVER 1
? 6150-21-6510 • • TUBE 1
? 6251-21-6450 • GASKET 1
? 6210-21-6471 BOLT 9
? 6150-21-6391 PACKING 9
? 6130-12-8610 CAP 1
? 6252-21-7120 FILLER 1
? 6150-21-6530 HOSE 1
? 07281-00609 CLAMP 2
? 6252-21-7110 BRACKET 1
? 01010-81025 BOLT 2
? 01643-31032 WASHER 2
? 07283-33442 CLIP, PIPE 1
? 01597-01009 NUT 2
? 01643-31032 WASHER 2

Wheel Loaders Komatsu / WA480-8 SN A48001-UP(WA480-8) / A2060-001001 CAM FOLLOWER COVER AND OIL FILLER(A-090 : A2060-001001)
?
?
?
?
?
?
?
?
?
?
?
?
?
?
?
?
?