k-part
Номер на схеме Каталожный номер Название Количество Детали
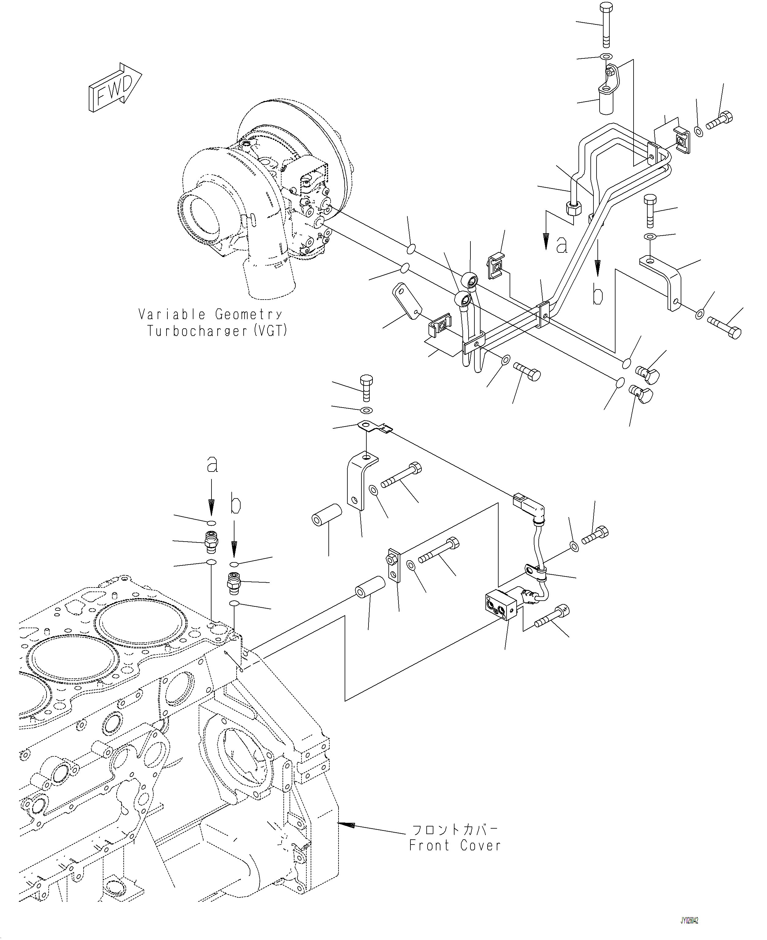
? 02781-0031D UNION 1
? 07002-21423 O-RING 1
? 6252-51-8220 TUBE 1
? 02896-21009 O-RING 1
? 02896-21015 O-RING 2
? 6252-51-8171 PLUG 1
? 02781-0031D UNION 1
? 07002-21423 O-RING 1
? 6252-51-8230 TUBE 1
? 02896-21009 O-RING 1
? 02896-21015 O-RING 2
? 6252-51-8171 PLUG 1
? 6252-51-8240 BRACKET 1
? 01010-81080 BOLT 1
? 01643-31032 WASHER 1
? 6253-21-6180 BRACKET 1
? 6252-11-5550 BOLT 1
? 01643-31032 WASHER 1
? 6252-81-8140 PLATE 1
? 6166-75-6821 CLAMP 4
? 01010-80835 BOLT 2
? 01643-30823 WASHER 2
? 6166-75-6821 CLAMP 1
? 6261-51-9481 CLAMP 1
? 01010-80845 BOLT 1
? 01643-30823 WASHER 1
? 702-21-62400 VALVE, PILOT 1
? 01252-60635 BOLT, HEXAGON SOCKET HEAD 2
? 6202-11-5920 BRACKET 1
? 6152-21-6590 SPACER 1
? 01010-81070 BOLT 1
? 01643-31032 WASHER 1
? 08193-20010 CLIP 1
? 01010-81025 BOLT 1
? 01643-31032 WASHER 1
? 6212-85-2440 BRACKET 1
? 6152-21-6590 SPACER 1
? 01010-81070 BOLT 1
? 01643-31032 WASHER 1
? 600-052-3080 CLIP 1
? 01010-81025 BOLT 1
? 01643-31032 WASHER 1

Wheel Loaders Komatsu / WA480-8 SN A48001-UP(WA480-8) / A1530-001004 VARIABLE GEOMETRY TURBOCHARGER (VGT) EPC PIPING(A-028 : A1530-001004)
?
?
?
?
?
?
?
?
?
?
?
?
?
?
?
?
?
?
?
?
?
?
?
?
?
?
?
?
?
?
?
?
?
?
?
?
?
?
?
?
?
?
?
?
?
?
?
?
?