k-part
Номер на схеме Каталожный номер Название Количество Детали
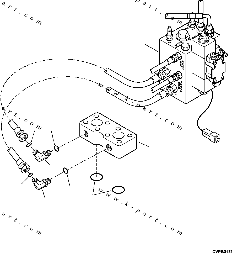
? MANIFOLD, VALVE ( SEE FIG. N1230-001005 )
? 20Y-62-A1490 • BLOCK 1
? 07000-13032 O-RING 2
? 02782-10315 ELBOW 2
? 07002-62034 O-RING 2
? 02896-61009 O-RING 2

Excavators Komatsu / PC240LL-10 SN A20601-UP(PC240LLE) / N1230-001003 SOFT SWING BLOCK MANIFOLD(N-024 : N1230-001003)
?
?
?
?
?
?
?
?
?