| Номер на схеме | Каталожный номер | Название | Количество | Детали | |||
|---|---|---|---|---|---|---|---|
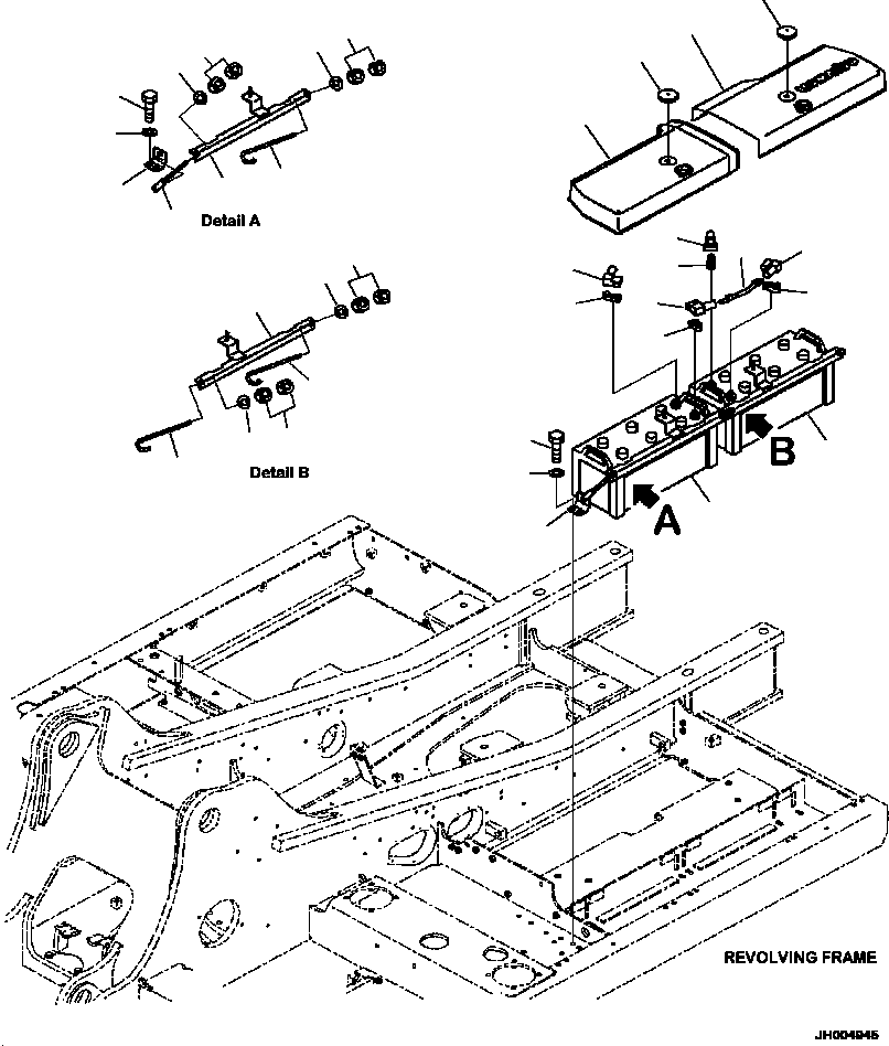
| ? | 2A5-06-A1010 | BATTERY | 2 | ||||
| ? | 08000-00020 | TERMINAL, POSITIVE | 2 | ||||
| ? | 08000-00021 | TERMINAL, NEGATIVE | 2 | ||||
| ? | 2A5-06-11441 | HOLDER | 1 | ||||
| ? | 2A5-06-11451 | HOLDER | 1 | ||||
| ? | 2A5-06-11461 | BOLT | 3 | ||||
| ? | 01643-31032 | WASHER | 3 | ||||
| ? | 01580-11008 | NUT | 6 | ||||
| ? | 08006-40255 | ROD | 1 | ||||
| ? | 01643-31032 | WASHER | 1 | ||||
| ? | 01580-11008 | NUT | 2 | ||||
| ? | 2A5-06-11481 | PLATE | 1 | ||||
| ? | 01010-81230 | BOLT | 2 | ||||
| ? | 01643-31232 | WASHER | 2 | ||||
| ? | 14X-06-12280 | COVER | 1 | ||||
| ? | 14X-06-12290 | COVER | 1 | ||||
| ? | 08028-63020 | CABLE, GROUND | 1 | ||||
| ? | 14X-06-12290 | COVER | 1 | ||||
| ? | 08038-22511 | CAP | 1 | ||||
| ? | 2A5-06-11431 | NUT | 2 | ||||
| ? | 2A5-06-11550 | COVER | 1 | ||||
| ? | 2A5-06-11670 | COVER | 1 |